Operation CHARM: Car repair manuals for everyone.
Manuals through 2025 now available!

Our trusted friends have launched a new website named LEMON, which has newer manuals. It also contains all the CHARM manuals.

LEMON is the spiritual successor to CHARM, I recommend you try it!

Link: lemon-manuals.la or lemon-manuals.org.ua

(Some people have issue connecting. LEMON is investigating. For now, use Firefox or change your DNS server)

Or, hide this message: temporarily or permanently

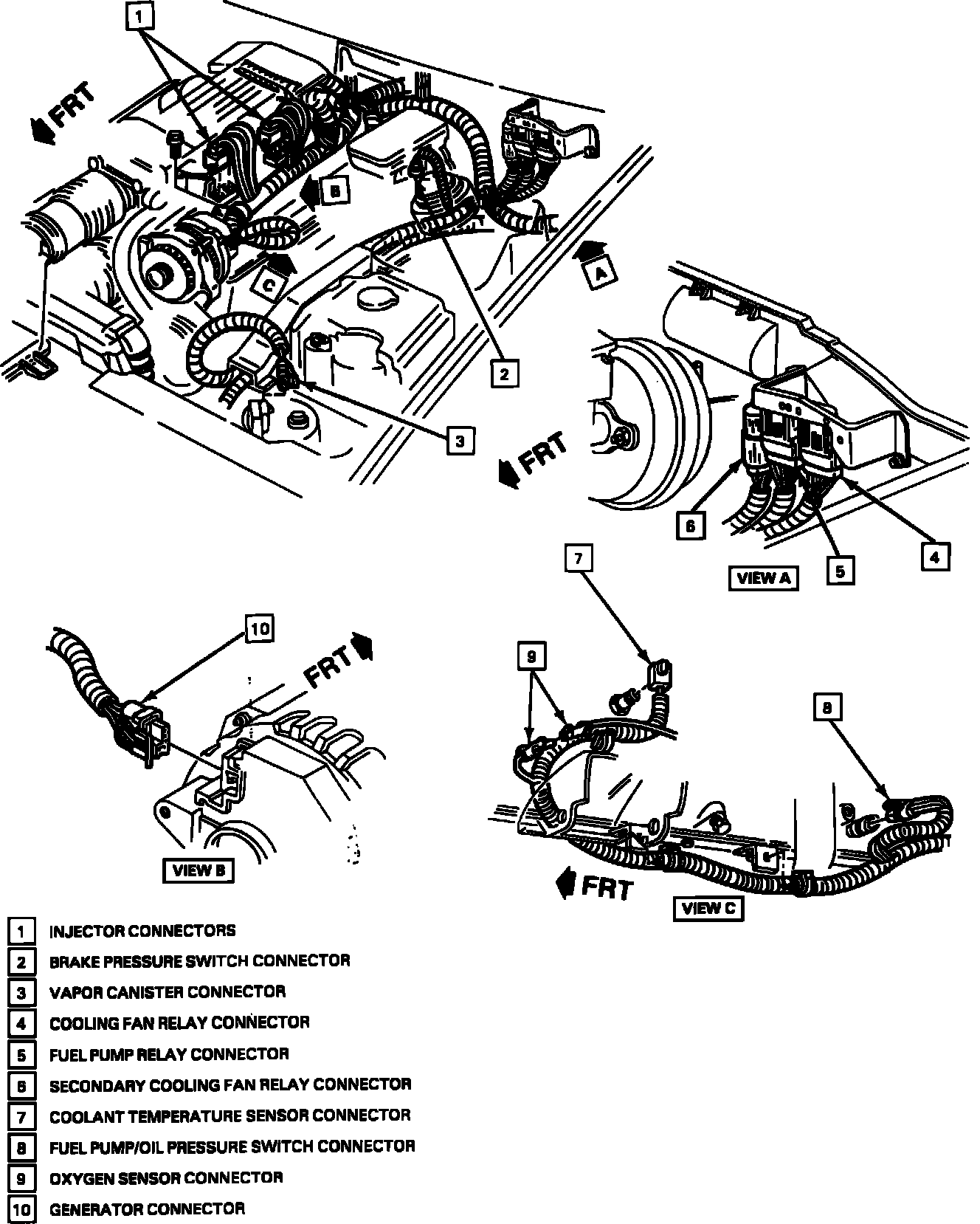
Left Side View of Engine

Left Side Pictorial:





1 INJECTOR CONNECTORS
2 BRAKE PRESSURE SWITCH CONNECTOR
3 VAPOR CANISTER CONNECTOR
4 COOLING FAN RELAY CONNECTOR
5 FUEL PUMP RELAY CONNECTOR
6 SECONDARY COOLING FAN RELAY CONNECTOR
7 COOLANT TEMPERATURE SENSOR CONNECTOR
8 FUEL PUMP/OIL PRESSURE SWITCH CONNECTOR
9 OXYGEN SENSOR CONNECTOR
10 GENERATOR CONNECTOR