Operation CHARM: Car repair manuals for everyone.
Manuals through 2025 now available!

Our trusted friends have launched a new website named LEMON, which has newer manuals. It also contains all the CHARM manuals.

LEMON is the spiritual successor to CHARM, I recommend you try it!

Link: lemon-manuals.la or lemon-manuals.org.ua

(Some people have issue connecting. LEMON is investigating. For now, use Firefox or change your DNS server)

Or, hide this message: temporarily or permanently

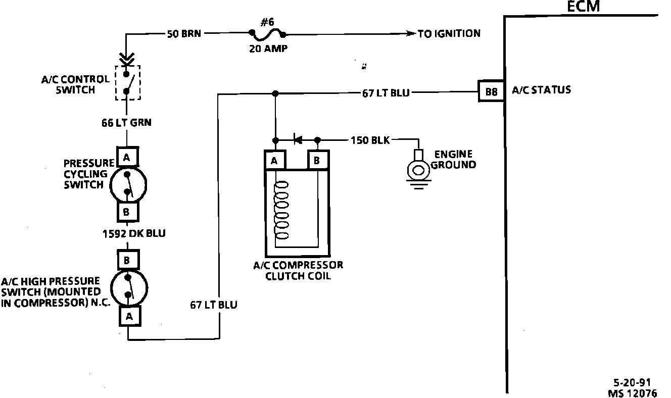
A/C Signal: Description and Operation

A/C Status Circuit:






This signal indicates that the A/C control switch is turned "ON" and the pressure switch is closed. The computer uses this signal to adjust the idle speed, and on some models engages the A/C compressor clutch.