Operation CHARM: Car repair manuals for everyone.
Manuals through 2025 now available!

Our trusted friends have launched a new website named LEMON, which has newer manuals. It also contains all the CHARM manuals.

LEMON is the spiritual successor to CHARM, I recommend you try it!

Link: lemon-manuals.la or lemon-manuals.org.ua

(Some people have issue connecting. LEMON is investigating. For now, use Firefox or change your DNS server)

Or, hide this message: temporarily or permanently

Intake Manifold Replace

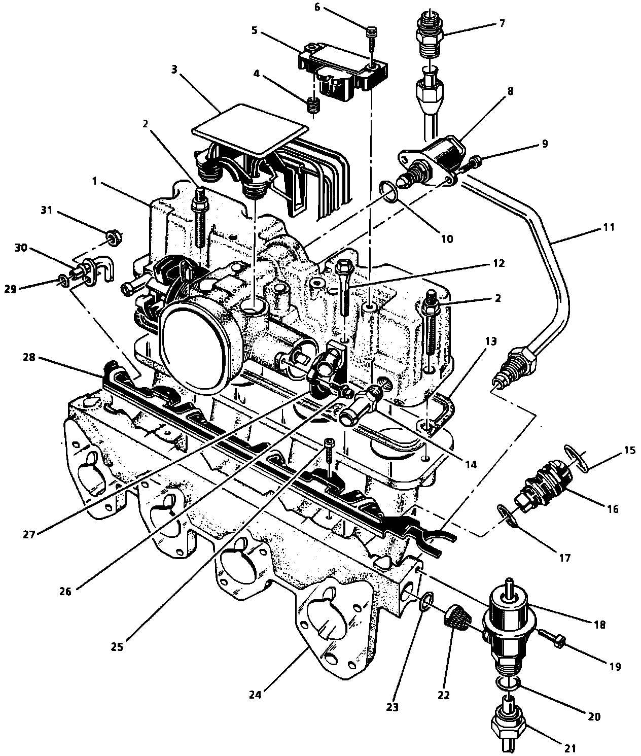
Upper And Lower Intake Manifold Assemblies:




Upper And Lower Intake Manifold Assemblies - Legend:




Lower Manifold Assembly:






SPECIAL TOOLS REQUIRED (or equivalents)
^ J-37088-A tool set, fuel line quick-connect fittings.

REMOVE OR DISCONNECT
1. Relieve fuel system pressure, refer to Fuel Pressure Release.
2. Negative battery cable.
3. Upper manifold assembly.
4. Quick-connect fittings at engine compartment fuel feed and return lines:
a. Grasp both ends of one fuel line connection and twist 1/4 turn in each direction to loosen any dirt in quick-connect fitting. Repeat for other fitting.

WARNING: Safety glasses must be worn when using compressed air as flying dirt particles may cause eye injury.

b. Using compressed air, blow out dirt from all quick-connect fittings before removing.
c. Choose correct tool from J-37088-A tool set for size of fitting.
d. Insert tool into female connector, then push inward to release male connector.
e. Repeat for other fitting.

5. Plug fuel feed and return lines as required.
6. Bolts retaining power steering pump brace, and brace.
7. Engine fuel inlet pipe retainer nuts and retainers.
8. Fuel inlet pipe and seal.
9. Nut attaching transmission fill tube (A/T only).
10. Lower manifold attaching nuts.
11. Lower manifold and discard gasket.
12. Using a clean shop towel, wipe off male tube end of the fuel feed/return pipes quick-connect fittings. Replace pipes if damaged.
13. Inspect replacement lower manifold for items that are to be transferred from unit removed from engine for damage.

CAUTIONS:
^ Use care when cleaning old gasket material from machined aluminum surfaces as sharp tools may damage sealing surfaces.

^ If it is necessary to remove rust or burrs from the male tube end of the fuel feed/return pipes quick- connect fittings, use emery cloth in a circular motion with the tube end to prevent damage to O-ring sealing surface.

Disassemble
1. EGR transfer pipe.
2. Lower manifold and other remaining parts to be transferred following component repair procedures.

Assemble
1. Replacement lower manifold with transferred parts following component repair procedures.
2. Apply pipe sealant to threaded ends of EGR transfer pipe.
3. Install EGR transfer pipe and tighten pipe nuts to 27.0 Nm (20 lb ft).

INSTALL OR CONNECT
1. Position EGR valve injector so that the port faces directly toward the throttle bore.
2. New lower manifold gasket.
3. Position lower manifold on studs.
4. Lower manifold attaching nuts and tighten in sequence to 30.0 Nm (22 lb ft).
5. Nut attaching transmission fill tube (A/T only).
6. New fuel inlet pipe O-ring seal.
7. Fuel inlet pipe nut and finger tighten only.
8. Support nut on bottom of lower manifold and finger tighten only.
9. Tighten fuel inlet pipe retaining nut to 30 Nm (22 lb ft) and fuel pipe support nut to 10 Nm (89 lb in).
10. Power steering pump brace with attaching bolts.
11. Unplug fuel feed and return lines.

WARNING: To reduce the risk of fire and personal injury, before connecting fuel line quick-connect fittings, always apply a few drops of clean engine oil to the male tube ends. This will ensure proper reconnection and prevent a possible fuel leak. (During normal operation, O-rings located in the female connector will swell and may prevent proper reconnection if not lubricated.

12. Fuel feed and return line quick-connect fittings:
a. Apply a few drops of clean engine oil to the male tube ends of the engine fuel feed and return pipes.
b. Push connectors together to cause the retaining tabs/fingers to snap into place.
c. Once installed, pull on both ends of each connection to make sure they are secure.
d. Repeat for other fitting.

13. Upper manifold assembly.
14. Tighten fuel filler cap.
15. Negative battery cable.
16. Turn ignition switch to the "ON" position for two seconds, then turn to the "OFF" position for ten seconds. Again turn to the "ON" position, and check for fuel leaks.