Operation CHARM: Car repair manuals for everyone.
Manuals through 2025 now available!

Our trusted friends have launched a new website named LEMON, which has newer manuals. It also contains all the CHARM manuals.

LEMON is the spiritual successor to CHARM, I recommend you try it!

Link: lemon-manuals.la or lemon-manuals.org.ua

(Some people have issue connecting. LEMON is investigating. For now, use Firefox or change your DNS server)

Or, hide this message: temporarily or permanently

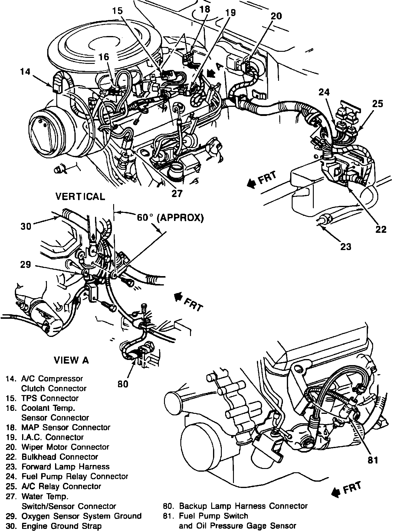
Pictorial View

RIGHT SIDE VIEW

Engine Wire Routing:







1 = ELECTRONIC SPARK CONTROL MODULE CONNECTOR.
2 = A/C CONNECTOR.
3 = OXYGEN SENSOR CONNECTOR.
4 = KNOCK SENSOR CONNECTOR.
5 = BATTERY CABLE.
6 = AIR CONTROL VALVE.
7 = AIR PUMP.
8 = INJECTOR CONNECTOR.
9 = FUEL PUMP PRIME CONNECTOR.
10 = COIL CONNECTOR.
11 = GENERATOR.
12 = EVRV SOLENOID CONNECTOR.
13 = DISTRIBUTOR CONNECTOR.



LEFT SIDE VIEW

Engine Wire Routing:







14 = A/C COMPRESSOR CLUTCH CONNECTOR.
15 = TPS CONNECTOR.
16 = COOLANT TEMPERATURE SENSOR CONNECTOR.
18 = MAP SENSOR CONNECTOR.
19 = IAC CONNECTOR.
20 = WIPER MOTOR CONNECTOR.
22 = BULKHEAD CONNECTOR.
23 = FORWARD LAMP HARNESS.
24 = FUEL PUMP RELAY CONNECTOR.
25 = A/C RELAY CONNECTOR.
27 = WATER TEMPERATURE SWITCH/SENSOR CONNECTOR.
29 = OXYGEN SENSOR SYSTEM GROUND.
30 = ENGINE GROUND STRAP.
80 = BACKUP LAMP HARNESS CONNECTOR.
81 = FUEL PUMP SWITCH AND OIL PRESSURE GAUGE SENSOR.



REAR VIEW

S/T 2.8L Engine Wiring - Rear:







10 = CONNECTOR, COIL.
12 = CONNECTOR, EVRV SOLENOID.
13 = CONNECTOR, DISTRIBUTOR.
68 = SENSOR, OXYGEN.
70 = HARNESS, ENGINE WIRING.