Operation CHARM: Car repair manuals for everyone.
Manuals through 2025 now available!

Our trusted friends have launched a new website named LEMON, which has newer manuals. It also contains all the CHARM manuals.

LEMON is the spiritual successor to CHARM, I recommend you try it!

Link: lemon-manuals.la or lemon-manuals.org.ua

(Some people have issue connecting. LEMON is investigating. For now, use Firefox or change your DNS server)

Or, hide this message: temporarily or permanently

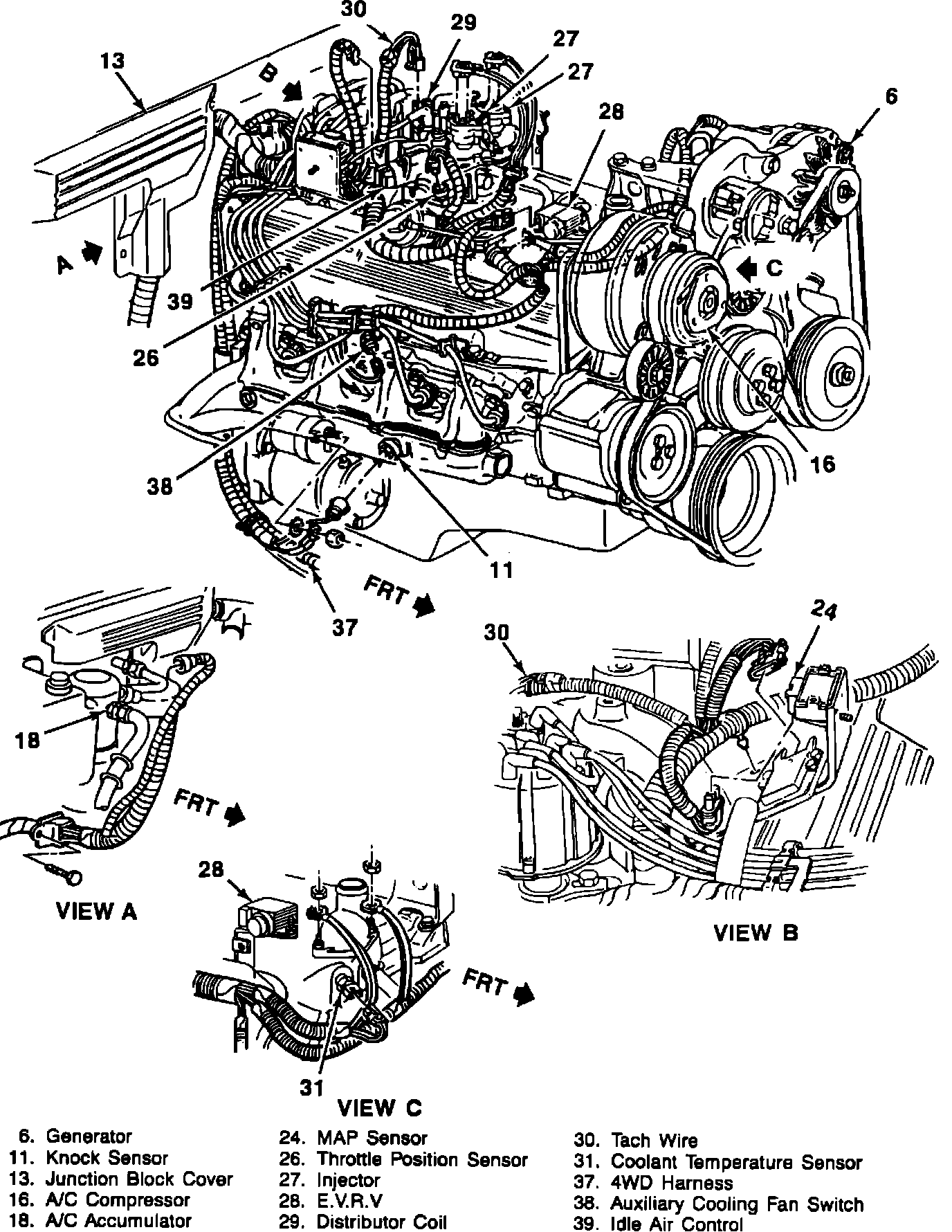
Pictorial View

Engine Wire Routing (Right Side):







6 = GENERATOR.
11 = KNOCK SENSOR.
13 = JUNCTION BLOCK COVER.
16 = A/C COMPRESSOR.
18 = A/C ACCUMULATOR.
24 = MAP SENSOR.
26 = THROTTLE POSITION SENSOR.
27 = INJECTOR.
28 = EVRV.
29 = DISTRIBUTOR COIL.
30 = TACH WIRE.
31 = COOLANT TEMPERATURE SENSOR.
37 = 4WD HARNESS.
38 = AUXILIARY COOLING FAN SWITCH.
39 = IDLE AIR CONTROL.



Engine Wiring - Left Side C/K 7.4N:







12 = COIL, IGNITION.
19 = SENSOR, OXYGEN.
26 = STRAP GROUND.
35 = SWITCH, ENGINE COOLANT TEMPERATURE.
36 = COMPRESSOR, A/C.
37 = SWITCH, A/C HIGH PRESSURE CUTOUT.
38 = SWITCH, OIL PRESSURE.



Engine Wiring - Rear C/K 7.4N:







19 = WIRE GROUND.
42 = DISTRIBUTOR.
90 = STRAP, ENGINE GROUND.
91 = LINES, FUEL.