Operation CHARM: Car repair manuals for everyone.
Manuals through 2025 now available!

Our trusted friends have launched a new website named LEMON, which has newer manuals. It also contains all the CHARM manuals.

LEMON is the spiritual successor to CHARM, I recommend you try it!

Link: lemon-manuals.la or lemon-manuals.org.ua

(Some people have issue connecting. LEMON is investigating. For now, use Firefox or change your DNS server)

Or, hide this message: temporarily or permanently

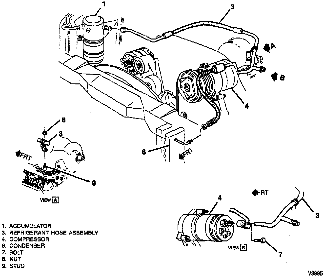
Front

Refrigerant Hose Assembly:




Compressor Mounting:






REMOVE OR DISCONNECT
1. Discharge and recover refrigerant from the system.
2. Engine cover.
3. Air cleaner.
4. Drive belt.
5. Oil filler tube.
6. Hose bracket nut from stud.
7. Manifold bolt.
8. Manifold from the rear of the compressor.
9. Brace bolts and nuts.
10. Braces.
11. Electrical connections, as necessary.
12. Compressor from mounting bracket.
^ Drain and measure compressor oil from old compressor.

INSTALL OR CONNECT
^ Drain compressor oil from new compressor.
^ Refill new compressor with same amount of oil drained from old compressor. If less than 30 ml (1 fl. oz.) was drained from old compressor add 60 ml (2 fl. oz.).
1. Compressor to mounting bracket.
2. Electrical connections, as necessary.
3. Compressor mounting bolts.
^ Tighten bolts to 50 N.m (37 ft. lbs.).
4. Braces.
5. Brace bolts and nuts.
^ Tighten bolts to 25 N.m (18 ft. lbs.).
^ Tighten nuts to 33 N.m (24 ft. lbs.).
6. Manifold to the rear of the compressor.
7. Manifold bolt.
^ Tighten bolt to 35 N.m (26 ft. lbs.).
8. Hose bracket nut to stud.
^ Tighten nut to 24 N.m (18 ft. lbs.).
9. Oil filler tube.
10. Drive belt.
11. Air cleaner.
12. Engine cover.
13. Evacuate and recharge the system.
^ Check the system for leaks.