Operation CHARM: Car repair manuals for everyone.
Manuals through 2025 now available!

Our trusted friends have launched a new website named LEMON, which has newer manuals. It also contains all the CHARM manuals.

LEMON is the spiritual successor to CHARM, I recommend you try it!

Link: lemon-manuals.la or lemon-manuals.org.ua

(Some people have issue connecting. LEMON is investigating. For now, use Firefox or change your DNS server)

Or, hide this message: temporarily or permanently

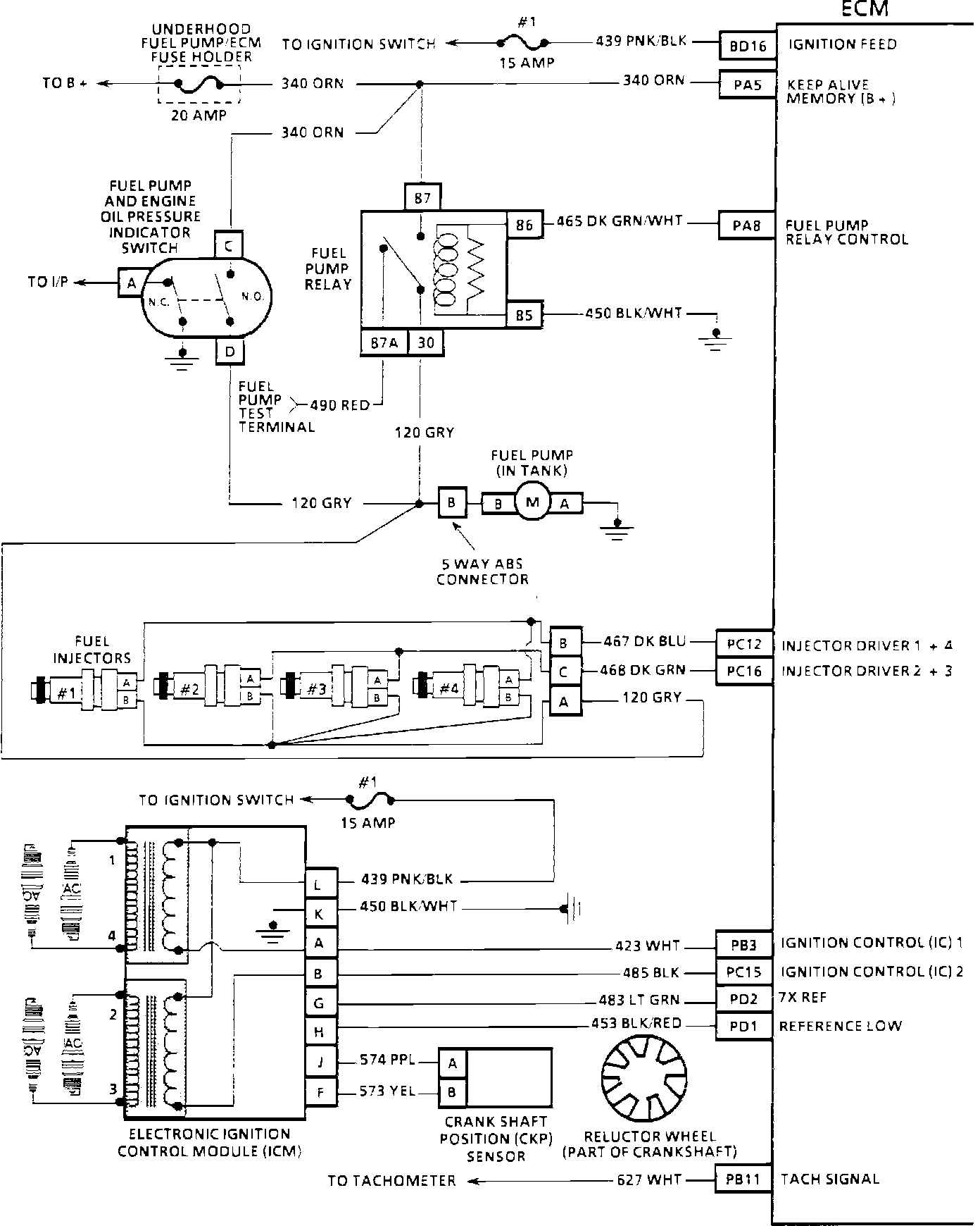
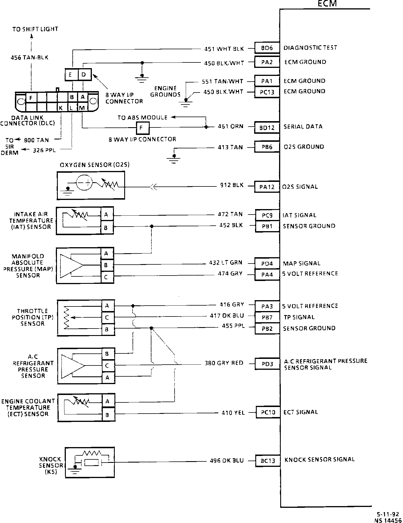
Electronic/Powertrain Control Module (ECM/PCM)

ECM Wiring - "L" - 2.3A (1 of 4):







BD6 = DIAGNOSTIC TEST
PA2 = ECM GROUND
PA1 = ECM GROUND
PC13 = ECM GROUND
BD12 = SERIAL DATA
PB6 = O2 GROUND
PA12 = O2 SIGNAL
PC9 = IAT SIGNAL
PB1 = SENSOR GROUND
PD4 = MAP SIGNAL
PA4 = 5 VOLT REFERENCE
PA3 = 5 VOLT REFERENCE
PB7 = TP SIGNAL
PB2 = SENSOR GROUND
PD3 = A/C PRESSURE SENSOR SIGNAL
PC10 = ECT SIGNAL
BC13 = KNOCK SENSOR SIGNAL



ECM Wiring - "L" - 2.3A (2 of 4):







BD16 = IGNITION FEED
PA5 = KEEP ALIVE MEMORY (B+)
PA8 = FUEL PUMP RELAY CONTROL
PC12 = INJECTOR DRIVER 1 + 4
PC16 = INJECTOR DRIVER 2 + 3
PB3 = IGNITION CONTROL (IC) 1
PC15 = IGNITION CONTROL (IC) 2
PD2 = 7X REFERENCE
PD1 = REFERENCE LOW
PB11 = TACH



ECM Wiring - "L" - 2.3A (3 of 4):







PD12 = A/C REQUEST
BC11 = A/C RELAY CONTROL
BC9 = COOLING FAN RELAY CONTROL
BC8 = MIL LAMP
BC2 = M/T SHIFT LIGHT



ECM Wiring - "L" - 2.3A (4 of 4):







BD14 = VSS (LOW)
BD13 = VSS (HIGH)
PB8 = VEHICLE SPEED SIGNAL (4000 PPM)
BC1 = EVAP DRIVER
PC3 = IAC "A" HIGH
PC4 = IAC "A" LOW
PC6 = IAC "B" HIGH
PC5 = IAC "B" LOW