Operation CHARM: Car repair manuals for everyone.
Manuals through 2025 now available!

Our trusted friends have launched a new website named LEMON, which has newer manuals. It also contains all the CHARM manuals.

LEMON is the spiritual successor to CHARM, I recommend you try it!

Link: lemon-manuals.la or lemon-manuals.org.ua

(Some people have issue connecting. LEMON is investigating. For now, use Firefox or change your DNS server)

Or, hide this message: temporarily or permanently

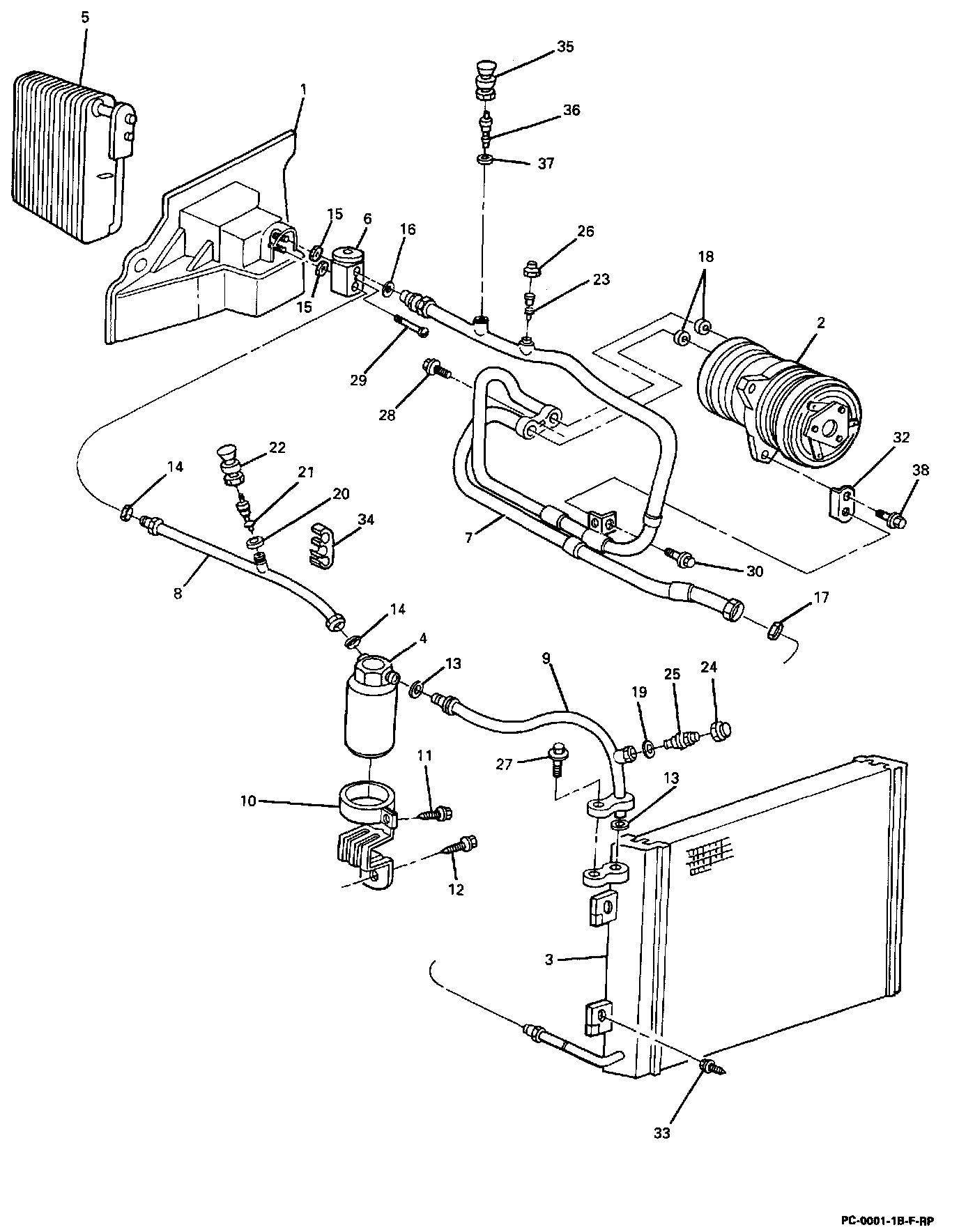
Compressor Replacement

Refrigerant System Components:




Refrigerant System Components - Legend:




A/C Compressor Assembly Mounting & Support:






Remove or Disconnect

1. Recover refrigerant
2. Raise and suitably support vehicle.
3. Serpentine drive belt.
4. Bolt/screw (30).
5. Bolt/screw (28).
6. Hose assembly (7) from compressor assembly (2).
^ Discard seals (18).
7. Lower transmission oil cooler pipe assembly at radiator assembly.
8. Electrical connector at compressor assembly (2).
9. Bolts/screws (45).
10. Bolts/screws (38).
11 Compressor assembly (2).
12. Bolts/screws (44) and support (43) on 3.4L L32 engine only, if necessary.

Install or Connect

1. Polyalkaline glycol (PAG) refrigerant oil.
^ If compressor assembly (2) is being replaced. drain refrigerant oil from both defective compressor and new replacement compressor. Measure amount removed from defective compressor. If measured amount is less than 30 ml (1 fluid ounce), add 60 ml (2 fluid ounces) to new replacement compressor. If more that 30 ml (1 fluid ounce) is drained from defective compressor add same amount to new compressor. Use PAG refrigerant oil GM P/N 12345923 or equivalent.

2. Support (43) and bolts/screws (44), if removed.

Tighten
^ Bolts/screws (44) to 25 N.m 18 lb. ft.).

3. Compressor assembly (2).
4. Bolts/screws (38).

Tighten
^ Bolts/screws (38) to 50 N.m (37 lb. ft.).

5. Bolts/screws (45).

Tighten
^ Bolts/screws (45) to 50 N.m (37 lb. ft.).

7. Electrical connector at compressor assembly (2).
8. Lower transmission oil cooler pipe assembly at radiator assembly.
9. Seals (18) to hose assembly (7).
^ Lightly coat seals with mineral base 525 viscosity refrigerant oil.
10. Hose assembly (7) to compressor assembly (2).
11. Bolt/screw (28).

Tighten
^ Bolt/screw (28) to 33 N.m (24 lb. ft.).

12. Bolt/screw (30).

Tighten

^ Bolt/screw (30) to 10 N.m (89 lb. in.).

13. Serpentine drive belt.
14. Lower vehicle.
15. Charge A/C system
16. Leak-test A/C system.