Operation CHARM: Car repair manuals for everyone.
Manuals through 2025 now available!

Our trusted friends have launched a new website named LEMON, which has newer manuals. It also contains all the CHARM manuals.

LEMON is the spiritual successor to CHARM, I recommend you try it!

Link: lemon-manuals.la or lemon-manuals.org.ua

(Some people have issue connecting. LEMON is investigating. For now, use Firefox or change your DNS server)

Or, hide this message: temporarily or permanently

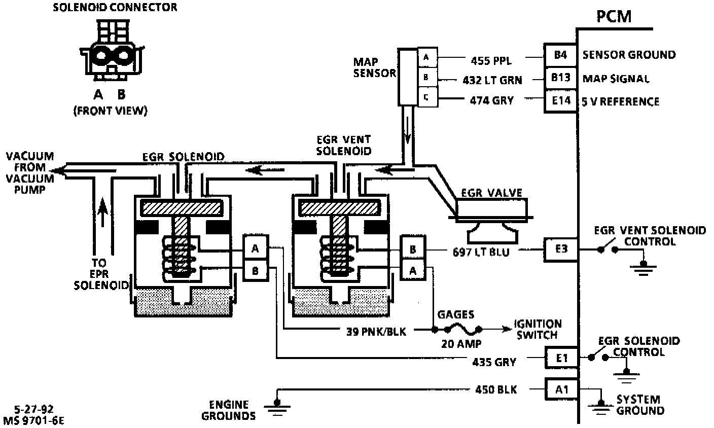
Manifold Pressure/Vacuum Sensor: Description and Operation

EGR Circuit - PCM:






PURPOSE
The Manifold Absolute Pressure (MAP) sensor is used to monitor the amount of vacuum in the EGR circuit. The MAP senses the actual vacuum in the EGR vacuum line and relays a voltage signal to the PCM. The signal is compared to the EGR duty cycle calculated by the PCM.

If there is a difference in the PCM command and what is at the EGR valve sensed by the MAP, the PCM makes minor adjustments to correct. When a major difference is sensed, the PCM recognizes a fault and sends a full EGR signal.

OPERATION
The computer sends a 5 volt reference signal to the MAP sensor. As vacuum changes occur in the EGR supply line, the electrical resistance of the MAP sensor also changes. By monitoring the sensor output voltage, the computer can determine the EGR line vacuum.

The PCM energizes or de-energizes the EGR solenoid and/or EGR vent solenoid to control EGR valve function based upon the input of the MAP sensor.

LOCATION
The MAP sensor is mounted on the left side of the cowl.