Operation CHARM: Car repair manuals for everyone.
Manuals through 2025 now available!

Our trusted friends have launched a new website named LEMON, which has newer manuals. It also contains all the CHARM manuals.

LEMON is the spiritual successor to CHARM, I recommend you try it!

Link: lemon-manuals.la or lemon-manuals.org.ua

(Some people have issue connecting. LEMON is investigating. For now, use Firefox or change your DNS server)

Or, hide this message: temporarily or permanently

Electronic/Powertrain Control Module (ECM/PCM)

PCM Wiring Diagram - 4.3W Bravada 93_94 Auto. (5 Of 5):



PCM Wiring Diagram - 4.3W (1 OF 5):



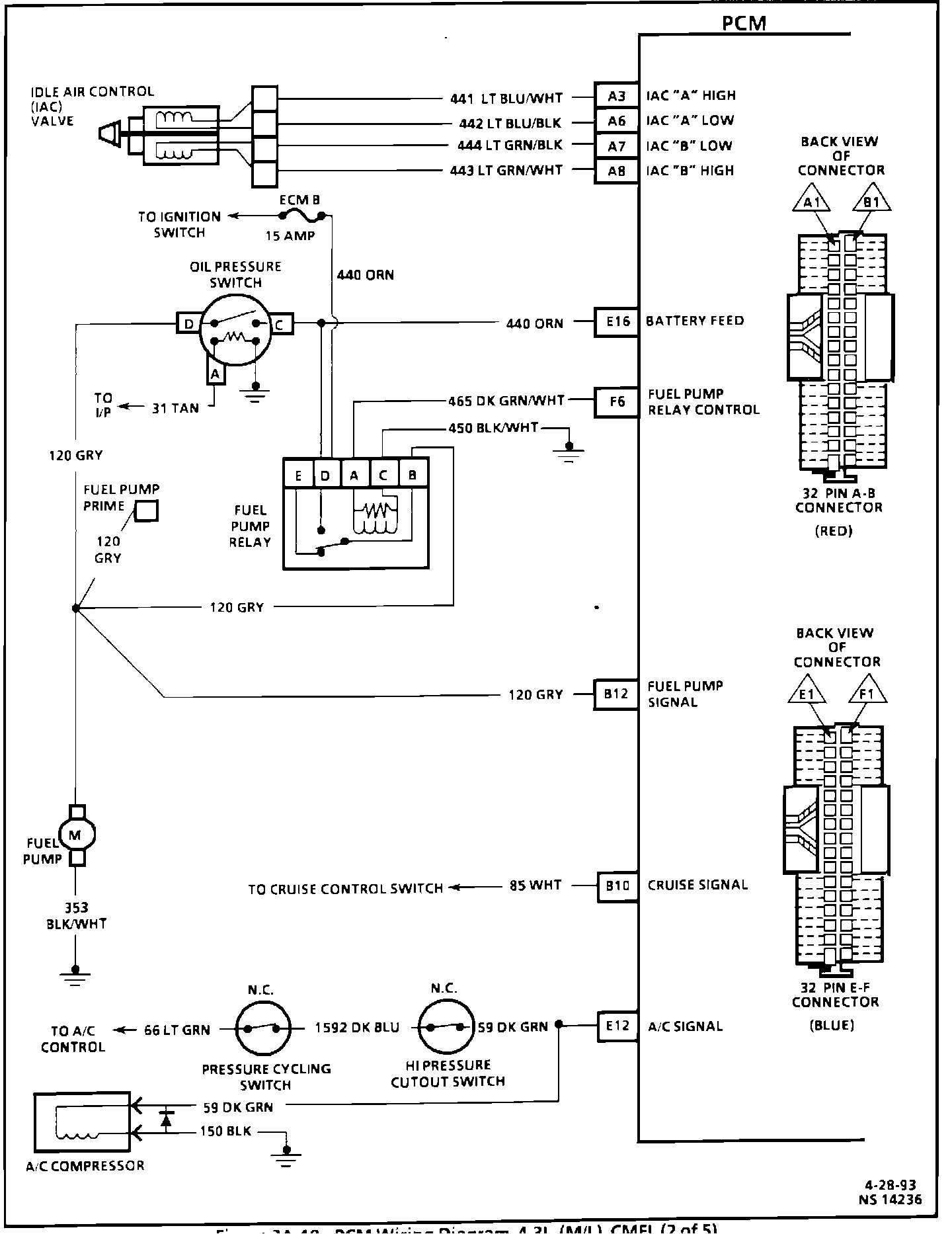
PCM Wiring Diagram - 4.3W (2 OF 5):



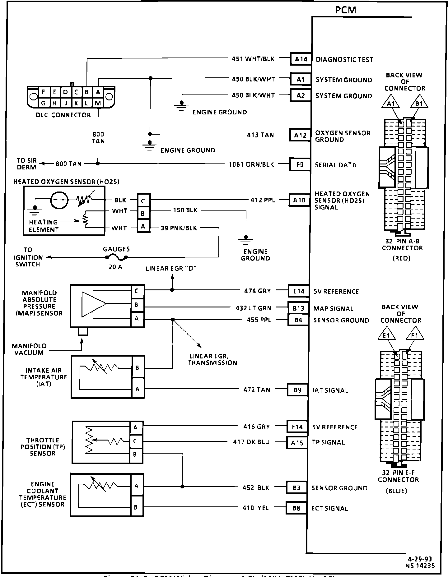
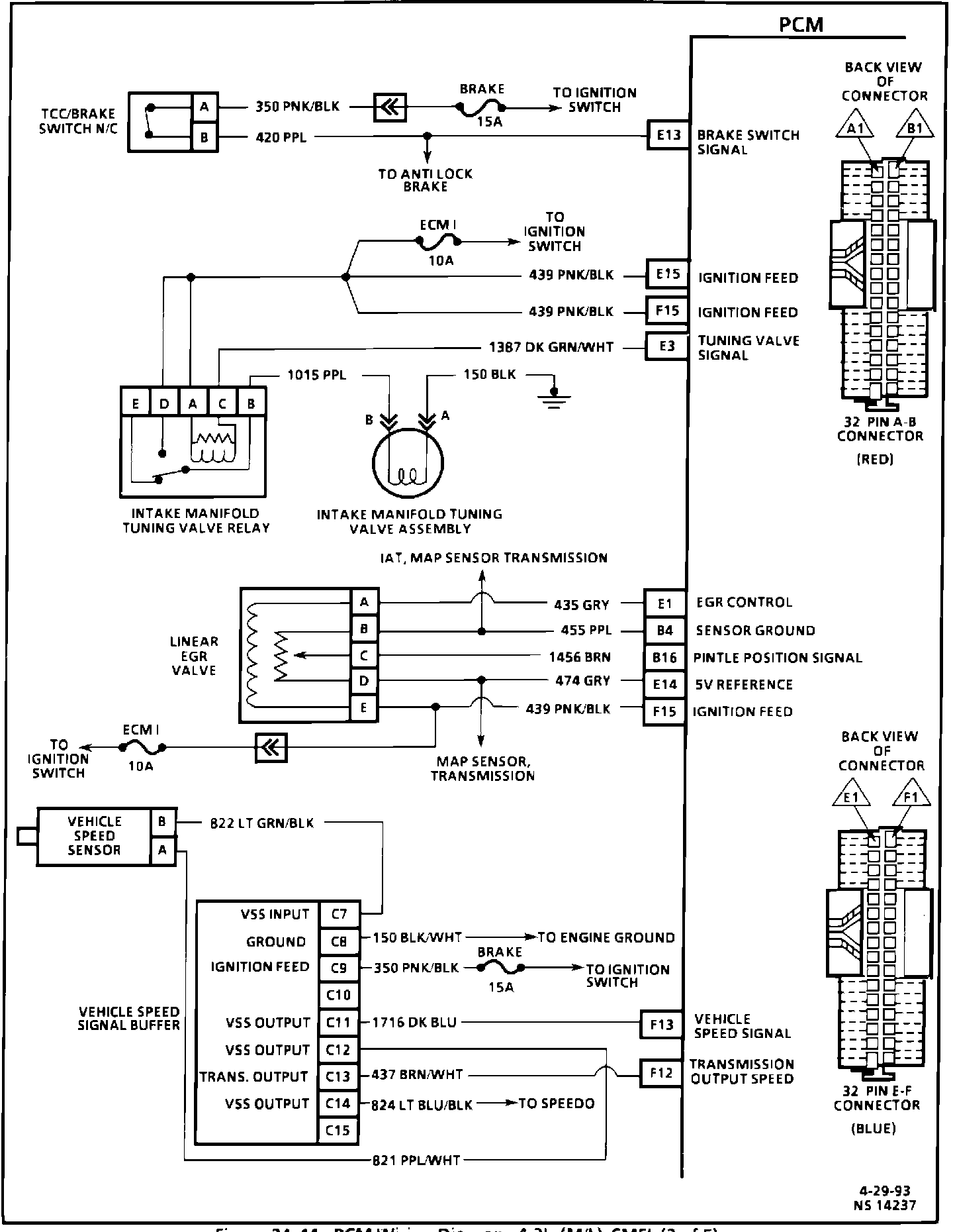
PCM Wiring Diagram - 4.3W (3 OF 5):



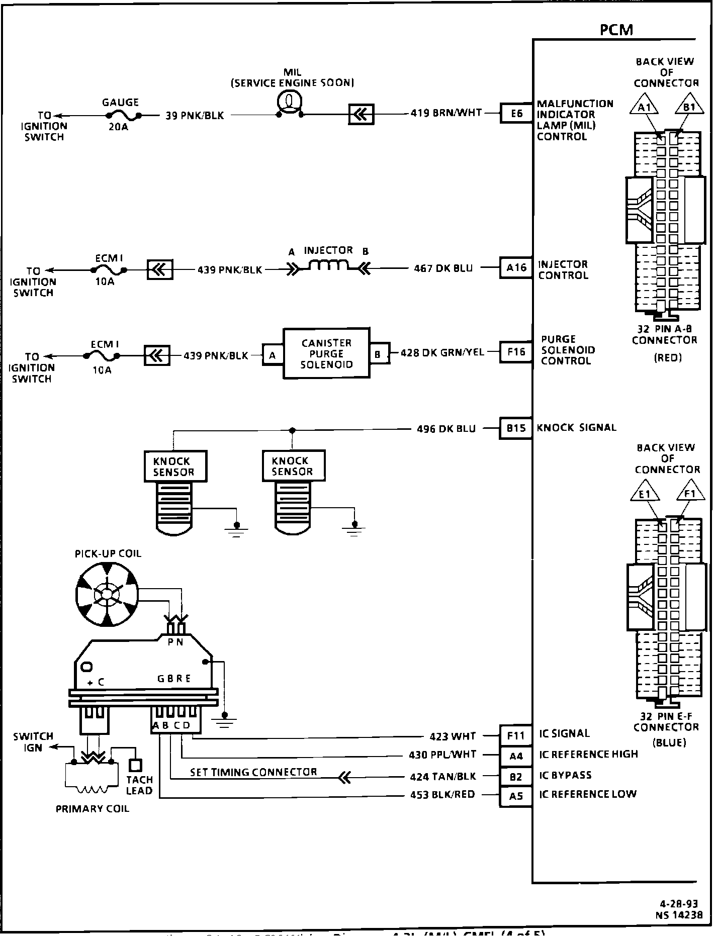
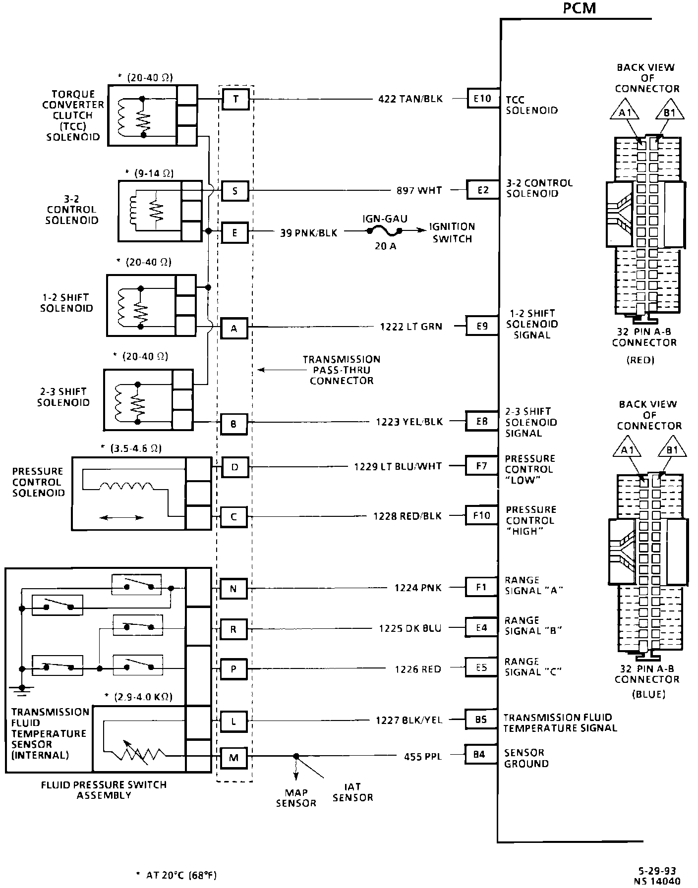
PCM Wiring Diagram - 4.3W (4 OF 5):



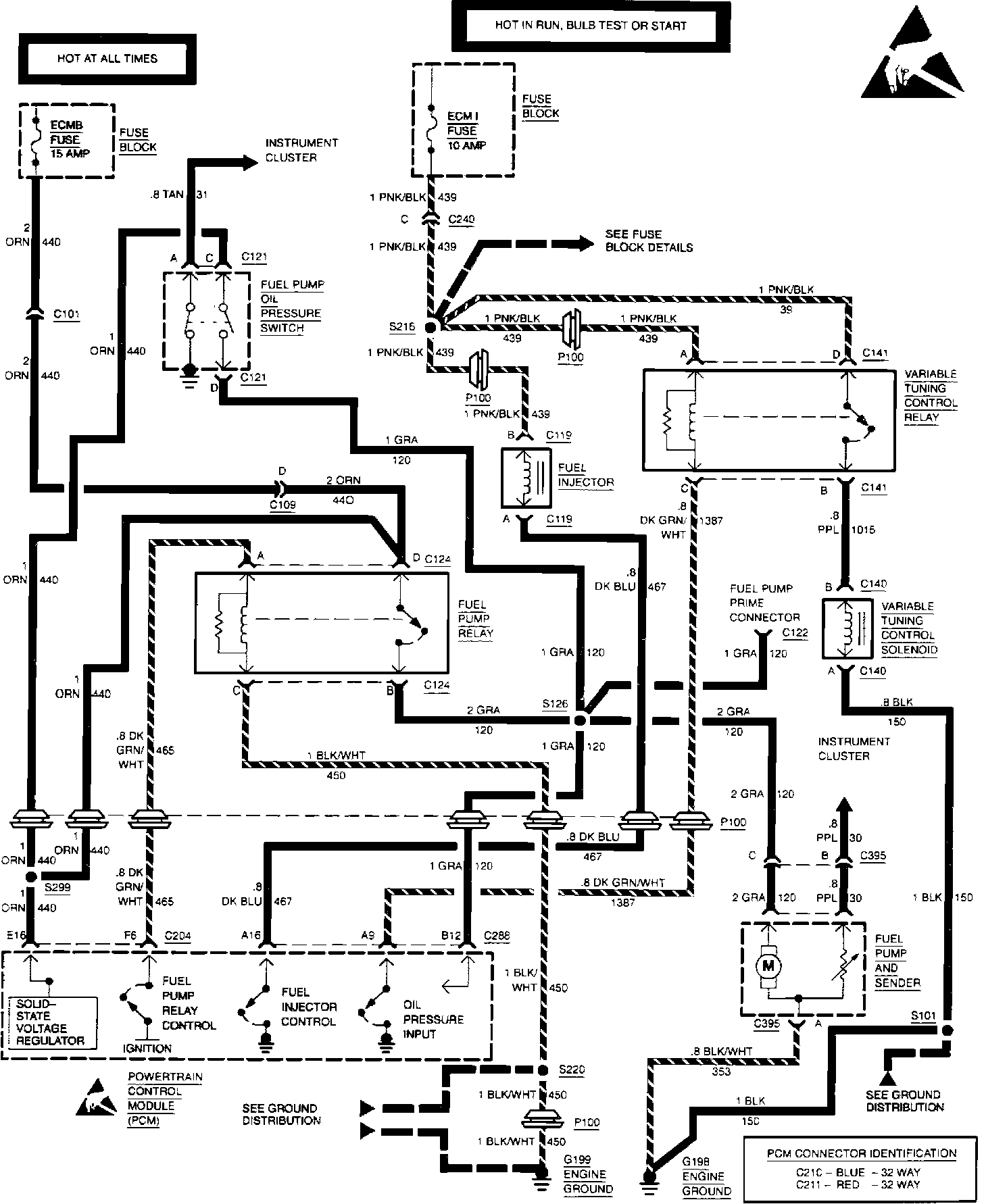
Engine Controls Fuel 4.3W: