Operation CHARM: Car repair manuals for everyone.
Manuals through 2025 now available!

Our trusted friends have launched a new website named LEMON, which has newer manuals. It also contains all the CHARM manuals.

LEMON is the spiritual successor to CHARM, I recommend you try it!

Link: lemon-manuals.la or lemon-manuals.org.ua

(Some people have issue connecting. LEMON is investigating. For now, use Firefox or change your DNS server)

Or, hide this message: temporarily or permanently

System Test

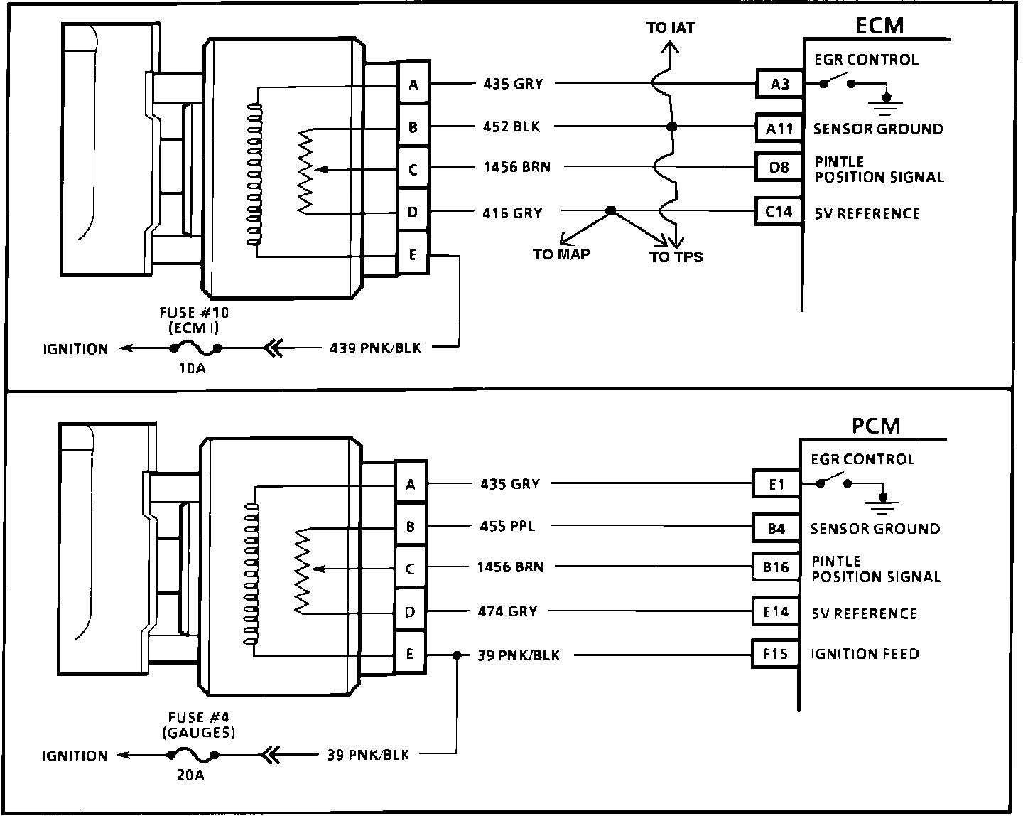
Linear EGR Wiring Diagram:




Linear EGR System Check:





CIRCUIT DESCRIPTION
To control Exhaust Gas Recirculation (EGR), the control module operates the Linear EGR valve. The Linear EGR valve is a small motor with a pintle that is normally closed. By providing a ground path, the control module will open the pintle and allow exhaust gasses to pass through the valve. The control module control of the EGR is based on the following inputs:
- Engine coolant temperature - above 25°C.
- TPS - "OFF" idle.
- MAP
- IAT, if equipped
- BARO
- Park/Neutral Position.
- Pintle Position Sensor.

If Code 23 is stored, use that chart first.
If Code 32 is stored, use that chart first. This chart is used for faulty valve, plugged EGR passages, or improper wiring connections.

CHART TEST DESCRIPTION Numbers below refer to circled numbers on the diagnostic chart.

1. At idle, the EGR valve should NOT be open greater than 3%. A faulty or misadjusted Park/Neutral Position (PNP) or the EGR valve stuck open will allow exhaust gasses to enter the combustion chamber and create a rough idle condition
2. Checks the pintle's ability to be manually commanded to the desired position.
3. Checks the electrical circuit of the EGR valve and connecting components.
4. Checks for plugged EGR passages or a faulty EGR valve.