Front
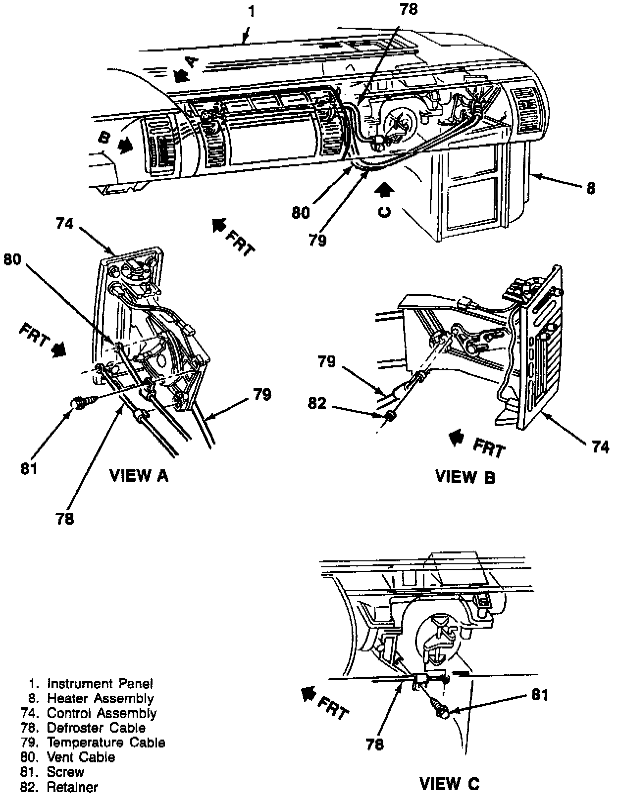
Control Assembly Replacement:
Control Assembly Wiring Connectors:
Temp, Defrost And Vent Cables:
REMOVE OR DISCONNECT
1. Screws.
2. Control assembly.
^ Pull control assembly out of the instrument panel far enough to reach the control cable assembly ends and the blower switch electrical connector.
3. Electrical connector(s), as necessary.
4. Control cables.
5. Blower switch, if necessary.
^ Remove the blower switch knob and spring clip, and remove the blower switch.
INSPECT
^ Electrical terminals for corrosion. Remove the corrosion or replace the component as necessary.
^ Temperature and mode levers for freedom of movement. Lubricate, repair, or replace as necessary.
^ Control cable assemblies for kinks, binding and other damage. Repair or replace as necessary.
INSTALL OR CONNECT
1. Heater blower switch, if removed.
^ Hold the blower switch in position and install the spring clip.
^ Install the blower switch knob.
2. Control cables.
3. Electrical connector(s), as necessary.
4. Control assembly.
5. Screws.
^ Tighten screws to 1.4 N.m (12 in. lbs.).
^ Check circuit operation.