Operation CHARM: Car repair manuals for everyone.
Manuals through 2025 now available!

Our trusted friends have launched a new website named LEMON, which has newer manuals. It also contains all the CHARM manuals.

LEMON is the spiritual successor to CHARM, I recommend you try it!

Link: lemon-manuals.la or lemon-manuals.org.ua

(Some people have issue connecting. LEMON is investigating. For now, use Firefox or change your DNS server)

Or, hide this message: temporarily or permanently

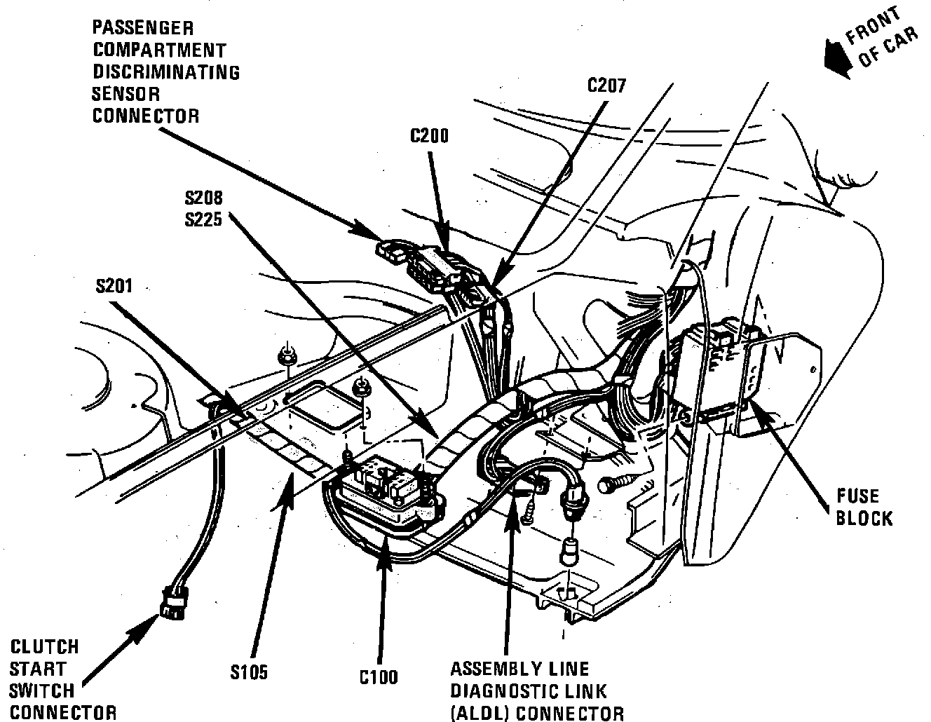
Pictorial Views

ALDL Connector:






ALDL CONNECTOR

Engine Wiring:







1 = ENGINE HARNESS
2 = BLOWER MOTOR
3 = ABS RELAY CONNECTOR
4 = ABS LEADS
5 = BLOWER MOTOR CONNECTOR
6 = COOLING FAN RELAY
7 = FUEL PUMP RELAY
8 = BLOWER MOTOR RELAY
9 = A/C COMPRESSOR RELAY



Engine Wiring:







1 = CRUISE CONTROL
2 = WINDSHIELD WIPER CONNECTOR
3 = WINDSHIELD WASHER CONNECTOR
4 = FRONT LAMP HARNESS
5 = ABS SOLENOID
6 = BRAKE FLUID LEVEL SWITCH
7 = MAT SENSOR
8 = ABS MOTOR PACK CONNECTORS



Connector Location:







1 = IAC MOTOR LEAD
2 = EGR SOLENOID CONNECTOR
3 = INJECTOR HARNESS LEAD
4 = MAP SENSOR CONNECTOR
5 = TPS SENSOR CONNECTOR



Engine Wiring:







1 = NEUTRAL SAFETY/BACK-UP LAMP SWITCH (W/AUTO TRANS.)
2 = OIL PRESSURE SWITCH
3 = CRANK POSITION SENSOR
4 = ELECTRONIC COIL AND MODULE ASSEMBLY
5 = VEHICLE SPEED SENSOR (W/AUTO TRANS.)
6 = VEHICLE SPEED SENSOR (W/MANUAL TRANS.)
7 = BACK-UP LAMP SWITCH (W/MANUAL TRANS.)
8 = CANISTER PURGE SOLENOID CONNECTOR



Engine Wiring:







1 = A/C TRANSDUCER CONNECTOR
2 = GENERATOR CONNECTOR
3 = GENERATOR POSITIVE LEAD
4 = OXYGEN SENSOR
5 = BATTERY CABLES
6 = ENGINE HARNESS GROUND LEADS
7 = ENGINE HARNESS RETAINERS
8 = GROUND STUD
9 = A/C COMPRESSOR CONNECTOR
10 = LOW OIL LEVEL LEAD
11 = COOLANT FAN LEAD
12 = COOLANT TEMP CONNECTORS