Operation CHARM: Car repair manuals for everyone.
Manuals through 2025 now available!

Our trusted friends have launched a new website named LEMON, which has newer manuals. It also contains all the CHARM manuals.

LEMON is the spiritual successor to CHARM, I recommend you try it!

Link: lemon-manuals.la or lemon-manuals.org.ua

(Some people have issue connecting. LEMON is investigating. For now, use Firefox or change your DNS server)

Or, hide this message: temporarily or permanently

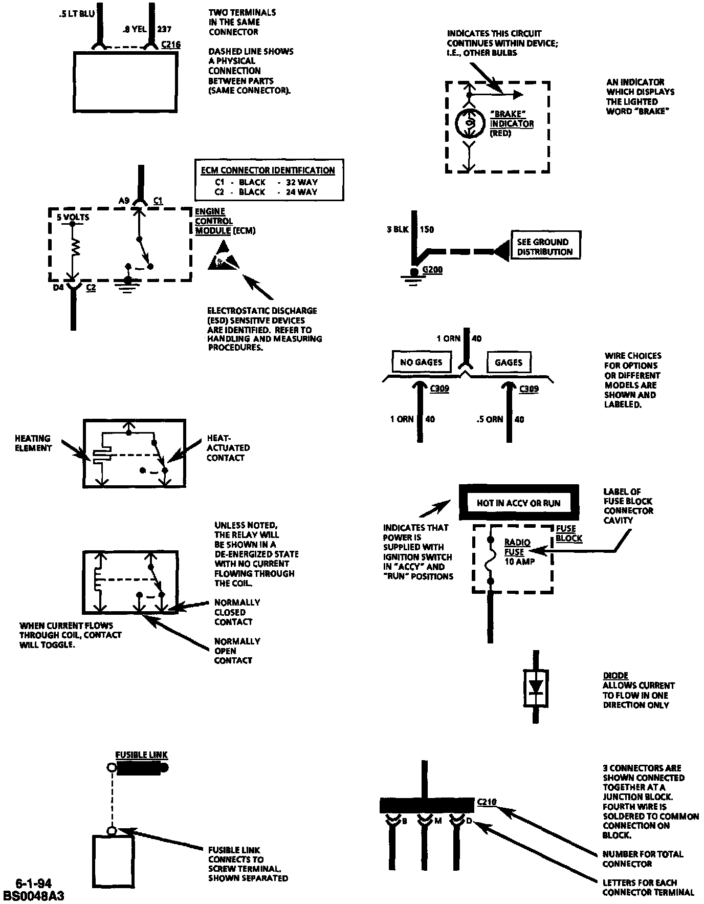
Schematic Symbols


Symbols (1 Of 3):




Symbols (2 Of 3):




Symbols (3 Of 3):






Vacuum Motors operate like electrical solenoids, mechanically pushing or pulling a shaft between two fixed positions. When vacuum is applied, the shaft is pulled in. When no vacuum is applied, the shaft is pushed all the way out by a spring.

Double Diaphragm Motors can he operated by vacuum in two directions. When there is no vacuum, the motor is in the center "at rest" position.

Some Vacuum Motors such as the Servo Motor in the Cruise Control can position the actuating arm at any position between fully extended and fully retracted. The servo is operated by a control valve that applies varying amounts of vacuum to the motor. The higher the vacuum level, the greater the retraction of the motor arm. Servo Motors work like the two position motors; the only difference is in the way the vacuum is applied. Servo Motors are generally larger and provide a calibrated control.