Electronic/Powertrain Control Module (ECM/PCM)
PCM Wiring Diagram:
PA2 = PCM GROUND
PA1 = PCM GROUND
PC13 = PCM GROUND
BD12 = SERIAL DATA
PC9 = IAT SIGNAL
PB2 = SENSOR GROUND
PB9 = MAP SIGNAL
PA3 = +5 VOLT REFERENCE
PD3 = SENSOR SIGNAL
PB1 = SENSOR GROUND
PC10 = ECT SIGNAL
PA4 = +5 VOLT REFERENCE
PB7 = TP SENSOR SIGNAL
PA12 = OXYGEN SENSOR SIGNAL
BC13 = KNOCK SENSOR SIGNAL
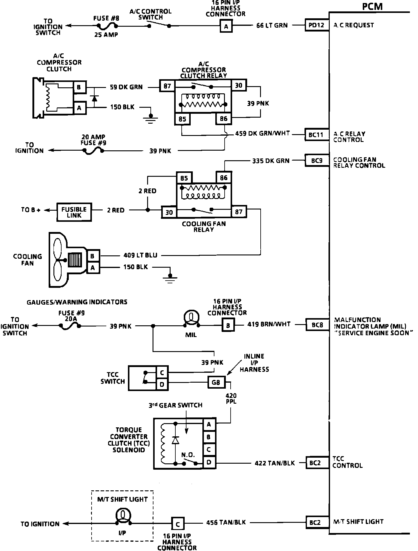
PCM Wiring Diagram:
PD12 = A/C REQUEST
BC11 = A/C RELAY CONTROL
BC9 = COOLING FAN RELAY CONTROL
BC8 = MALFUNCTION INDICATOR LAMP
BC2 = TCC CONTROL
BC2 = M/T SHIFT LIGHT
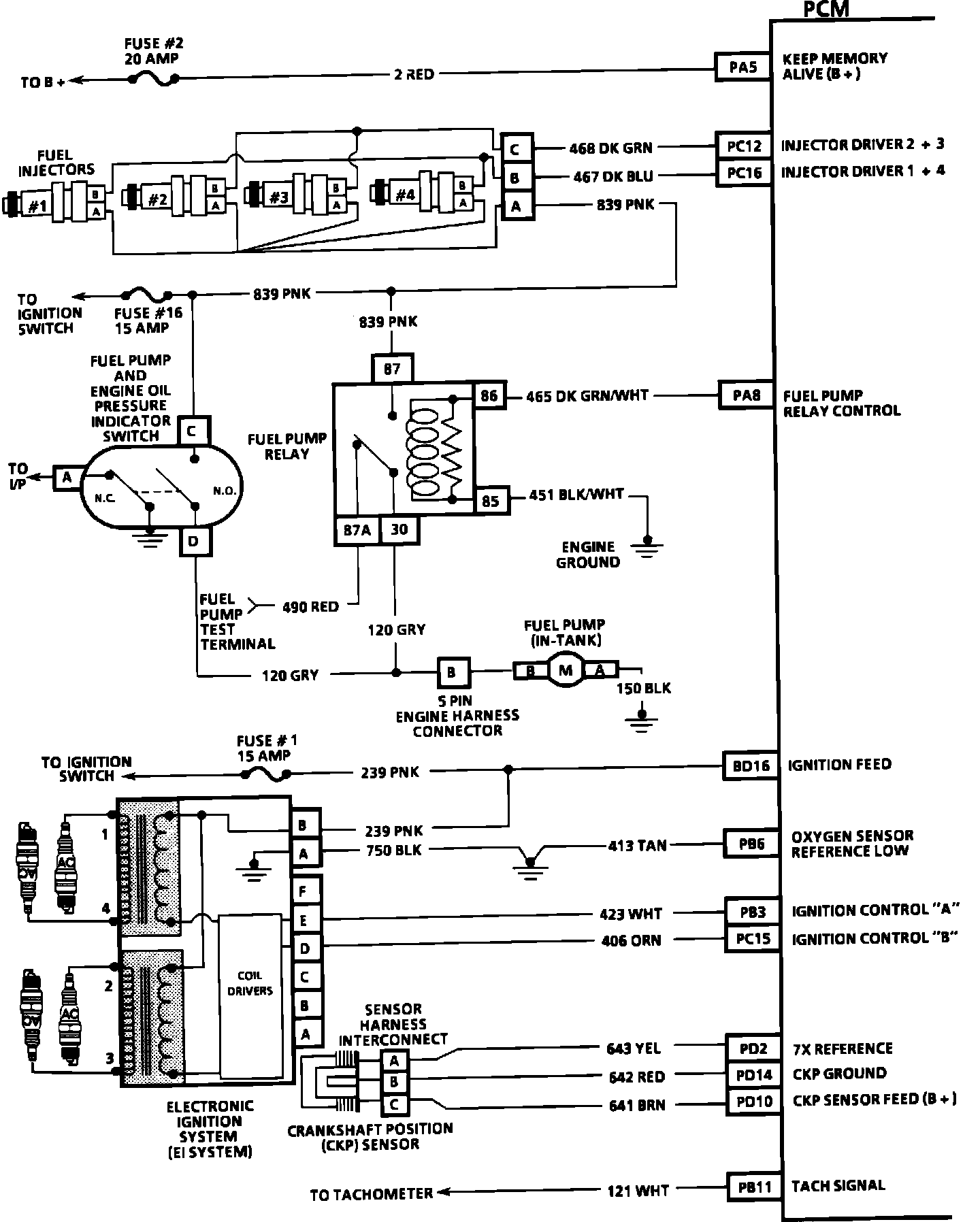
PCM Wiring Diagram:
PA5 = KEEP MEMORY ALIVE (B+)
PC12 = INJECTOR DRIVER 2 & 3
PC16 = INJECTOR DRIVER 1 & 4
PA8 = FUEL PUMP RELAY CONTROL
BD16 = IGNITION FEED
PB6 = OXYGEN SENSOR REFERENCE LOW
PB3 = IGNITION CONTROL "A"
PC15 = IGNITION CONTROL "B"
PD2 = 7X REFERENCE
PD14 = CKP GROUND
PD10 = CKP SENSOR FEED (B+)
PB11 = TACH SIGNAL
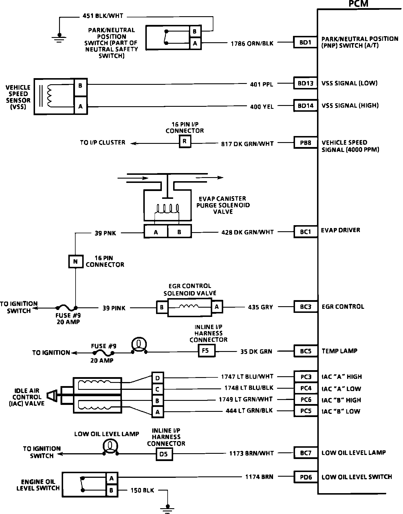
PCM Wiring Diagram:
BD1 = PARK/NEUTRAL POSITION SWITCH (AT)
BD13 = VSS SIGNAL LOW
BD14 = VSS SIGNAL HIGH
PB8 = VEHICLE SPEED SIGNAL (4000 PPM)
BC1 = EVAP DRIVER
BC3 = EGR CONTROL
BC5 = TEMP LAMP
PC3 = IAC "A" HIGH
PC4 = IAC "A" LOW
PC6 = IAC "B" HIGH
PC5 = IAC "B" LOW
BC7 = LOW OIL LEVEL LAMP
PD6 = LOW OIL LEVEL SWITCH