Operation CHARM: Car repair manuals for everyone.
Manuals through 2025 now available!

Our trusted friends have launched a new website named LEMON, which has newer manuals. It also contains all the CHARM manuals.

LEMON is the spiritual successor to CHARM, I recommend you try it!

Link: lemon-manuals.la or lemon-manuals.org.ua

(Some people have issue connecting. LEMON is investigating. For now, use Firefox or change your DNS server)

Or, hide this message: temporarily or permanently

Electronic/Powertrain Control Module (ECM/PCM)

PCM Wiring Diagram:





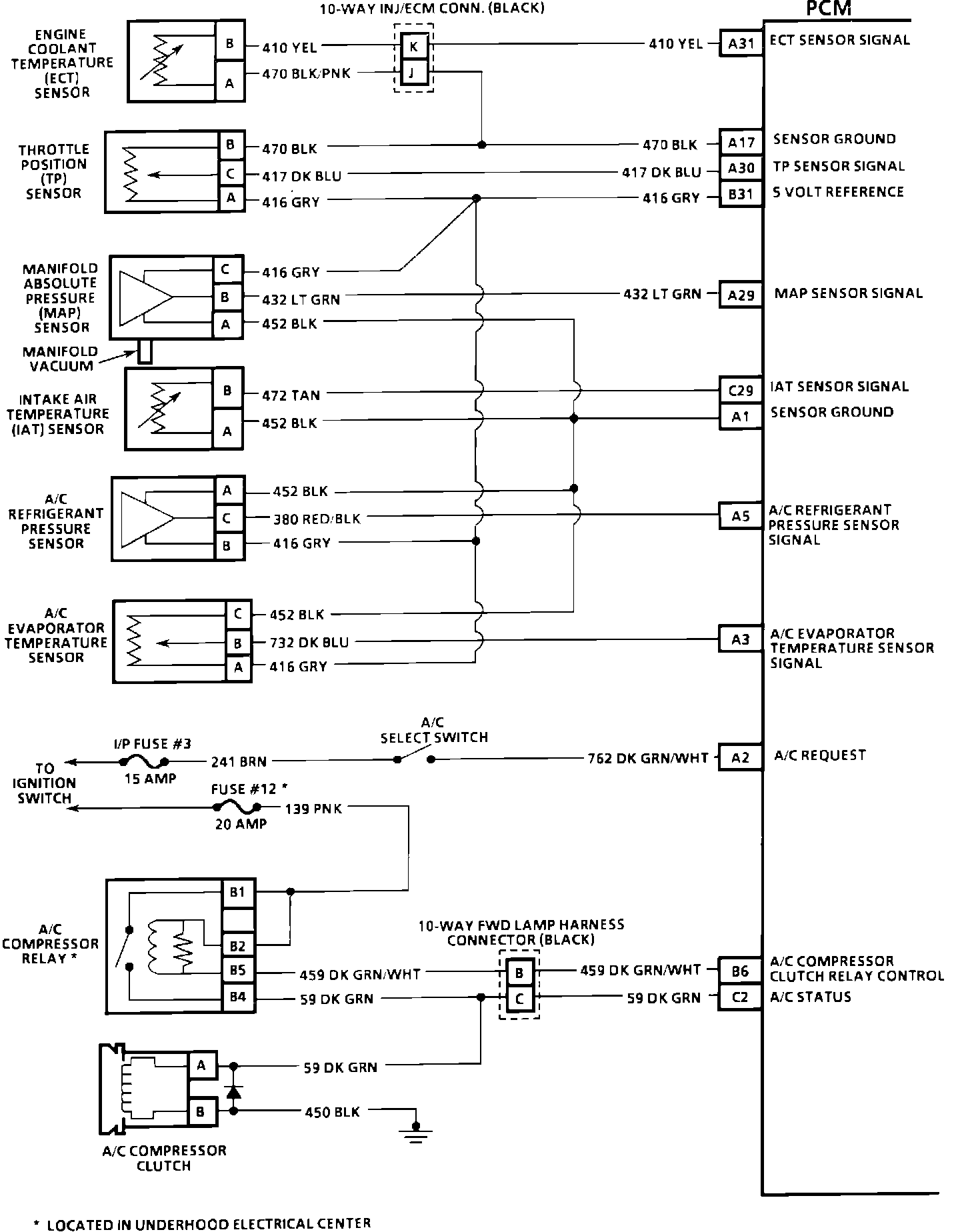
A31 ECT SENSOR SIGNAL
A17 SENSOR GROUND
A30 TP SENSOR SIGNAL
B31 5 VOLT REFERENCE
A29 MAP SENSOR SIGNAL
C29 IAT SENSOR SIGNAL
A1 SENSOR GROUND
A5 A/C REFRIGERANT PRESSURE SENSOR SIGNAL
A3 A/C EVAPORATOR TEMPERATURE SENSOR SIGNAL
A2 A/C REQUEST
B6 A/C COMPRESSOR CLUTCH RELAY CONTROL
C2 A/C STATUS



PCM Wiring Diagram:





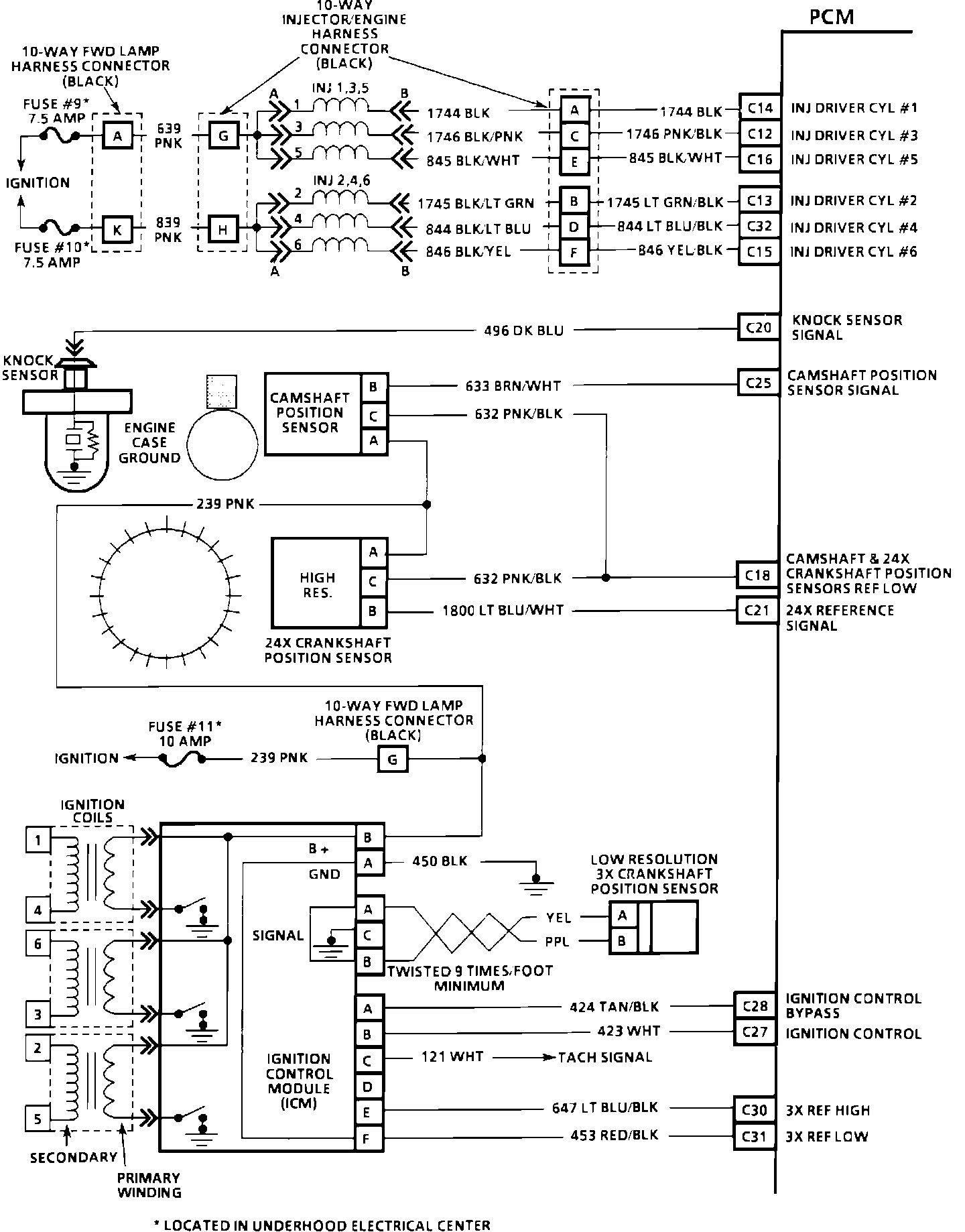
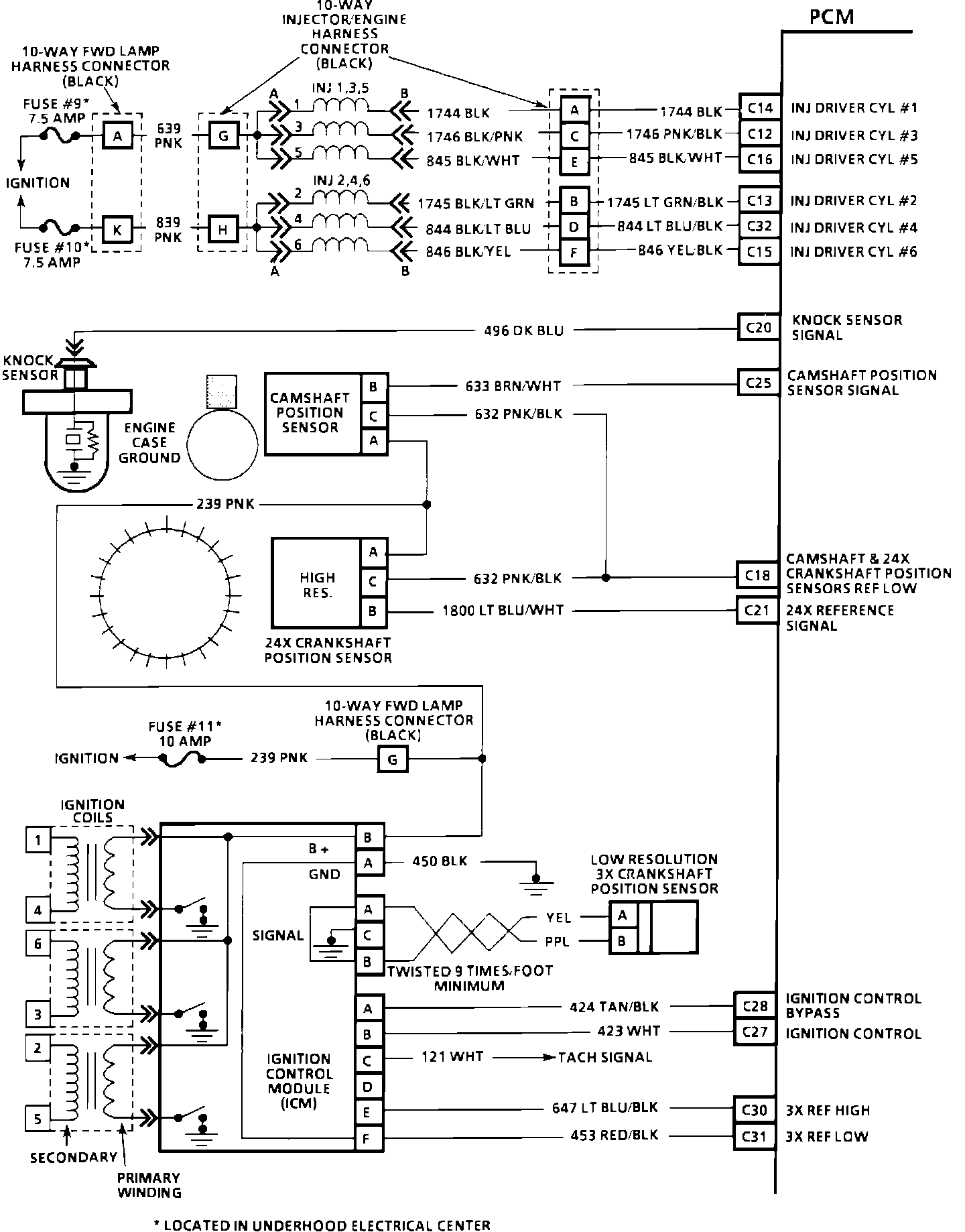
C14 INJECTOR DRIVER CYL #1
C12 INJECTOR DRIVER CYL #3
C16 INJECTOR DRIVER CYL #5
C13 INJECTOR DRIVER CYL #2
C32 INJECTOR DRIVER CYL #4
C15 INJECTOR DRIVER CYL #6
C20 KNOCK SENSOR SIGNAL
C25 CAMSHAFT POSITION SENSOR SIGNAL
C18 CAMSHAFT AND 24X CRANKSHAFT POSITION SENSOR REF LOW
C21 24X REFERENCE SIGNAL
C28 IGNITION CONTROL BYPASS
C27 IGNITION CONTROL
C30 3X REF HIGH
C31 3X REF LOW



PCM Wiring Diagram:





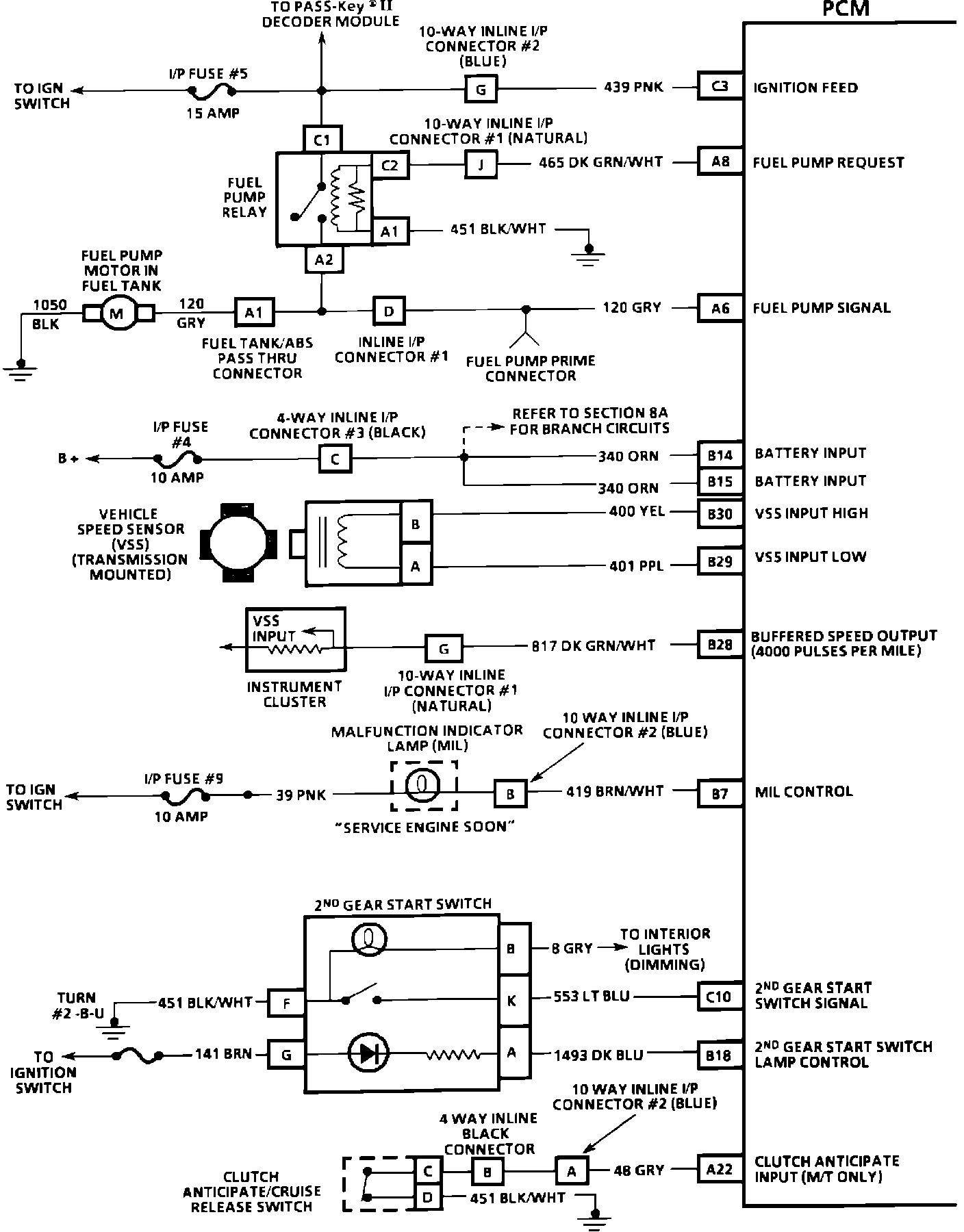
C3 IGNITION FEED
A8 FUEL PUMP REQUEST
A6 FUEL PUMP SIGNAL
B14 BATTERY INPUT
B15 BATTERY INPUT
B30 VSS INPUT HIGH
B29 VSS INPUT LOW
B28 BUFFERED SPEED OUTPUT (4000 PULSES PER MILE)
B7 MIL CONTROL
C10 SECOND GEAR START SWITCH SIGNAL
B18 SECOND GEAR START SWITCH LAMP CONTROL
A22 CLUTCH ANTICIPATE INPUT (M/T ONLY)



PCM Wiring Diagram:





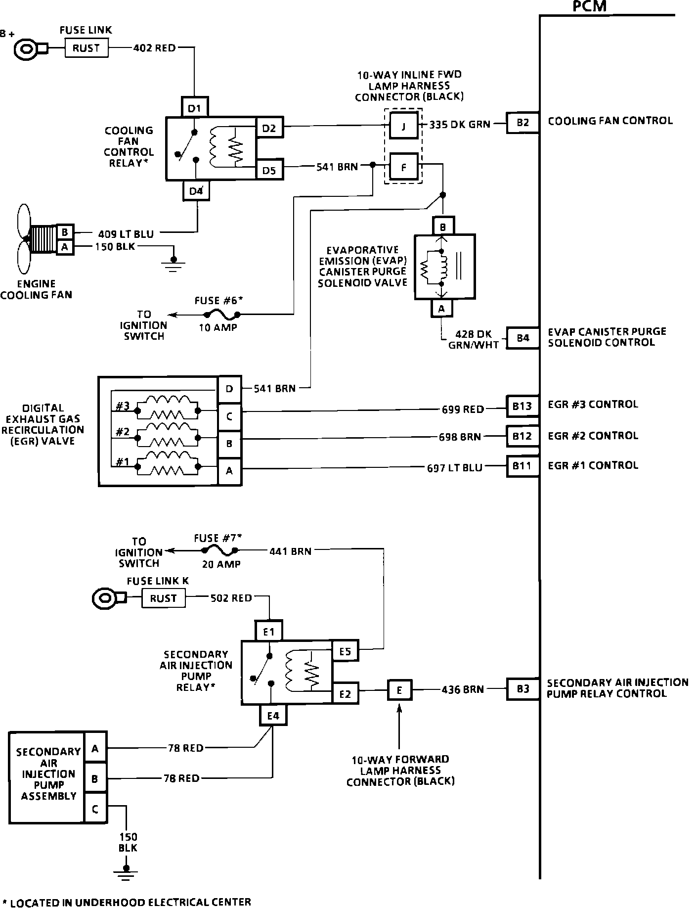
B2 COOLING FAN CONTROL
B4 EVAP CANISTER PURGE SOLENOID CONTROL
B13 EGR #3 CONTROL
B12 EGR #2 CONTROL
B11 EGR #1 CONTROL
B3 SECONDARY AIR INJECTION PUMP RELAY CONTROL



PCM Wiring Diagram:





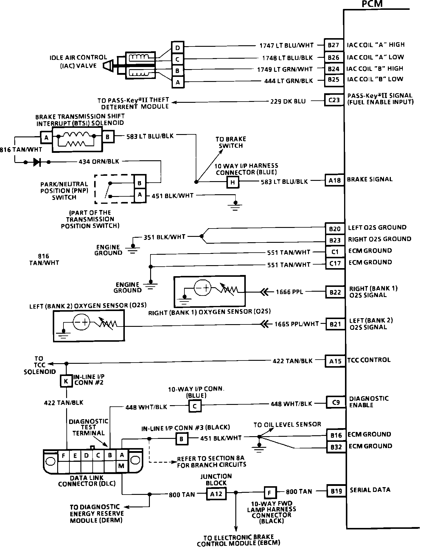
B27 IAC COIL "A" HIGH
B26 IAC COIL "A" LOW
B24 IAC COIL "B" HIGH
B25 IAC COIL "B" LOW
C23 PASS KEYII SIGNAL (FUEL ENABLE INPUT)
A18 BRAKE SIGNAL
B20 LEFT O2S GROUND
B23 RIGHT O2S GROUND
C1 PCM GROUND
C17 PCM GROUND
B22 RIGHT O2S SIGNAL
B21 LEFT O2S SIGNAL
A15 TCC CONTROL
C9 DIAGNOSTIC ENABLE
B16 PCM GROUND
B32 PCM GROUND
B19 SERIAL DATA



PCM Wiring Diagram:





A18 BRAKE SIGNAL
D15 TCC SOLENOID CONTROL
A16 3-2 CONTROL SOLENOID CONTROL
A11 1-2 SHIFT SOLENOID CONTROL
A12 2-3 SHIFT SOLENOID CONTROL
C6 PCS LOW
C5 PCS HIGH
A21 RANGE SIGNAL "A"
A22 RANGE SIGNAL "B"
A23 RANGE SIGNAL "C"
A32 TFT SIGNAL
A17 SENSOR GROUND