Operation CHARM
: Car repair manuals for everyone.
Home
>>
Chevrolet
>>
1994
>>
Lumina V6-204 3.4L DOHC
>>
Repair and Diagnosis
>>
Powertrain Management
>>
Diagrams
>>
Electrical Diagrams
>>
Electronic/Powertrain Control Module (ECM/PCM)
Manuals through 2025 now available!
Our trusted friends have launched a new website named LEMON, which has newer manuals. It also contains all the CHARM manuals.
LEMON is the spiritual successor to CHARM, I recommend you try it!
Link:
lemon-manuals.la
or
lemon-manuals.org.ua
(Some people have issue connecting. LEMON is investigating. For now, use Firefox or change your DNS server)
Or, hide this message:
temporarily
or
permanently
Electronic/Powertrain Control Module (ECM/PCM)
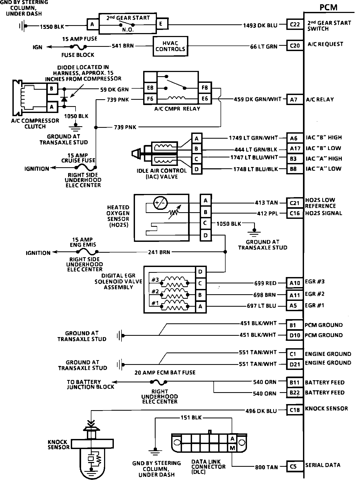
Engine Management Wiring Diagram (1 Of 4):
1 of 4
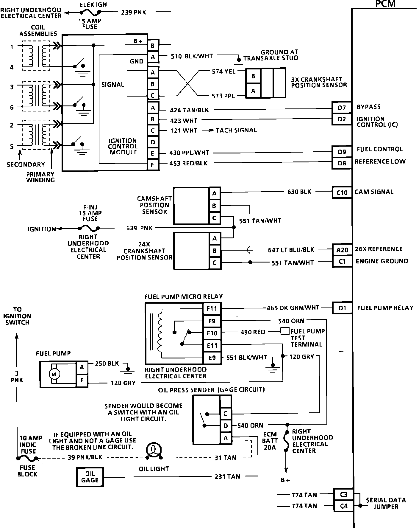
Engine Management Wiring Diagram (2 Of 4):
2 of 4
Engine Management Wiring Diagram (3 Of 4):
3 of 4
Engine Management Wiring Diagram (4 Of 4):
4 of 4