Operation CHARM: Car repair manuals for everyone.
Manuals through 2025 now available!

Our trusted friends have launched a new website named LEMON, which has newer manuals. It also contains all the CHARM manuals.

LEMON is the spiritual successor to CHARM, I recommend you try it!

Link: lemon-manuals.la or lemon-manuals.org.ua

(Some people have issue connecting. LEMON is investigating. For now, use Firefox or change your DNS server)

Or, hide this message: temporarily or permanently

A/C - Compressor/Condenser/Hose Assembly Replacement

FILE IN SECTION: 1 - HVAC

BULLETIN NO.: 56-12-06

DATE: June, 1995

SUBJECT:
Section 1B - Heater, Ventilation and Air Conditioning - Compressor and Condenser Hose Assembly and "Condenser" Replacement Procedures

MODELS:
1995 Chevrolet and GMC Truck M/L Models

This bulletin has been issued to update Section 1B of the 1995 M/L Service Manual (P/N GMT/95-ML-1). The following procedures and art have been updated:

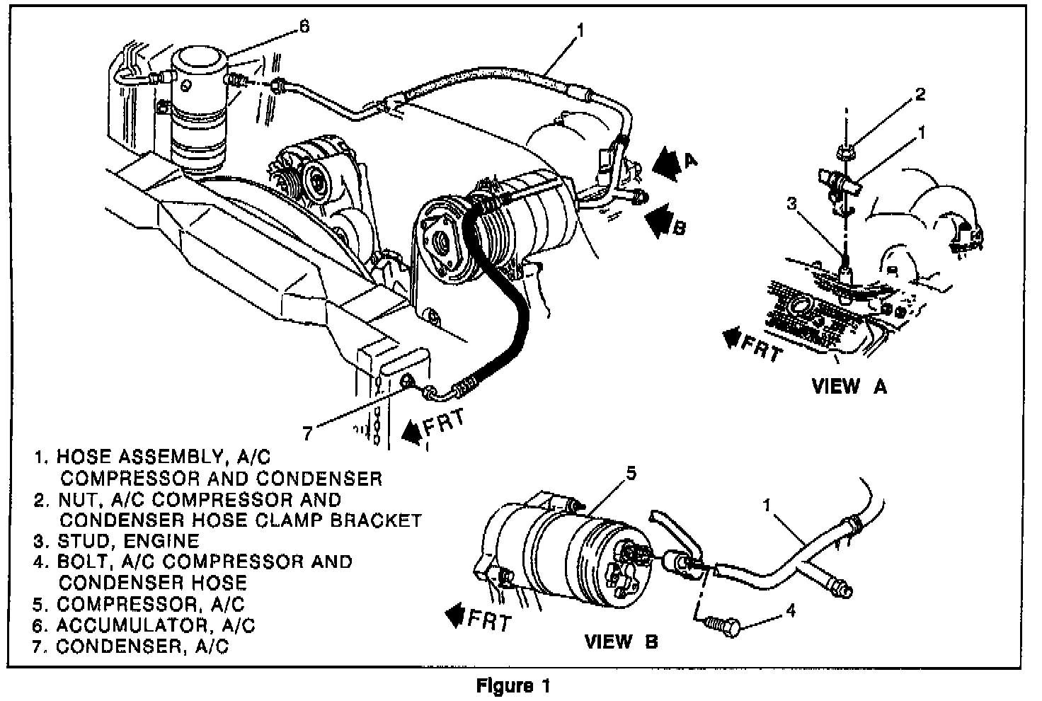
Update "Compressor and Condenser Hose Assembly" R&R procedure located on page 1B-32. Replace Figure 32 on page 1B-33 with Figure 1.

Compressor And Condenser Hose Assembly

Procedure

Remove or Disconnect




Figure 1

1. Discharge and recover refrigerant from the system. Refer to "Refrigerant Recovery" in this section.

2. Grille from vehicle. Refer to SECTION 2B.

3. Auxiliary evaporator tube, if equipped (C69 ONLY).

4. Hose clamp bracket nut from the engine stud (Figure 1).

5. Compressor and condenser hose bolt and washer.

6. Compressor and condenser hose from the compressor.

7. Sealing washers. Refer to "Compressor Sealing Washers" in this section.

8. Compressor and condenser hose from the accumulator.

9. O-ring seal.

10. Compressor and condenser hose from the condenser.

11. O-ring seal.

^ Cap or plug all open connections.

Install or Connect
Figure 1

1. New O-ring seal.

^ Coat O-ring seal with 525 viscosity refrigerant oil.

2. Compressor and condenser hose to the condenser.

Tighten

Tighten hose to 28 Nm (21 lb.ft.).

3. New O-ring seal.

^ Coat O-ring seal with 525 viscosity refrigerant oil.

4. Compressor and condenser hose to the accumulator.

Tighten

Tighten hose to 45 Nm (33 lb.ft.).

5. Sealing washers. Refer to "Compressor Sealing Washers."

6. Compressor and condenser hose to the compressor.

7. Compressor and condenser hose washer and bolt.

Tighten

Tighten bolt to 37 Nm (27 lb.ft.).

8. Hose clamp bracket nut to engine stud.

Tighten

Tighten nut (8) to 13 Nm (115 lb.in.).

9. Auxiliary evaporator tube, if equipped (C69 ONLY).

Tighten

Tighten tube to 47.5 Nm (35 lb.ft.).

10. Grille to vehicle. Refer to SECTION 2B.

11. Refrigerant to the system.

^ Check the system for leaks.

Update "Condenser" R&R procedure located on page 1B-36 as follows.

Condenser

Remove or Disconnect
Figure 1

1. Discharge and recover refrigerant from the system. Refer to "Refrigerant Recovery" in this section.

2. Grille. Refer to SECTION 2B.

3. Compressor and condenser hose from the condenser.

4. Evaporator tube from the condenser.

5. Horn electrical connectors. Refer to SECTION 8D.

6. Two bolts retaining the radiator support from the support assembly.

7. Support from vehicle.

8. Bolts retaining condenser to radiator.

9. Condenser.

Install or Connect
Figure 1

1. Condenser. Refer to "Refrigerant Oil Distribution," if replacing the condenser.

2. Bolts retaining condenser to radiator.

3. Radiator support to vehicle.

4. Two bolts retaining the radiator support to the support assembly.

Tighten

Tighten bolts to 20 Nm (15 lb.ft.).

5. Evaporator tube to the condenser. Refer to "Evaporator Tube."

6. Compressor and condenser hose to the condenser. Refer to "Compressor and Condenser Hose Assembly."

7. Grille. Refer to SECTION 2B.

8. Refrigerant to the system.

^ Check the system for leaks.