Operation CHARM: Car repair manuals for everyone.
Manuals through 2025 now available!

Our trusted friends have launched a new website named LEMON, which has newer manuals. It also contains all the CHARM manuals.

LEMON is the spiritual successor to CHARM, I recommend you try it!

Link: lemon-manuals.la or lemon-manuals.org.ua

(Some people have issue connecting. LEMON is investigating. For now, use Firefox or change your DNS server)

Or, hide this message: temporarily or permanently

Cruise Control Module: Service and Repair

Fig. 34 Front Bumper Facia Lower Deflector Removal:




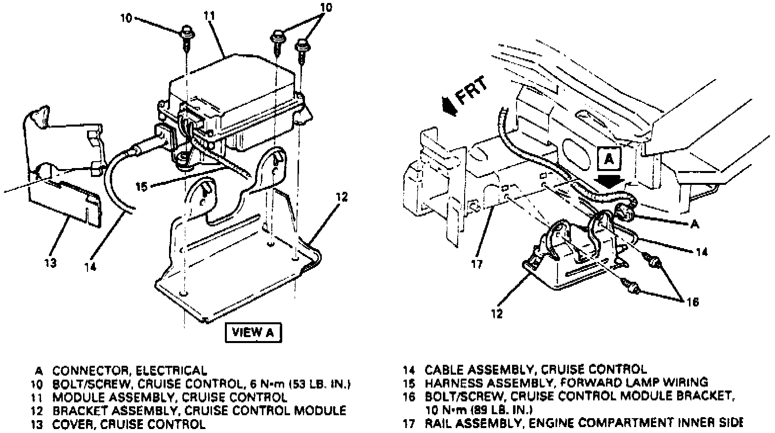
Fig. 35 Cruise Control Module Removal:






1. Remove accelerator control cable splash shield screws and bolts, then splash shield.
2. Remove lefthand front bumper fascia lower deflector, Fig. 34 as follows:
a. Remove retainer, then bolts and screws from front lower deflector and wheel house panel liner.
b. Remove bolts and screws from front lower deflector and radiator air lower deflector.
c. Remove retainers from front lower deflector and radiator lower baffle.
d. Remove front lower deflector by sliding outward from radiator lower deflector and wheel house panel liner.
3. Remove cruise control cover to access connectors, then disconnect electrical connector from cruise control module.
4. Disconnect cruise control cable from module, then remove bolts and screws.
5. Remove module with bracket, Fig. 35, then module from bracket.
6. Reverse procedure to install noting the following:
a. Torque cruise control module to bracket screws and bolts to 53 ft. lbs.
b. Torque cruise control module to left engine compartment inner side rail screws and bolts to 89 ft. lbs.
c. Torque radiator air lower deflector and front lower deflector screws and bolts to 49 ft. lbs.
d. Torque accelerator cable splash shield screws and bolts to 17 ft. lbs.