Operation CHARM: Car repair manuals for everyone.
Manuals through 2025 now available!

Our trusted friends have launched a new website named LEMON, which has newer manuals. It also contains all the CHARM manuals.

LEMON is the spiritual successor to CHARM, I recommend you try it!

Link: lemon-manuals.la or lemon-manuals.org.ua

(Some people have issue connecting. LEMON is investigating. For now, use Firefox or change your DNS server)

Or, hide this message: temporarily or permanently

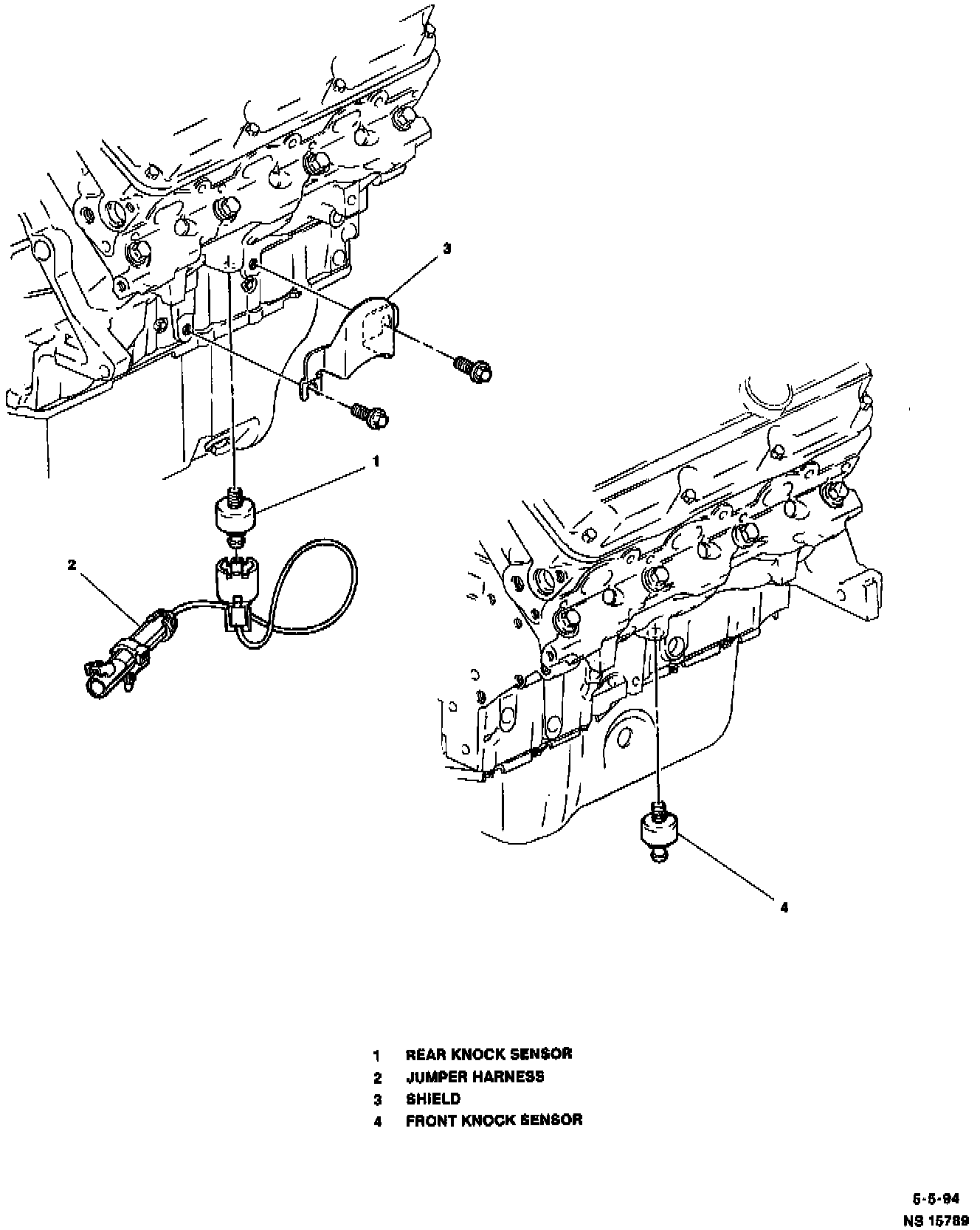
Knock Sensor (KS)

Knock Sensors:






REMOVE OR DISCONNECT
1. Negative battery cable.
2. Raise vehicle.
3. Drain cooling system.
4. Remove knock sensor heat shield mounting bolt located under freeze plug (or block heater if equipped).
5. Knock sensor wiring harness connector from knock sensor.

WARNING: Engine coolant may be hot. Although cooling system has been drained, coolant still remains in engine water jacket. This coolant will drain when knock sensor is removed.

6. Knock sensor from engine block.

INSTALL OR CONNECT

CAUTION: Do Not apply thread sealant to sensor threads. Sensor is coated at factory and applying additional sealant will affect the sensor's ability to detect detonation.

1. Knock sensor into engine block. Tighten Knock sensor to 19 Nm (14 ft lb).
2. Knock sensor heat shield mounting bolt located under freeze plug (or block heater if equipped).
3. Knock sensor wiring harness connector to the knock sensor
4. Lower vehicle.
5. Fill cooling system.