Operation CHARM: Car repair manuals for everyone.
Manuals through 2025 now available!

Our trusted friends have launched a new website named LEMON, which has newer manuals. It also contains all the CHARM manuals.

LEMON is the spiritual successor to CHARM, I recommend you try it!

Link: lemon-manuals.la or lemon-manuals.org.ua

(Some people have issue connecting. LEMON is investigating. For now, use Firefox or change your DNS server)

Or, hide this message: temporarily or permanently

Pictoral Views

Back Of Engine:






1 VEHICLE SPEED SENSOR (AUTO TRANS)
2 DETONATION SENSOR CONNECTOR
3 ENGINE HARNESS TO GENERATOR
4 BRACE
5 DIGITAL CRANK POSITION SENSOR
6 CONNECTOR, ELECTRONIC COIL & MODULE ASM.
7 SWITCH, OIL PRESSURE
8 CONNECTOR, CANISTER PURGE SOLENOID
9 TUBE. TRANSAxLE OIL
10 VEHICLE SPEED SENSOR (MANUAL TRANS)


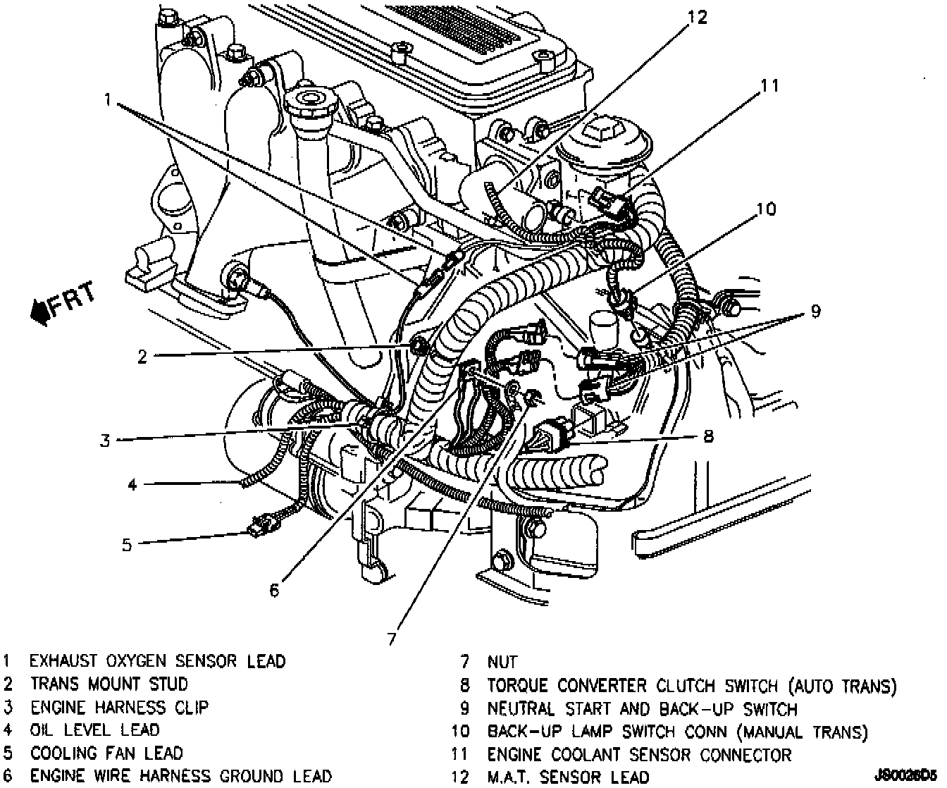
Left Of Engine:






1 EXHAUST OXYGEN SENSOR LEAD
2 TRANS MOUNT STUD
3 ENGINE HARNESS CLIP
4 OIL LEVEL LEAD
5 COOLING FAN LEAD
6 ENGINE WIRE HARNESS GROUND LEAD
7 NUT
8 TORQUE CONVERTER CLUTCH SWITCH (AUTO TRANS)
9 NEUTRAL START AND BACK-UP SWITCH
10 BACK-UP LAMP SWITCH CONN (MANUAL TRANS)
11 ENGINE COOLANT SENSOR CONNECTOR
12 M.A.T. SENSOR LEAD


Wire Harness To A/C And Generator:







1 ENGINE WIRING HARNESS CLIP
2 A/C COMPRESSOR CONNECTOR
3 A/C COMPRESSOR
4 GENERATOR LEAD
5 GENERATOR GROUND LEAD
6 NUT
7 ENGINE WIRING HARNESS


Starter Wire Harness:







1 NUT
2 STARTER SOLENOID LEAD
3 SYSTEM VOLTAGE LEAD
4 STARTER MOTOR
5 POSITIVE BATTERY CABLE
6 NUT



Top Of Engine:






1 CONNECTOR, IDLE SPEED CONTROL
2 CONNECTOR, EXHAUST CAS RECIRCULATION
3 SOLENOID
4 CONNECTOR, THROTTLE POSITION SENSOR
5 SENSOR, MANIFOLD ABSOLUTE PRESSURE


Harness To Cooling Fans And Transmission:







1 COOLING FAN SHROUD
2 FROM ENGINE WIRING HARNESS
3 BACK-UP LAMP CONN. (MANUAL)
4 ENGINE HARNESS (MANUAL)
5 ENGINE MOUNT BRACKET (MANUAL)
6 T.C.C. CONNECTOR (AUTO TRANS)


Rear Of Engine:







1 HEATER PIPE
2 ENGINE WIRING HARNESS CLIP


Engine Wiring Harness:







1 INTAKE AIR TEMP SENSOR CONNECTOR
2 OIL LEVEL CONNECTOR
3 BOLT
4 BRACKET
5 ENGINE WIRING HARNESS CLIP