Operation CHARM: Car repair manuals for everyone.
Manuals through 2025 now available!

Our trusted friends have launched a new website named LEMON, which has newer manuals. It also contains all the CHARM manuals.

LEMON is the spiritual successor to CHARM, I recommend you try it!

Link: lemon-manuals.la or lemon-manuals.org.ua

(Some people have issue connecting. LEMON is investigating. For now, use Firefox or change your DNS server)

Or, hide this message: temporarily or permanently

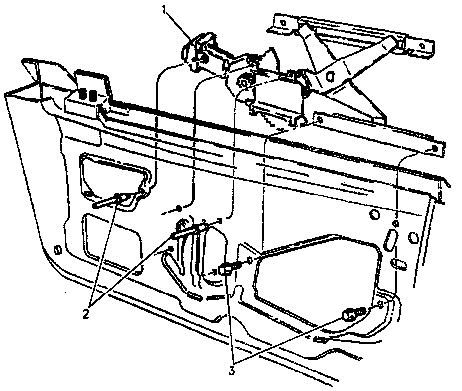
Window Regulator Assembly

WINDOW REGULATOR ASSEMBLY

Window Regulator Assembly:




Door Window Glass And Guides:






REMOVE OR DISCONNECT
1. Screw and door upper front panel.
2. Mirror patch filler.
3. Trim panel.
4. Water deflector. Peel away from door inner panel as necessary.

CAUTION: When it is necessary to operate the drivers side window during repairs, the power window may lock into the express down mode causing the window to lower fully without stopping even though the switch has been released. Failure to exercise caution around the regulator assembly when operating the switch may result in personal injury and/or regulator damage.

5. Loosen nuts (5) enough to allow door glass removal from regulator and secure door glass.
6. Power window regulator wire connector if equipped.

CAUTION: Eye protection must be worn when drilling rivets to reduce the chance of personal injury.

7. Rivets (2), by punching out center pins and then drilling out rivets using a 3/16 inch drill bit.
8. Screws (3).
9. Window regulator assembly (1) through door inner panel access hole.

CLEAN
^ Rivet debris from bottom of door.

INSTALL OR CONNECT
1. Window regulator assembly (1) through door inner panel access hole.
2. Screws (3). Add Loctite (242 or equivalent) to screw threads.
3. Rivets (2) (0.187 x 0.14) to attach window regulator assembly (1) to door inner panel.
4. Power window regulator wire connector if equipped.
5. Nuts (5) to attach door window glass.

TIGHTEN
^ Nuts (5) to 6 N.m (53 lb in).

INSPECT
^ Window regulator assembly operation.
^ Door window glass for proper aligN.ment.

6. Water deflector.
7. Trim panel.
8. Mirror patch filler.
9. Door upper front panel and screw.