Operation CHARM: Car repair manuals for everyone.
Manuals through 2025 now available!

Our trusted friends have launched a new website named LEMON, which has newer manuals. It also contains all the CHARM manuals.

LEMON is the spiritual successor to CHARM, I recommend you try it!

Link: lemon-manuals.la or lemon-manuals.org.ua

(Some people have issue connecting. LEMON is investigating. For now, use Firefox or change your DNS server)

Or, hide this message: temporarily or permanently

Electrical Diagrams

PCM Wiring Diagram (1 Of 4):





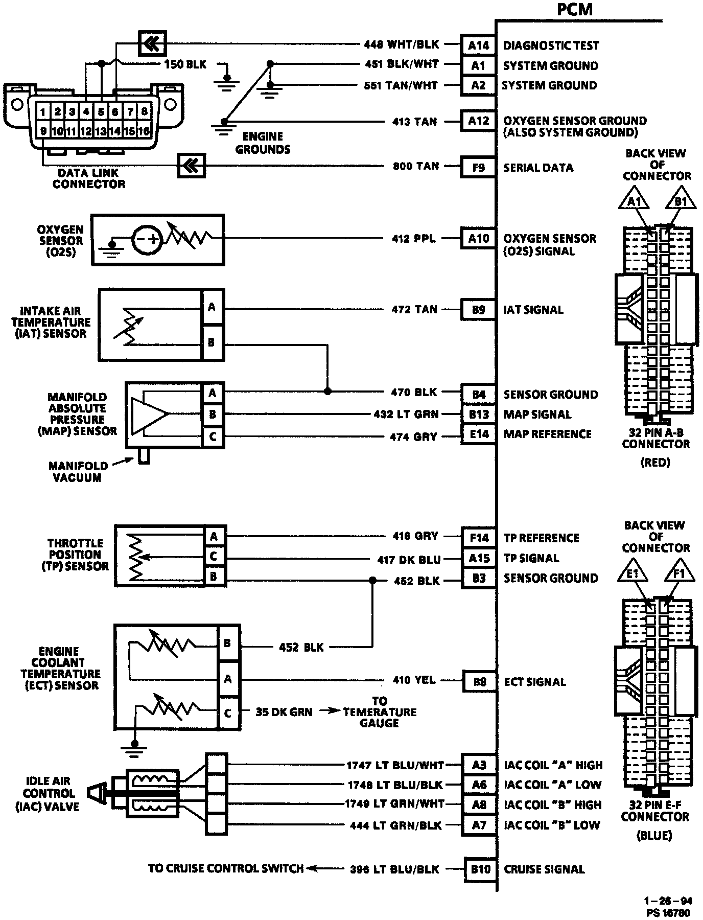
A14 - Diagnostic Test
A1 - System Ground
A2 - System Ground
A12 - Oxygen Sensor Ground (Also System Ground)
F9 - Serial Data
A10 - Oxygen Sensor Signal
B9 - IAT Signal
B4 - Sensor Ground
B13 - MAP Signal
E14 - MAP Reference
F14 - TP Reference
A15 - TP Signal
B3 - Sensor Ground
B8 - ECT Signal
A3 - IAC Coil "A" High
A6 - IAC Coil "A" Low
A8 - IAC Coil "B" High
A7 - IAC Coil "B" Low
B10 - Cruise Signal



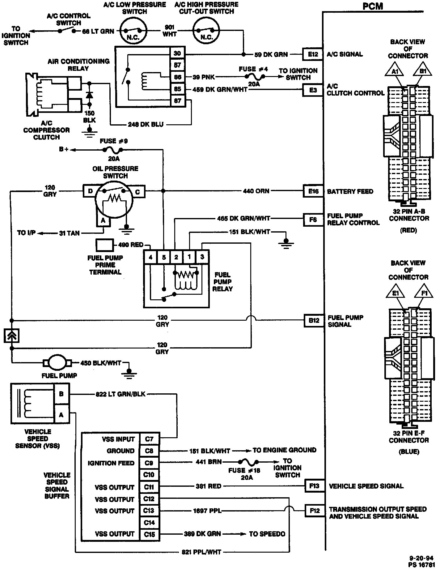
PCM Wiring Diagram (2 Of 4):





E12 - A/C Signal
E3 - A/C Compressor Clutch Control
E16 - Battery Feed
F6 - Fuel Pump Relay Control
B12 - Fuel Pump Signal
F13 - Vehicle Speed Signal
F12 - Transmission Output Speed and Vehicle Speed Signal



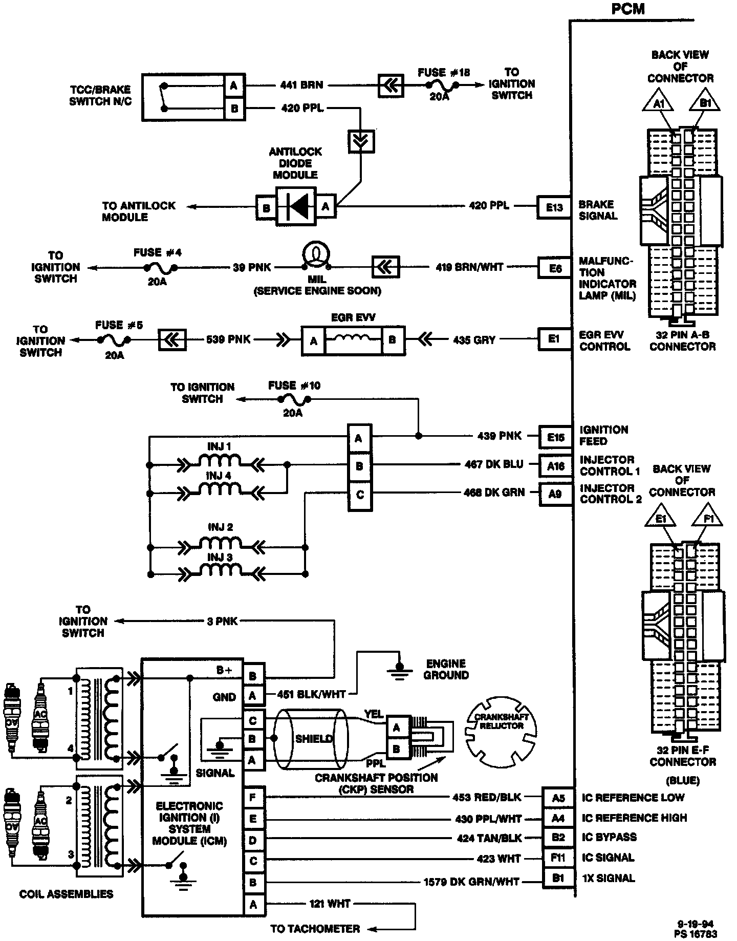
PCM Wiring Diagram:





E13 - Brake Signal
E6 - Malfunction Indicator Lamp (MIL)
E1 - EGR EVV Control
E15 - Ignition Feed
A16 - Injection Control 1
A9 - Injection Control 2
A5 - IC Reference Low
A4 - IC Reference High
B2 - IC Bypass
F11 - IC Signal
B1 - 1X Signal



PCM Wiring Diagram (4 Of 4):





F11 - PWM TCC Solenoid Control
E10 - TCC Solenoid Control
E2 - 3-2 Solenoid Control
E9 - 1-2 Shift Solenoid Signal
E8 - 2-3 Shift Solenoid Control
F7 - PCS "Low"
F10 - PCS "High"
F1 - Range Signal "A"
E4 - Range Signal "B"
E5 - Range Signal "C"
B5 - TFT Signal
B4 - Sensor Ground