Operation CHARM: Car repair manuals for everyone.
Manuals through 2025 now available!

Our trusted friends have launched a new website named LEMON, which has newer manuals. It also contains all the CHARM manuals.

LEMON is the spiritual successor to CHARM, I recommend you try it!

Link: lemon-manuals.la or lemon-manuals.org.ua

(Some people have issue connecting. LEMON is investigating. For now, use Firefox or change your DNS server)

Or, hide this message: temporarily or permanently

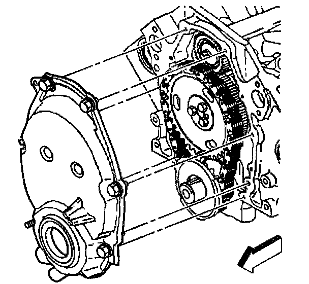
Engine Front Cover Installation





1. Install the NEW engine front cover.

IMPORTANT: Once the composite engine front cover is removed DO NOT reinstall the engine front cover. Always install a NEW engine front cover.

2. Install the engine front cover bolts.
^ Tighten the bolts to 12 Nm (106 inch lbs.).

NOTICE: Refer to Fastener Notice in Service Precautions.





3. Lubricate the NEW crankshaft position sensor seal (O-ring) with clean engine oil.

IMPORTANT: DO NOT reuse the original crankshaft position sensor seal (0-ring). When installing the crankshaft position sensor be sure the crankshaft position sensor is fully seated and held stationary in the engine front cover crankshaft position sensor bore. A crankshaft position sensor that is not completely seated will cock in the engine front cover and may result in erratic engine operation.

4. Install the NEW crankshaft position sensor seal (O-ring) onto the crankshaft position sensor.





5. Install crankshaft position sensor.
6. Install crankshaft position sensor bolt.
^ Tighten the crankshaft position sensor bolt to 8 Nm (71 inch lbs.).