Operation CHARM: Car repair manuals for everyone.
Manuals through 2025 now available!

Our trusted friends have launched a new website named LEMON, which has newer manuals. It also contains all the CHARM manuals.

LEMON is the spiritual successor to CHARM, I recommend you try it!

Link: lemon-manuals.la or lemon-manuals.org.ua

(Some people have issue connecting. LEMON is investigating. For now, use Firefox or change your DNS server)

Or, hide this message: temporarily or permanently

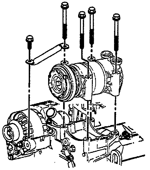
Compressor Replacement

Compressor Mounting:






REMOVE OR DISCONNECT
1. Negative battery cable.
2. Discharge and recover refrigerant from the system.
3. Electrical connectors.
4. Engine cover.
5. Drive belt.
6. Oil filler tube.
7. Compressor and condenser hose assembly.
8. Compressor brace bolts and nuts.
9. Compressor brace.
10. Compressor bolts.
11. Compressor.
^ Drain and measure compressor oil.

INSTALL OR CONNECT
1. Compressor. Refer to Refrigerant Oil Distribution, if replacing the compressor. Capacity Specifications
2. Compressor bolts.
^ Tighten bolts to 50 N.m (37 lb. ft.).
3. Compressor braces.
4. Compressor brace bolts.
^ Tighten bolt at compressor to 50 N.m (37 lb. ft.).
^ Tighten bolt at generator bracket 25 N.m (18 lb. ft.).
5. Compressor and condenser hose assembly.
6. Oil filler tube.
7. Drive belt.
8. Engine cover.
9. Electrical connectors.
10. Negative battery cable.
11. Refrigerant to the system.
^ Check the system for leaks.