Electronic Brake Control Module: Service and Repair
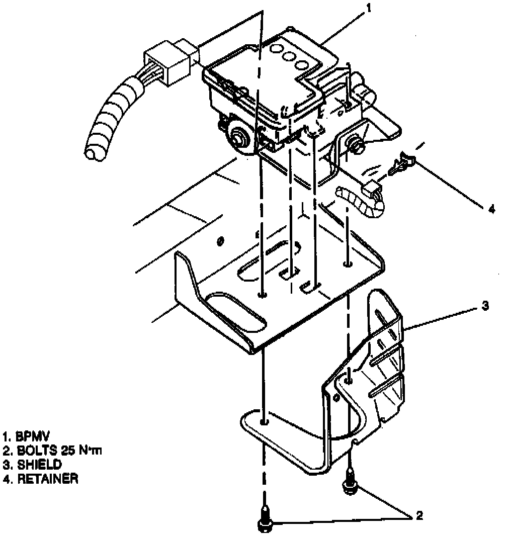
Fig. 227 EBCM Mounting.:
1. Disconnect battery ground cable, then raise and support vehicle.
2. Remove bolts securing shield (if equipped) and BPMV to EHCU mounting bracket, Fig. 227, then disconnect (EBCM) Electronic Brake Control Module electrical connectors.
3. Remove Torx bolts securing EBCM to BPMV, then separate EBCM from BPMV.
Do not pry on components to separate.
4. Reverse procedure to install, noting the following:
a. Install a new EBCM gasket and mounting bolts.
Do not use any gasket sealant.
b. Torque EBCM to BPMV bolts to 39 inch lbs. in a crisscross pattern.
c. Torque BPMV and shield bolts to 7 ft. lbs.