Operation CHARM: Car repair manuals for everyone.
Manuals through 2025 now available!

Our trusted friends have launched a new website named LEMON, which has newer manuals. It also contains all the CHARM manuals.

LEMON is the spiritual successor to CHARM, I recommend you try it!

Link: lemon-manuals.la or lemon-manuals.org.ua

(Some people have issue connecting. LEMON is investigating. For now, use Firefox or change your DNS server)

Or, hide this message: temporarily or permanently

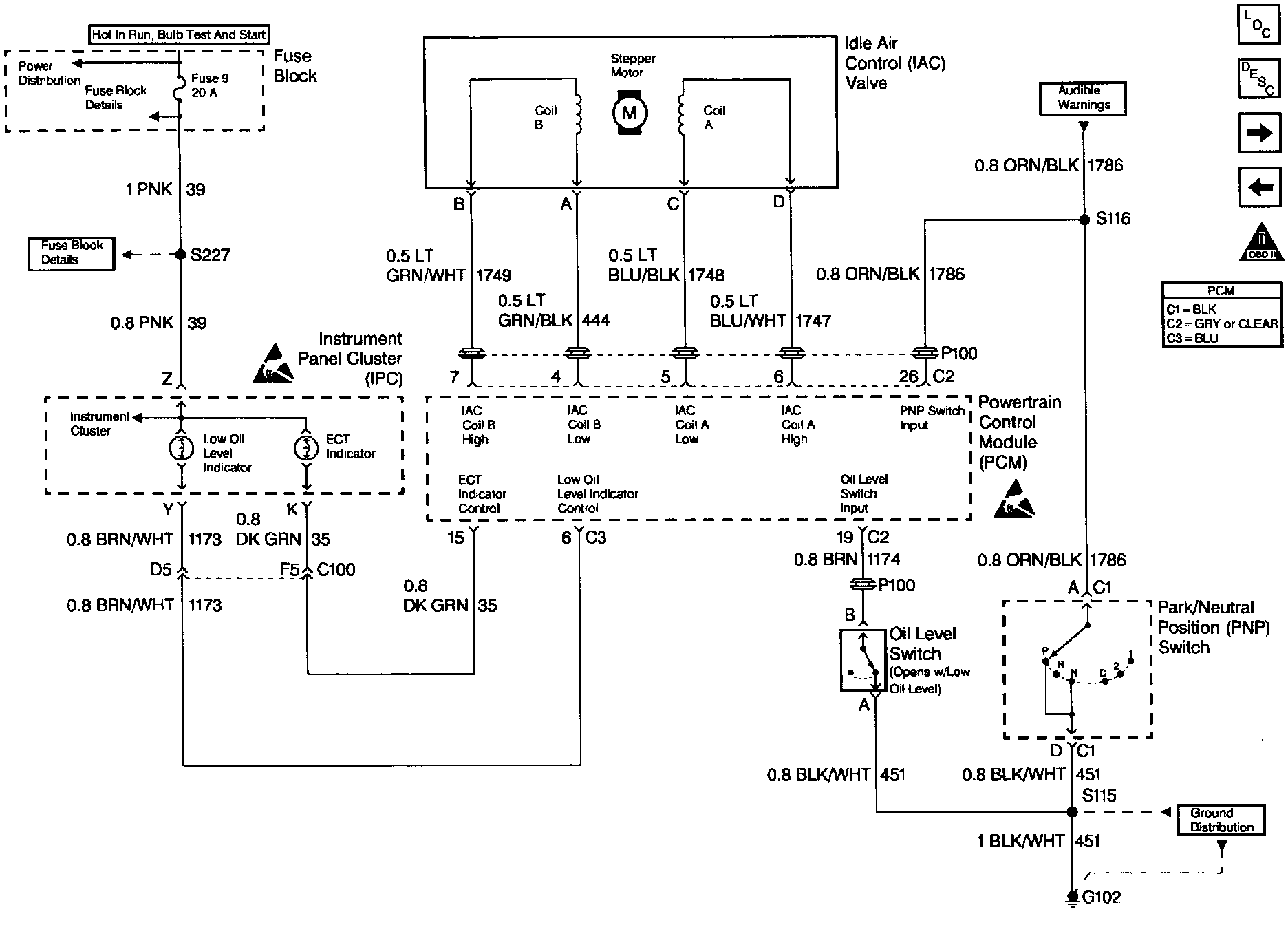
Oil Level Input

PCM Controlled Warning Lamps Diagnosis (Oil Level Input [1 Of 2]):




PCM Controlled Warning Lamps Diagnosis (Oil Level Input [2 Of 2]):




Engine Controls (IAC Valve, PNP, And Oil Level Switch):







CIRCUIT DESCRIPTION

A Check Oil telltale lamp is located on the Instrument Panel Cluster (IPC). The lamp will illuminate whenever a low engine oil level condition is detected by the engine oil level switch.

The engine oil level switch is a static style switch. The switch can only determine oil level when the engine is not running. The engine oil level switch contacts are closed whenever the engine oil level is OK. Whenever the oil level falls below a certain level, the contacts inside the oil level switch will open.

The PCM first checks the engine oil level when the ignition is OFF. The PCM will then wait for 10 minutes after the ignition has been turned OFF before determining the engine oil level. This will allow enough time for the oil to drain back into the oil pan. When the ignition is turned ON, and a low oil level condition still exists, the PCM will then send a signal to the IPC to illuminate the Check Oil telltale lamp. Once the ignition is cycled OFF, the PCM will wait for another 10 minute cycle before telling the IPC to illuminate the Check Oil telltale lamp. The PCM will check the engine oil level only once per ignition OFF and once per ignition ON cycle.

The Check Oil lamp will illuminate when:

^ The ignition OFF logic has detected low engine oil level condition.

^ The ignition has been OFF for 10 minutes.

^ The ignition ON logic has detected low engine oil level condition.

^ All the above conditions have been satisfied.

DIAGNOSTIC AIDS

^ The IPC will illuminate the Check Oil lamp for 3 seconds when the ignition is turned ON to check the bulb. If the Check Oil lamp does not illuminate for 3 seconds and then go out, or is illuminated continuously after several key ON cycles less than 10 minutes apart, refer to Instrument Panel.

^ An Intermittent problem may be caused by a poor connection, rubbed through wire insulation, or a wire that is broken inside the insulation.

^ Any circuitry, that is suspected as causing the intermittent complaint, should be thoroughly checked for the following conditions:

- Backed out terminals

- Improper mating

- Broken locks

- Damage to the wiring harness


TEST DESCRIPTION

Number(s) below refer to the step number(s) on the Diagnostic Table.

1. The Powertrain OBD System Check prompts the technician to store the Freeze Frame Data in the scan tool. This will create an electronic copy of the freeze frame data taken when the fault occurred that can be referred to later.

2. With the ignition switch turned ON and with the engine OFF, the PCM should ground CKT 1173 and illuminate the Low Oil Level Lamp.

5. With the engine running the Low Oil Level Lamp should be OFF.

12. Disconnect the Low Oil Level switch simulates a low oil level conditions.

17. The replacement PCM must be reprogrammed. Refer to the latest Techline procedures for PCM Reprogramming.