Operation CHARM: Car repair manuals for everyone.
Manuals through 2025 now available!

Our trusted friends have launched a new website named LEMON, which has newer manuals. It also contains all the CHARM manuals.

LEMON is the spiritual successor to CHARM, I recommend you try it!

Link: lemon-manuals.la or lemon-manuals.org.ua

(Some people have issue connecting. LEMON is investigating. For now, use Firefox or change your DNS server)

Or, hide this message: temporarily or permanently

EGR Valve: Service and Repair

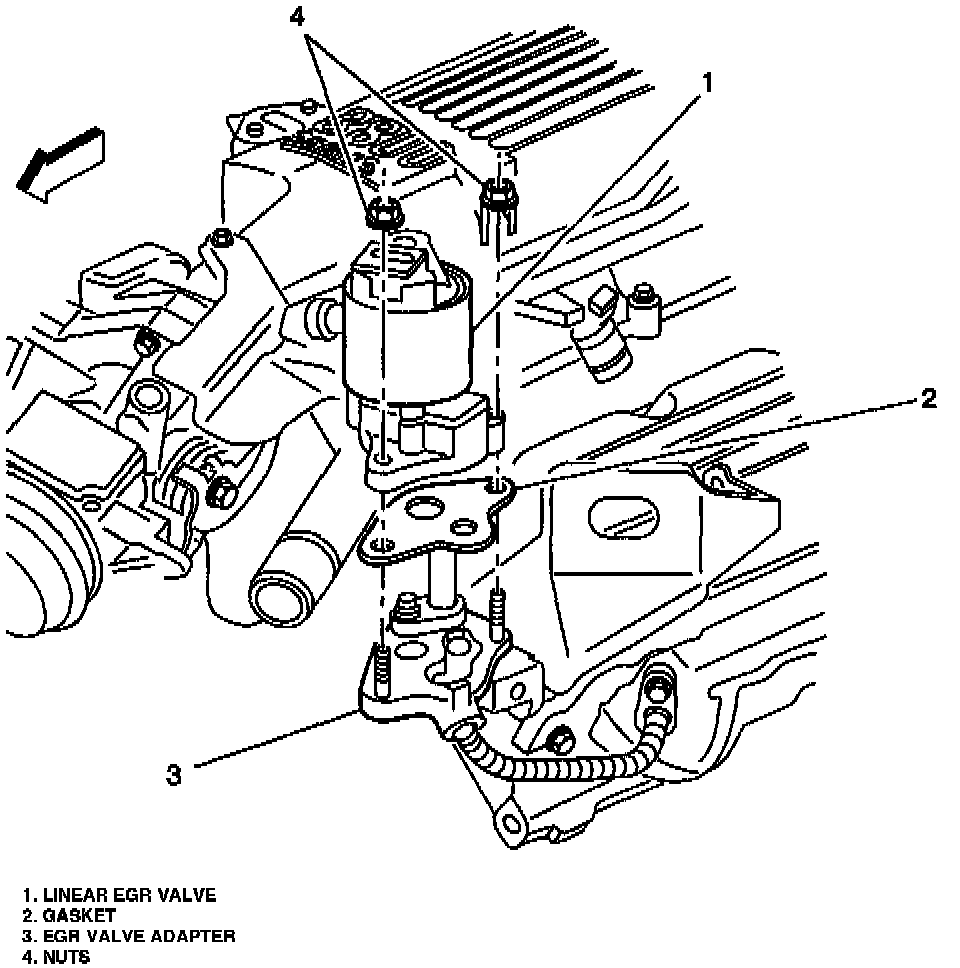
Figure C7-2 - EGR Valve Mounting:






REMOVE OR DISCONNECT
1. Electrical connector at EGR valve.
2. Two base to flange nuts and linear EGR valve assembly.

INSTALL
1. Linear EGR valve assembly - two nuts, tighten to 30 Nm (22 ft lb).
2. Electrical connector.