Operation CHARM: Car repair manuals for everyone.
Manuals through 2025 now available!

Our trusted friends have launched a new website named LEMON, which has newer manuals. It also contains all the CHARM manuals.

LEMON is the spiritual successor to CHARM, I recommend you try it!

Link: lemon-manuals.la or lemon-manuals.org.ua

(Some people have issue connecting. LEMON is investigating. For now, use Firefox or change your DNS server)

Or, hide this message: temporarily or permanently

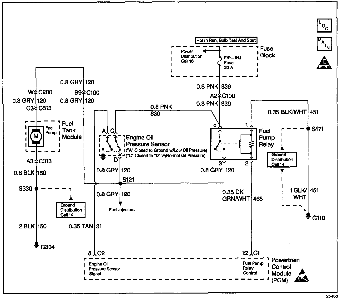
Circuit Diagnosis - Fuel Pump Relay

Diagnostic Chart:




Diagnostic Chart:




Diagnostic Chart:




Diagnostic Chart:




Wiring Diagram:





CIRCUIT DESCRIPTION

When the ignition switch is turned ON, the Powertrain Control Module (PCM) turns ON the in-tank fuel pump. It will remain ON as long as the PCM is receiving ignition reference pulses from the electronic Ignition Control Module (ICM). If there are no reference pulses, the PCM will shut OFF the fuel pump about 2-3 seconds after the ignition is turned ON, about 10 seconds after the reference pulses stop. If sufficient oil pressure is present to close the oil pressure switch, the fuel pump will remain ON during cranking without reference pulses.

The fuel pump delivers fuel to the fuel rail and fuel injectors, then to the fuel pressure regulator, where the system pressure is controlled to 283-324 kPa (41-47 psi) with no manifold vacuum or 214-303 kPa (31-44 psi) at idle. Excess fuel is then returned to the fuel tank.

Improper fuel system pressure will result in one or all of the following symptoms:

^ Cranks but will not run.
^ DTC P0171.
^ DTC P0172.
^ DTC P1171.
^ DTC P0300.
^ Cuts out, may feel like an ignition problem.
^ Poor fuel economy, loss of power. Hesitation.

DIAGNOSTIC AIDS

The fuel pump control circuit includes an engine oil pressure switch with a separate set of normally open contacts. The switch closes at about 28 C.P.A. (4 psi) of oil pressure and provides a second battery feed path to the fuel pump. If the fuel pump relay is inoperative, the fuel pump will continue to run using the battery feed supplied by the closed oil pressure switch.

An inoperative fuel pump relay will result in extended engine crank time because of the time required to build enough oil pressure to close the oil pressure switch and turn ON the fuel pump. There may be instances when the fuel pump relay is inoperative, but the engine will not crank fast enough to build enough oil pressure to close the switch. This or a inoperative oil pressure switch can result in an Engine Cranks But Will Not Run complaint.


TEST DESCRIPTION

Number(s) below refer to step number(s) on the Diagnostic Table.

1. The Powertrain OBD System Check prompts the technician to complete some basic checks and stores the freeze frame and failure records data on the scan tool, if applicable. This creates an electronic copy of the data taken when the fault occurred. The information is then stored in the scan tool for later reference.

2. If the no start condition was due to a open fuse, locate and repair any shorts that may have caused the fuse to open before replacement.

3. This step determines if the fuel pump circuit can be controlled by the PCM. The PCM should energize the fuel pump relay and turn the fuel pump ON when commanded by the scan tool. If the engine is not cranking or running, the PCM should de-energize the relay and turn OFF the fuel pump after 2-3 seconds.

4. Jumpering CKT 120 to CKT 839 verifies that the fuel pump relay ignition feed circuit, the fuel pump feed circuit, the fuel pump and fuel ground are all OK.

7. Check for an open CKT 451.

16. Replacement PCM's must be reprogrammed. Refer to the latest Techline information for programming procedures.

17. This step checks CKT 150 on the body side of the body harness only. If CKT 150 is OK, then CKTs 120 or 150 in the fuel tank harness or the fuel pump itself are at fault.

20. This test will determine if a short to ground on CKT 120 caused the fuse to open. To prevent mis-diagnosis, be sure the fuel pump harness is disconnected before the test.

25. The fuel pump control circuit includes an engine oil pressure switch with a separate set of normally open contacts. The switch closes at about 28 kPa (4 psi) of oil pressure and provides a second battery feed path to the fuel pump. If the fuel pump relay is inoperative, the fuel pump will continue to run using the battery feed supplied by the closed oil pressure switch.

30. The only possible place CKT 120 can be open is between the oil pressure switch and the fuel pump relay, injector and the fuel pump splice.

31. The only possible place CKT 839 can be open is between the oil pressure switch and the fuel pump relay.