Operation CHARM: Car repair manuals for everyone.
Manuals through 2025 now available!

Our trusted friends have launched a new website named LEMON, which has newer manuals. It also contains all the CHARM manuals.

LEMON is the spiritual successor to CHARM, I recommend you try it!

Link: lemon-manuals.la or lemon-manuals.org.ua

(Some people have issue connecting. LEMON is investigating. For now, use Firefox or change your DNS server)

Or, hide this message: temporarily or permanently

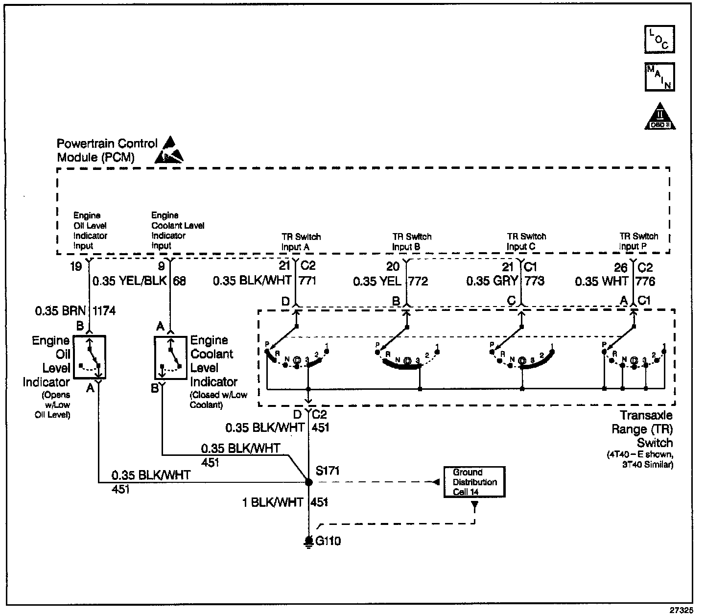
Oil Level Input

Diagnostic Chart:




Diagnostic Chart:




Wiring Diagram:






DIAGNOSIS

^ The following tables will diagnose the oil level switch, the oil pressure switch and the coolant level switch circuits.

^ For diagnosis of the fuel pump circuitry portion of the fuel pump and engine oil level switch, refer to Engine Cranks but Does Not Run.

^ For diagnosis of the Instrument Panel Cluster (IPC), refer to Instrument Panel, Gauges and Warning Indicators.

^ For PCM replacement information, refer to PCM/EEPROM Replacement/Programming.

CIRCUIT DESCRIPTION

A Check Oil telltale lamp is located on the Instrument Panel Cluster (IPC). The lamp will illuminate whenever a low engine oil level condition is detected by the engine oil level switch.

The engine oil level switch is a static style switch. The switch can only determine oil level when the engine is not running. The engine oil level switch contacts are closed whenever the engine oil level is OK. Whenever the oil level falls below a certain level, the contacts inside the oil level switch will open.

The PCM first checks the engine oil level when the ignition is OFF. The PCM will then wait for 10 minutes after the ignition has been turned OFF before determining the engine oil level. This will allow enough time for the oil to drain back into the oil pan. When the ignition is turned ON, and a low oil level condition still exists, the PCM will then send a signal to the IPC to illuminate the Check Oil telltale lamp. Once the ignition is cycled OFF, the PCM will wait for another 10 minute cycle before telling the IPC to illuminate the Check Oil telltale lamp. The PCM will check the engine oil level only once per ignition OFF and once per ignition ON cycle.

The Check Oil lamp will illuminate when:

^ The ignition OFF logic has detected low engine oil level condition.

^ The ignition has been OFF for 10 minutes.

^ The ignition ON logic has detected low engine oil level condition.

^ All the above conditions have been satisfied.


DIAGNOSTIC AIDS

^ The IPC will illuminate the Check Oil lamp for 3 seconds when the ignition is turned ON to check the bulb. If the Check Oil lamp does not illuminate for 3 seconds and then go out, or is illuminated continuously after several key ON cycles less than 10 minutes apart, refer to Instrument Panel, Gauges and Warning Indicators.

^ An Intermittent problem may be caused by a poor connection, rubbed through wire insulation, or a wire that is broken inside the insulation.

^ Any circuitry, that is suspected as causing the intermittent complaint, should be thoroughly checked for the following conditions:

- Backed out terminals

- Improper mating

- Broken locks

- Damage to the wiring harness

TEST DESCRIPTION

Number(s) below refer to the step number(s) on the Diagnostic Table.

1. The Powertrain OBD System Check prompts the technician to complete some basic checks and store the freeze frame and failure records data on the scan tool if applicable. This creates an electronic copy of the data taken when the fault occurred. The information is then stored on the scan tool for later reference.

4. A scan tool is necessary to diagnose the engine oil level system. The scan tool will react quickly to oil level changes and due to the nature of the way the engine oil level is checked, does not reflect when the Check Oil lamp is illuminated but rather an actual indication of the engine oil level switch and it's circuitry.

6. Probing cavity B (CKT 1174) of the engine oil level switch electrical connector simulates the engine oil level as being OK. The scan tool will display oil level as OK while being probed. If the test light illuminates, then the circuit is shorted to voltage or the PCM is faulty.

7. Disconnecting the engine oil level switch electrical connector simulates a Low engine oil level condition. If the scan tool displays engine oil level as OK, then CKT 1174 is shorted to ground or the PCM is faulty.

15. Replacement PCM's must be reprogrammed. Refer to the latest Techline information for programming procedures.

16. If no faults have been found at this point, refer to Diagnostic Aids for additional checks and information.