Operation CHARM: Car repair manuals for everyone.
Manuals through 2025 now available!

Our trusted friends have launched a new website named LEMON, which has newer manuals. It also contains all the CHARM manuals.

LEMON is the spiritual successor to CHARM, I recommend you try it!

Link: lemon-manuals.la or lemon-manuals.org.ua

(Some people have issue connecting. LEMON is investigating. For now, use Firefox or change your DNS server)

Or, hide this message: temporarily or permanently

System Diagnosis - Cruise Control

Diagnostic Chart:




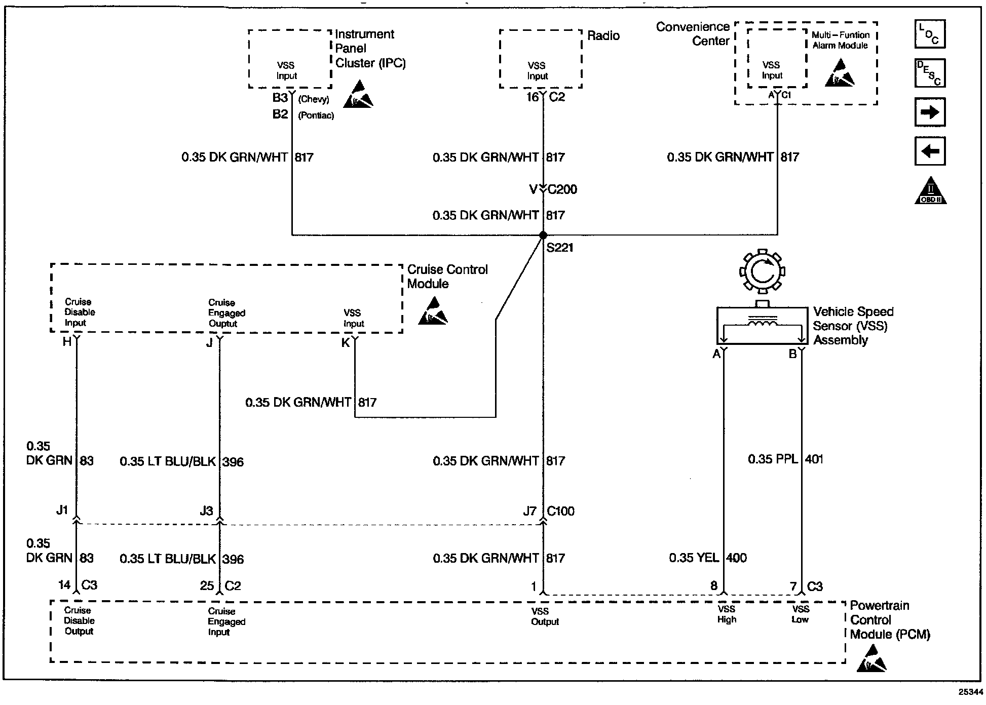
Wiring Diagram:






DIAGNOSIS

The following table will diagnose the Cruise Disable and Cruise Engaged circuits. Refer to Cruise ControlCruise ControlCruise Control when diagnosing the remaining cruise control system circuits.


CIRCUIT DESCRIPTION

The stepper motor cruise module communicates with the PCM over three circuits (cruise engaged, cruise disabled and Vehicle Speed Sensor (VSS) output). The cruise enable status tells the PCM if the cruise control system is enabled. The VSS output is the speed signal from the vehicle speed sensor through the PCM and used by the cruise control module. The cruise disable line allows the PCM to disable cruise under the various conditions described below:

^ DTC's P0122, P0123, P0200, P0335, P0502, P0562, P0563 not set.

^ Engine is not running.

^ Transmission is in park, neutral or reverse (auto trans.).

^ Transmission is out of gear (manual trans.).

^ Safety fuel cut-off is active.

If the PCM detects any one of the above conditions, it will interrupt the ground at the cruise disable signal (CKT 83) and disable the cruise control.


DIAGNOSTIC AIDS

^ This table will not diagnose any other cruise control system circuits other than those connected to the PCM. For diagnosis of the remaining circuits, refer to Cruise Control.

^ An Intermittent problem may be caused by a poor connection, rubbed through wire insulation, or a wire that is broken inside the insulation.

^ The cruise control system may disable if actual speed is less than 15 mph (24 km/h) than commanded vehicle speed; i.e. towing a trailer, or climbing a steep grade.

^ Minimum vehicle speed for setting the cruise control system is 25 mph (40 km/h).


TEST DESCRIPTION

Number(s) below refer to the step number(s) on the Diagnostic Table.

1. The Powertrain OBD System Check prompts the technician to complete some basic checks and store the freeze frame and failure records data on the scan tool if applicable. This creates an electronic copy of the data taken when the fault occurred. The information is then stored on the scan tool for later reference.

2. The vehicle must be driven in the enabling criteria listed above in order for the PCM to allow the cruise control to be enabled. When the vehicle is out of this criteria, the scan tool will read stepper cruise Disabled.

3. The cruise speed set has to be above the minimum speed (25 mph/40 km/h) required for cruise operation. Drive vehicle in an area where enough room is allowed for cruising.

4. If the vehicle was in the enabling criteria for cruise operation, the PCM should have read stepper cruise Enabled even if cruise was not requested. CKT 83 provides a ground to the cruise control module. This step checks for an open or shorted cruise disable circuit.

5. At this point, the PCM is allowing cruise operation and the cruise module is telling the PCM that the cruise is engaged. If the vehicle will not maintain the set speed, then the fault is in the cruise control module or is a throttle linkage problem.

6. Even though the cruise module can maintain the set speed, the cruise control module may not tell the PCM that it is controlling vehicle speed. This step determines if the fault is an open cruise engaged circuit or a faulty cruise control module.

9. The PCM senses if the cruise control module is controlling the vehicle speed by applying 12V on the cruise engage circuit displays Yes on a scan tool when the cruise control module grounds the circuit. A cruise engaged circuit that is shorted to ground will always display Cruise Engaged as Yes on the scan tool.

12. Replacement PCM's must be reprogrammed. Refer to the latest Techline information for programming procedures.

13. If no faults have been found at this point and no additional DTC's were set, refer to Diagnostic Aids for additional checks and information.