Operation CHARM: Car repair manuals for everyone.
Manuals through 2025 now available!

Our trusted friends have launched a new website named LEMON, which has newer manuals. It also contains all the CHARM manuals.

LEMON is the spiritual successor to CHARM, I recommend you try it!

Link: lemon-manuals.la or lemon-manuals.org.ua

(Some people have issue connecting. LEMON is investigating. For now, use Firefox or change your DNS server)

Or, hide this message: temporarily or permanently

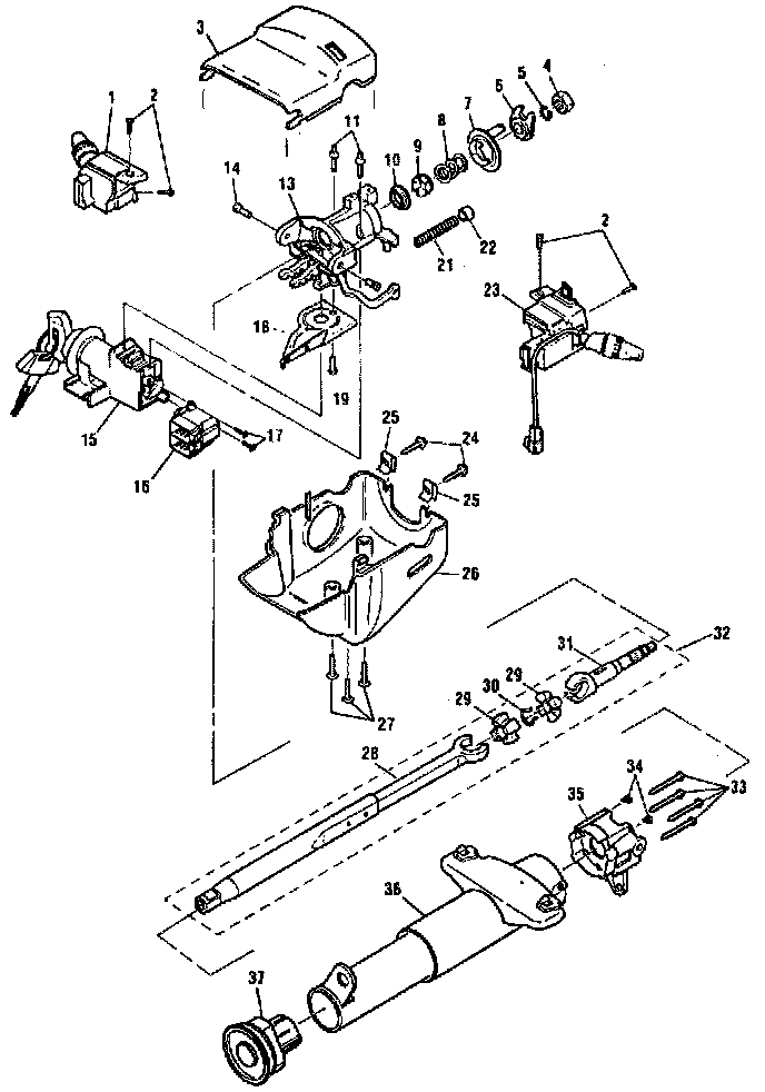
Mid Column Components

Exploded View Of Standard Steering Column:






COLUMN JACKET BUSHING, ORIENTATION PLATE CAM, TURN SIGNAL CANCEL CAM, UPPER BEARING SPRING, BEARING, COLUMN SHAFT, COLUMN HOUSING, & COLUMN JACKET

DISASSEMBLE
1. Remove steering wheel as outlined in Steering Wheel.
2. Remove turn signal switch mounting screws and turn signal switch, letting switch hang freely.
3. Remove wash/wipe switch mounting screws and wash/wipe switch, letting switch hang freely.
4. Remove retaining ring using lock plate adapter tool Nos. J-23653-91 and lock plate compressor tool No. J-23653-C, or equivalents, to compress orientation plate cam and upper bearing spring. Discard retaining ring.
5. Remove orientation plate cam, turn signal cancel cam assembly, upper bearing spring, inner race seat, and inner race.
6. Pull tilt lever bracket on column housing assembly and tilt column all the way up.
7. Remove steering column from vehicle as outlined under Steering Column.
8. Inspect steering column for damage.
9. Remove steering column jacket bushing from lower end of jacket assembly, then insert a Phillips head screwdriver into square opening in spring retainer, push down and turn counterclockwise to release retainer and wheel tilt spring.
10. Remove spring retainer and tilt spring, then the two pivot pins using pivot pin removal tool No. J-21854-01, or equivalent.
11. Place lock cylinder in RUN position, then pull tilt lever to release column housing and remove column housing from housing support.
12. Remove wire support screw and wire support, then the steering shaft assembly from housing support.
13. Remove tilt bumpers from housing support with pliers, then the pan head screws and housing support from jacket assembly.
14. If necessary, service steering shaft assembly as follows:
a. Before separating upper and lower shafts, note relationship of upper shaft with alignment mark in threaded end at 12 o'clock position and lower shaft pinch bolt groove at 9 o'clock position. Refer to this alignment for proper assembling.
b. Position upper shaft 90 ° to lower shaft and separate.
c. Rotate centering sphere 90 ° and remove from upper shaft.
d. Separate sphere halves and joint preload spring.

Assemble
NOTE: Ensure all fasteners are securely seated before applying torque. Failure to do so may result in component damage or malfunctioning of steering column.
1. If necessary, assemble steering shaft as follows:
a. Lubricate centering sphere halves and joint preload spring with lithium grease, then assemble spring between sphere halves with ends of spring in notches.
b. Lubricate sphere end of upper shaft with lithium grease, then assemble sphere into upper shaft and rotate sphere 90 °.
c. Lubricate sphere end of lower shaft with lithium grease.
d. Place alignment notch on threaded end of upper shaft at 12 o'clock. Pinch bolt groove near end of lower shaft must be at 9 o'clock position.
e. Position upper shaft 90 ° to lower shaft, then engage and straighten.
2. Assemble housing support to jacket assembly with support screws. Torque screws to 12 lb ft
3. Install tilt bumpers to housing support and snap into place.
4. Install steering shaft assembly into support housing.
5. Lubricate both bearings in column housing with lithium grease, then assemble column housing onto shaft assembly and column support.
6. Lubricate pivot pins with lithium grease, then install pivot pins until bottomed in housing. Stake pivot pins to housing in three equally spaced locations. If there is no surface suitable for restaking, housing must be replaced.
7. Pull tilt lever bracket on column housing assembly and tilt column all the way up.
8. Lubricate tilt spring with lithium grease, then install tilt spring with spring retainer. Ensure spring engages locating tab on support housing. Insert Phillips head screwdriver into square opening in spring retainer, push down and turn clockwise to lock in place.
9. Install wire support with wire support screw. Torque screw to 53 lb in
10. Place key in Off-Lock position, remove key, rotate shaft until lock bolt engages and locks shaft in position.
11. Install inner race and inner race seat.
12. Install upper bearing spring and turn signal cancel cam assembly.
13. Install orientation plate cam, then a new retaining ring using lock plate adapter and lock plate compressor to compress orientation plate cam and upper bearing spring. Ensure retaining ring is firmly seated in groove.
14. Install steering wheel as outlined in Steering Wheel.