Operation CHARM: Car repair manuals for everyone.
Manuals through 2025 now available!

Our trusted friends have launched a new website named LEMON, which has newer manuals. It also contains all the CHARM manuals.

LEMON is the spiritual successor to CHARM, I recommend you try it!

Link: lemon-manuals.la or lemon-manuals.org.ua

(Some people have issue connecting. LEMON is investigating. For now, use Firefox or change your DNS server)

Or, hide this message: temporarily or permanently

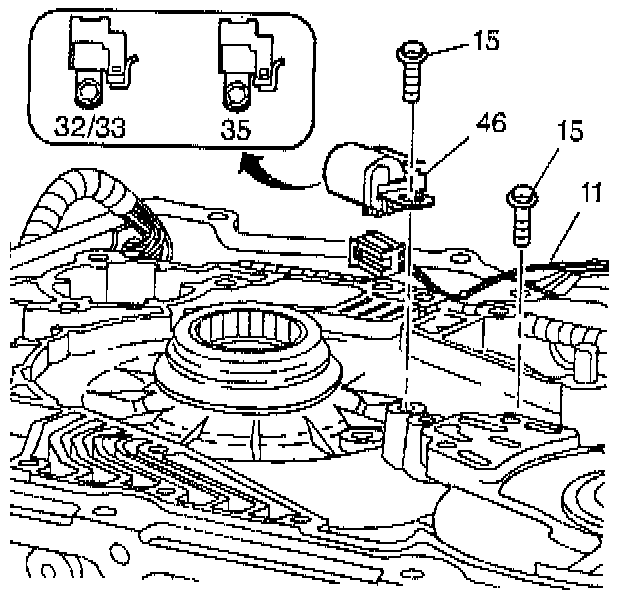
Input Speed Sensor Install






Important: The tab on the sensor housing (46) fits into the recess on the case boss.

Important: For drive sprockets with 35 teeth, use a black sensor housing. For drive sprockets with 32 or 33 teeth, use a natural colored sensor housing.

1. Assemble the input speed sensor (46) to the transmission case (51).
2. Install the input speed sensor bolt (15). Hand start and tighten the input speed sensor bolt to 12 N.m (9 lb ft).
3. Route the input speed sensor wiring harness in the case channel.
4. Connect the input speed sensor connector to the input speed sensor.
5. Install the wire harness retainer and wire harness retainer bolt. Tighten the wire harness retainer bolt to 12 N.m (9 lb ft).