Operation CHARM: Car repair manuals for everyone.
Manuals through 2025 now available!

Our trusted friends have launched a new website named LEMON, which has newer manuals. It also contains all the CHARM manuals.

LEMON is the spiritual successor to CHARM, I recommend you try it!

Link: lemon-manuals.la or lemon-manuals.org.ua

(Some people have issue connecting. LEMON is investigating. For now, use Firefox or change your DNS server)

Or, hide this message: temporarily or permanently

Engine Front Cover Replacement (Unit Repair)

REMOVAL PROCEDURE





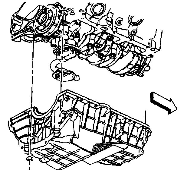
1. Remove the engine oil pan. Refer to Oil Pan Replacement.
2. Remove the crankshaft balancer. Refer to Crankshaft Balancer Replacement.
3. Remove the water pump. Refer to Water Pump Replacement.





4. Remove the Crankshaft Position (CKP) sensor. Refer to Crankshaft Position (CKP) Sensor Replacement.
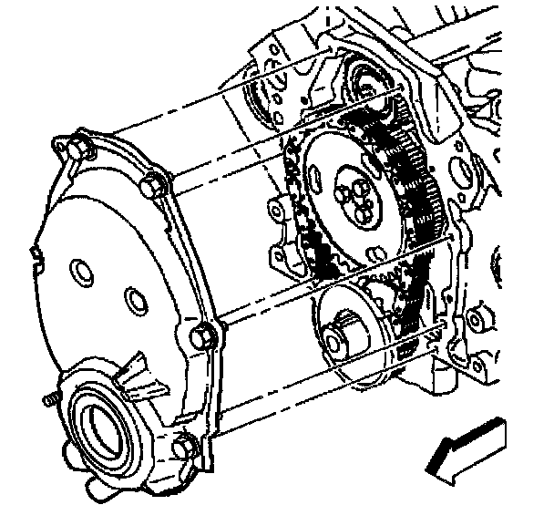
5. Remove the engine front cover. Refer to Engine Front Cover Removal.


INSTALLATION PROCEDURE

NOTICE: Do not reuse the engine front cover. Oil leaks may result. Do not reuse the original seal (O-ring) when installing the Crankshaft Position (CKP) sensor to the engine front cover. Erratic engine operation may result.





1. Install the engine front cover.





2. Install the engine oil pan.
3. Install the CKP sensor.
4. Install the water pump.
5. Install the crankshaft balancer.