Operation CHARM: Car repair manuals for everyone.
Manuals through 2025 now available!

Our trusted friends have launched a new website named LEMON, which has newer manuals. It also contains all the CHARM manuals.

LEMON is the spiritual successor to CHARM, I recommend you try it!

Link: lemon-manuals.la or lemon-manuals.org.ua

(Some people have issue connecting. LEMON is investigating. For now, use Firefox or change your DNS server)

Or, hide this message: temporarily or permanently

Engine Oil: Service and Repair

REMOVAL PROCEDURE





1. Raise the vehicle and support with safety stands.
2. Remove the oil pan drain plug and drain the engine oil in a suitable container.





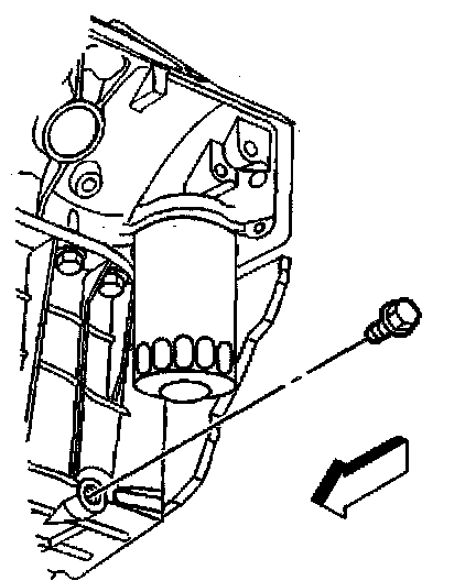
3. Remove the engine oil filter.
4. Inspect to ensure the engine oil filter gasket is removed.

INSTALLATION PROCEDURE





1. Lubricate the engine oil filter gasket with clean engine oil.
2. Install the engine oil filter.
3. Follow the tightening instructions on the oil filter.





4. Install the drain plug to the oil pan.
^ Tighten the oil pan plug to 25 Nm (18 ft. lbs.).

NOTICE: Refer to Fastener Notice in Service Precautions.

5. Remove the safety stands and lower the vehicle.
6. Fill the engine with the proper capacity and quality of engine oil.
^ Refer to Approximate Fluid Capacities in Maintenance and Lubrication.
^ Refer to Explanation of Scheduled Services in Maintenance and Lubrication.

7. Operate the engine, check for leaks and oil pressure.