Operation CHARM: Car repair manuals for everyone.
Manuals through 2025 now available!

Our trusted friends have launched a new website named LEMON, which has newer manuals. It also contains all the CHARM manuals.

LEMON is the spiritual successor to CHARM, I recommend you try it!

Link: lemon-manuals.la or lemon-manuals.org.ua

(Some people have issue connecting. LEMON is investigating. For now, use Firefox or change your DNS server)

Or, hide this message: temporarily or permanently

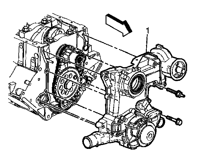
Engine Front Cover Installation




ENGINE FRONT COVER INSTALLATION

^ Tools Required
- J36660 Torque Angle Meter





1. Install the engine front cover gasket.
2. Install the engine front cover.
Align the cogs on the crankshaft sprocket with the cogs on the oil pump in the engine front cover.
3. Apply sealant GM P/N 12346004 or equivalent to the engine front cover bolt threads.
4. Install the engine front cover bolts.

Tighten
Tighten the engine front cover bolts to 20 Nm (15 lb ft). Use J36660 to tighten the engine front cover bolts an additional 40 degrees.

NOTICE: Refer to Fastener Notice in Service Precautions.

5. Install the oil pan to engine front cover bolts.

Tighten
Tighten the oil pan bolts to 14 Nm (10 lb ft).

6. Install the oil filter.

Tighten
Tighten the oil filter to 19 Nm (14 lb ft).





7. Install the crankshaft position sensor.

Tighten
Tighten the crankshaft position sensor studs to 20 Nm (15 lb ft).





8. Install the crankshaft position sensor shield.