Operation CHARM: Car repair manuals for everyone.
Manuals through 2025 now available!

Our trusted friends have launched a new website named LEMON, which has newer manuals. It also contains all the CHARM manuals.

LEMON is the spiritual successor to CHARM, I recommend you try it!

Link: lemon-manuals.la or lemon-manuals.org.ua

(Some people have issue connecting. LEMON is investigating. For now, use Firefox or change your DNS server)

Or, hide this message: temporarily or permanently

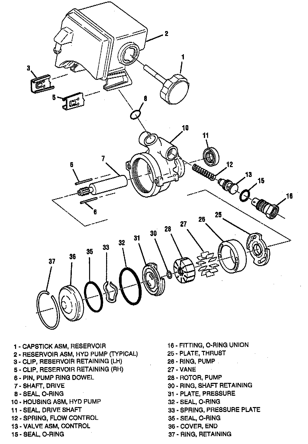
Power Steering Pump

Power Steering Pump Assembly - CB Series Reverse Rotation:






Hydraulic Pump Fitting-To-Power Steering Pump 75 Nm (55 ft. lbs.)
Power Steering Pump Nut 30 Nm (23 ft. lbs.)
O-Ring Union Fitting (16) 75.0 Nm (55 ft. lbs.)