Operation CHARM: Car repair manuals for everyone.
Manuals through 2025 now available!

Our trusted friends have launched a new website named LEMON, which has newer manuals. It also contains all the CHARM manuals.

LEMON is the spiritual successor to CHARM, I recommend you try it!

Link: lemon-manuals.la or lemon-manuals.org.ua

(Some people have issue connecting. LEMON is investigating. For now, use Firefox or change your DNS server)

Or, hide this message: temporarily or permanently

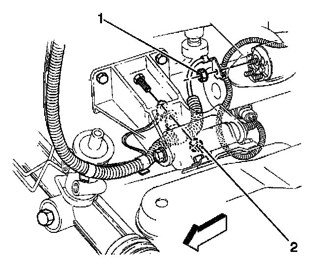
Starter Motor: Service and Repair

REMOVAL PROCEDURE

IMPORTANT: This vehicle was designed for starter mounting without shims. However, if single or double shims have been added to correct a noise or engagement condition, reinstall the shims in their original location to ensure proper pinion-to Flywheel engagement.




1. Raise and suitably support the vehicle.
2. Remove the starter shield.
3. Remove the starter motor bolt.
4. Remove the starter motor stud.
5. Lower the starter motor.




6. Remove the positive cable to starter nut (1).
7. Remove the positive cable.




8. Remove the starter motor lead nut from the starter.
9. Remove the starter motor lead.
10. Remove the starter motor.

INSTALLATION PROCEDURE




1. Install the starter motor.
2. Install the starter motor lead to the starter.
3. Install the starter motor lead nut.

NOTE: Refer to Fastener Notice in Cautions and Notices.

Tighten
Tighten the starter motor lead nut to 2 N.m (17 lb in).




4. Install the positive cable.
5. Install the positive cable to starter nut (1).

Tighten
Tighten the positive cable to starter nut (1) to 10 N.m (89 lb in).

6. Raise the starter motor.




7. Install the starter motor bolt.

Tighten
The bolt to 47 N.m (35 lb ft).

8. Install the starter motor stud.

Tighten
The starter motor stud to 45 N.m (33 lb ft).

9. Install the starter shield.