Operation CHARM: Car repair manuals for everyone.
Manuals through 2025 now available!

Our trusted friends have launched a new website named LEMON, which has newer manuals. It also contains all the CHARM manuals.

LEMON is the spiritual successor to CHARM, I recommend you try it!

Link: lemon-manuals.la or lemon-manuals.org.ua

(Some people have issue connecting. LEMON is investigating. For now, use Firefox or change your DNS server)

Or, hide this message: temporarily or permanently

Engine Block Plug Installation

ENGINE BLOCK PLUG INSTALLATION
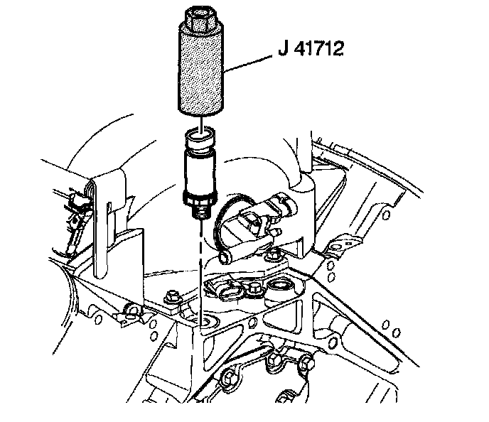
^ Tools Required
- J41712 Oil Pressure Sensor Socket

IMPORTANT:
^ Engine block plug (oil gallery and coolant) sealing washers may be reused if not bent, scored or otherwise damaged.
^ Apply the proper amount and type of sealant to the sealing washer as recommended in the service procedure.





1. Apply a 3.175 mm (0.125 inch) bead of sealant GM P/N 12346004 or equivalent to the engine block coolant heater sealing washer (if applicable). Refer to Sealers, Adhesives, and Lubricants.

NOTICE: Refer to Fastener Notice in Service Precautions.

2. Install the engine block coolant heater to the engine block (if applicable).
^ Tighten the block coolant heater to 40 Nm (30 ft. lbs.).

3. Apply a 3.175 mm (0.125 inch) bead of sealant GM P/N 12346004 or equivalent to the engine block left front coolant drain plug sealing washer (if applicable).





4. Install the engine block left front coolant drain plug (if applicable).
^ Tighten the block left front coolant drain plug to 60 Nm (44 ft. lbs.).

5. Apply a 3.175 mm (0.125 inch) bead of sealant GM P/N 12346004 or equivalent to the engine block right rear coolant drain plug sealing washer.





6. Install the engine block right rear coolant drain plug.
^ Tighten the block right rear coolant drain plug to 60 Nm (44 ft. lbs.).

7. Apply a 3.175 mm (0.125 inch) bead of sealant GM P/N 12346004 or equivalent to the engine block left front oil gallery plug sealing washer.





8. Install the engine block left front oil gallery plug.
^ Tighten the block left front oil gallery plug to 60 Nm (44 ft. lbs.).

9. Apply a 3.175 mm (0.125 inch) bead of sealant GM P/N 12346004 or equivalent to the engine block left rear oil gallery plug sealing washer.





10. Install the engine block left rear oil gallery plug.
^ Tighten the block left rear oil gallery plug to 60 Nm (44 ft. lbs.).





11. Inspect the engine block rear oil gallery plug and O-ring seal. If the O-ring seal on the plug is not cut or damaged, the rear oil gallery plug may be reused.
12. Lubricate the O-ring seal with clean engine oil.
13. Install the block rear oil gallery plug into the oil gallery bore 0.8 - 1.4 mm (0.0315 - 0.055 inch) below flush.

IMPORTANT: The engine block front oil gallery plug should not be removed unless service is required.

14. Apply sealant GM P/N 12345382 or equivalent to the sides of the NEW front oil gallery plug.





15. Install a NEW engine block front oil gallery plug (if required). Install the front oil gallery plug into the oil gallery bore 2.2 - 2.8 mm (0.0086 - 0.011 inch) below flush.
16. Apply sealant GM P/N 12346004 or equivalent to the threads of the oil pressure sensor.





17. Use the J41712 or equivalent in order to install the oil pressure sensor.
^ Tighten the oil pressure sensor to 20 Nm (15 ft. lbs.).