Operation CHARM: Car repair manuals for everyone.
Manuals through 2025 now available!

Our trusted friends have launched a new website named LEMON, which has newer manuals. It also contains all the CHARM manuals.

LEMON is the spiritual successor to CHARM, I recommend you try it!

Link: lemon-manuals.la or lemon-manuals.org.ua

(Some people have issue connecting. LEMON is investigating. For now, use Firefox or change your DNS server)

Or, hide this message: temporarily or permanently

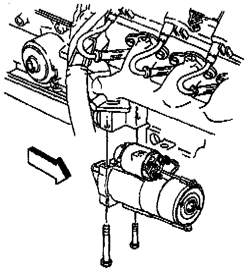
Crankshaft Position Sensor Replacement

Access To CKP Sensor:












REMOVAL PROCEDURE
Perform the CKP System Variation Learn Procedure when the Crankshaft Position sensor is removed or replaced.

1. Remove the starter. Refer to Engine Electrical.
2. Disconnect the Crankshaft Position (CKP) sensor electrical connector.
3. Remove the CKP sensor retaining bolt.
4. Remove the CKP sensor.

INSTALLATION PROCEDURE
1. Install the CKP sensor.
2. Install the CKP sensor retaining bolt.

Tighten
Sensor to 25 Nm (18 lb ft).

3. Connect the CKP sensor electrical connector.
4. Install the starter.
5. Lower the vehicle.
6. Connect the negative battery cable.