Operation CHARM: Car repair manuals for everyone.
Manuals through 2025 now available!

Our trusted friends have launched a new website named LEMON, which has newer manuals. It also contains all the CHARM manuals.

LEMON is the spiritual successor to CHARM, I recommend you try it!

Link: lemon-manuals.la or lemon-manuals.org.ua

(Some people have issue connecting. LEMON is investigating. For now, use Firefox or change your DNS server)

Or, hide this message: temporarily or permanently

- Powertrain/On-Board Diagnostic System Check

Diagnostic Chart:




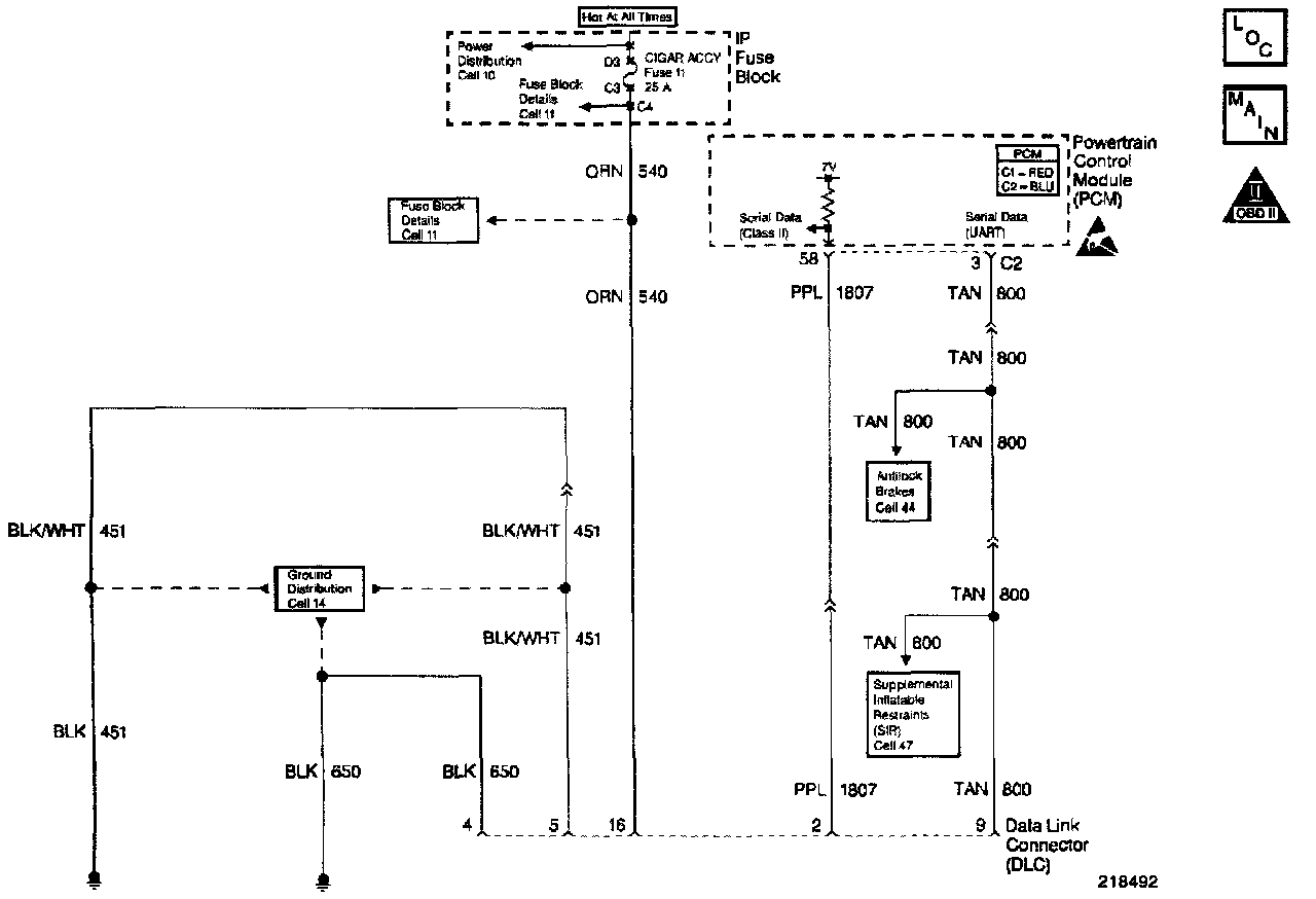
Wiring Diagram:






DESCRIPTION
The Powertrain OBD System Check is an organized approach to identifying a problem created by an electronic engine control system malfunction. The Powertrain OBD System Check is the starting point for any driveability complaint diagnosis. The Powertrain OBD System Check directs the service technician to the next logical step in diagnosing a complaint. DO NOT PERFORM THIS CHECK IF NO DRIVEABILITY COMPLAINT EXISTS. Understanding and using the table correctly will reduce the diagnostic time and prevent the replacement of good parts.

IMPORTANT: For automatic transmission DTCs, refer to Automatic Transmission for diagnosis procedures. The DTCs associated with the automatic transmission are:
^ DTCs P0502, P0503, and P0560.
^ Any 700 and 1800 series DTCs (i.e. DTC P07XX and P18XX).

IMPORTANT: For Domestic and Export DTC Types, refer to DTC List.

IMPORTANT: This vehicle is equipped with a Powertrain Control Module (PCM) utilizing an Electrically Erasable Programmable Read Only Memory (EEPROM). Program the new PCM when diagnostics call for replacement of the PCM. Refer to PCM Replacement/Programming.

DIAGNOSTIC AIDS

IMPORTANT: If an intermittent condition exists, inspect the PCM wiring harnesses for improper installation of electrical components. Inspect for aftermarket theft deterrent devices, lights, and cellular phones. Ensure that no aftermarket equipment is connected to the Class 2 circuit. A cellular phone signal communication may cause an intermittent condition.

If multiple DTCs are set, inspect the IGN mini relay for proper operation. This relay protects the battery from a parasitic draw. The following components are powered by the IGN mini relay:
^ Injectors/Ignition coils.
^ A/C system.
^ Transmission.
^ [1][2]EVAP solenoid and EVAP Vent Valve.
^ MAF sensor.
^ Heated Oxygen Sensors.

TEST DESCRIPTION
The numbers below refer to the step numbers on the diagnostic table.
1. Use a properly functioning scan tool with the diagnostic tables. DO NOT use the Clear Info function unless instructed by a diagnostic procedure.
3. If the engine starts and then stalls, there is a problem with the Vehicle Theft Deterrent (VTD) system.
4. This step checks for DTCs associated with the Vehicle Theft Deterrent system which will prevent the engine from starting.
5. If multiple DTCs are stored, diagnose in the following order of priority:
1. PCM failure DTCs (P0601, P0602, P0604).
2. System Voltage DTCs.
3. Component level DTCs (Sensors, Solenoids, Relays etc.). Multiple DTCs within this category should be diagnosed in numerical order starting with the lowest numbered DTC.
4. System level DTCs (Misfire, Fuel Trim, etc.).

For Automatic Transmission DTCs, Refer to Automatic Transmission.

It is beneficial to review the Freeze Frame Data and/or Fail Records. Use the odometer information and the fail counter in order to determine how frequently and how recently the DTC set. This information and the other operating conditions when the DTC set may help diagnose an intermittent problem. Capturing the stored info preserves data that the PCM will lose when instructed to Clear Info at the end of a diagnostic table, or if you disconnect the PCM or replace the PCM during a diagnostic procedure. The scan tool stores the data in the scan tool's memory. Review the captured info at the end of the diagnostic procedure in order to catch the next DTC in the event there are multiple DTCs stored. Follow the order of priority as listed above.

6. Compare actual control system data with the values in the Engine Scan Tool Data List to determine if any parameter is not within limits. Keep in mind that a base engine problem (i.e. advanced cam timing) may substantially alter sensor values. If the actual data does not correspond with the values in the Engine Scan Tool Data List, refer to the appropriate system/component diagnostic aids or test descriptions.