Operation CHARM: Car repair manuals for everyone.
Manuals through 2025 now available!

Our trusted friends have launched a new website named LEMON, which has newer manuals. It also contains all the CHARM manuals.

LEMON is the spiritual successor to CHARM, I recommend you try it!

Link: lemon-manuals.la or lemon-manuals.org.ua

(Some people have issue connecting. LEMON is investigating. For now, use Firefox or change your DNS server)

Or, hide this message: temporarily or permanently

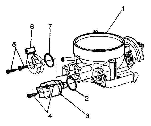
Throttle Position Sensor (TPS) Replacement






REMOVAL PROCEDURE

CAUTION: The TP sensor is an electrical component. Do not soak the TP sensor in any liquid cleaner or solvent as damage may result.

1. Disconnect the TP sensor electrical connector.
2. Remove the TP sensor attaching screws (5).
3. Remove the TP sensor (6).
4. Remove the TP sensor O-ring seal (7).

INSTALLATION PROCEDURE
1. Install the TP sensor O-ring seal (7) on the TP sensor (6).
2. Install the TP sensor (6) on the throttle body (1) with the throttle valve in the closed position. Make sure the TP sensor lever lines up with the TP sensor drive lever on the throttle shaft.
3. Install the TP sensor attaching screws (5).

Tighten
TP sensor screws to 2 Nm (18 lb in).

4. Connect the TP sensor electrical connector.