Operation CHARM: Car repair manuals for everyone.
Manuals through 2025 now available!

Our trusted friends have launched a new website named LEMON, which has newer manuals. It also contains all the CHARM manuals.

LEMON is the spiritual successor to CHARM, I recommend you try it!

Link: lemon-manuals.la or lemon-manuals.org.ua

(Some people have issue connecting. LEMON is investigating. For now, use Firefox or change your DNS server)

Or, hide this message: temporarily or permanently

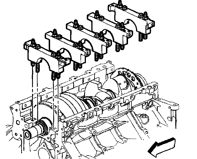
Fastener Tightening Specifications - Main Bearing





Install the crankshaft bearing caps (with bearings) into the engine block.

Start the M10 bolts and studs.

Tap the bearing caps into place with a plastic-faced hammer.





Install the NEW M8 bearing cap side bolts.

NOTICE: Refer to Fastener Notice in Service Precautions.





Tighten the bearing cap bolts and studs. A
^ Tighten the inner M10 bearing cap bolts first pass in sequence to 20 Nm (15 ft. lbs.).

IMPORTANT: To properly align the crankshaft thrust bearings, the final thrust of the crankshaft MUST be in the forward direction.

Using a plastic faced hammer, tap the crankshaft rearward then forward to align the thrust bearings.

1. Tighten the inner M10 bolts final pass in sequence 80 degrees using the J36660.
2. Tighten the outer M10 bolts first pass in sequence to 20 Nm (15 ft. lbs.).
3. Tighten the outer M10 bolts final pass in sequence 53 degrees using the J36660.
4. Tighten the bearing cap side M8 bolts to 25 Nm (18 ft. lbs.).
Tighten the bolt on one side of the bearing cap and then tighten the bolt on the opposite side of the same bearing cap.