Operation CHARM: Car repair manuals for everyone.
Manuals through 2025 now available!

Our trusted friends have launched a new website named LEMON, which has newer manuals. It also contains all the CHARM manuals.

LEMON is the spiritual successor to CHARM, I recommend you try it!

Link: lemon-manuals.la or lemon-manuals.org.ua

(Some people have issue connecting. LEMON is investigating. For now, use Firefox or change your DNS server)

Or, hide this message: temporarily or permanently

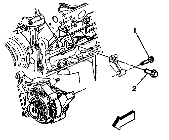
Generator Replacement

REMOVAL PROCEDURE




1. Remove the accessory drive belt.
2. Raise and suitably support the vehicle.
3. Remove the generator rear bracket mounting bolt.




4. Remove the generator mounting bolts.




5. Disconnect the generator electrical connector (3).
6. Remove the generator from the vehicle.

INSTALLATION PROCEDURE




1. Install the generator electrical connector.
2. Connect the generator electrical connector (3).

NOTE: Refer to Fastener Notice in Cautions and Notices.




3. Install the generator mounting bolts.

Tighten
Tighten the generator mounting bolts to 50 N.m (37 lb ft).




4. Install the generator rear bracket mounting bolt.

Tighten
Tighten the rear bracket mounting bolt to 25 N.m (18 lb ft).

5. Lower the vehicle
6. Install the accessory drive belt.