Operation CHARM: Car repair manuals for everyone.
Manuals through 2025 now available!

Our trusted friends have launched a new website named LEMON, which has newer manuals. It also contains all the CHARM manuals.

LEMON is the spiritual successor to CHARM, I recommend you try it!

Link: lemon-manuals.la or lemon-manuals.org.ua

(Some people have issue connecting. LEMON is investigating. For now, use Firefox or change your DNS server)

Or, hide this message: temporarily or permanently

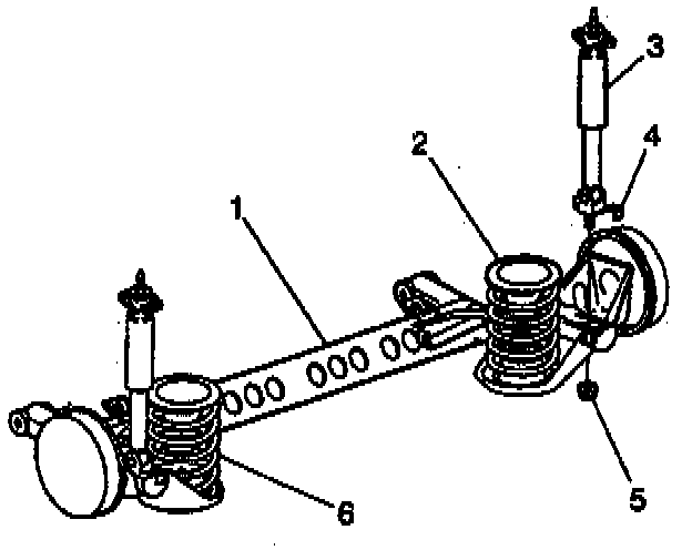
Rear Suspension

REMOVAL PROCEDURE
1. Raise and support the vehicle.





2. Support the rear axle assembly (1) with suitable jackstands.
3. Remove the both rear tires and the wheel assembly. Refer to WHEEL REMOVAL.
4. Disconnect the brake pipe at the brake pipe brackets on the axle assembly. Refer to PIPE REPLACEMENT in HYDRAULIC BRAKES. This will ensure that the axle assembly is not suspended by the brake pipes and the hoses. Plug the brake pipe openings to prevent loss of brake fluid from master cylinder.





5. Remove the lower shock absorber mount bolt (4).
6. Lower the rear axle.
7. Disconnect the parking brake at the equalizer unit. Refer to PARKING BRAKE.
8. Disconnect the rear ABS wiring connector.
9. Remove the right brake lines and the left brake lines.





10. Remove the axle assembly attaching bolts (1) with an assistant.





11. Remove the axle assembly (1).

INSTALLATION PROCEDURE





1. Position the rear axle assembly (1) into place.





2. Loosely install the attaching bolts (1).

Tighten
Tighten the axle attaching bolts to 80 Nm (59 ft. lbs.), plus 120° at curb height.

NOTICE: Always use the correct fastener in the proper location. When you replace a fastener, use ONLY the exact part number for that application. The manufacturer will call out those fasteners that require a replacement after removal. The manufacturer will also call out the fasteners that require thread lockers or thread sealant. UNLESS OTHERWISE SPECIFIED, do not use supplemental coatings (paints, greases, or other corrosion inhibitors) on threaded fasteners or fastener joint interfaces. Generally, such coatings adversely affect the fastener torque and joint clamping force, and may damage the fastener. When you install fasteners, use the correct tightening sequence and specifications. Following these instructions can help you avoid damage to parts and systems.

3. Install the right brake lines and the left brake lines.
4. Connect the ABS wiring connector.
5. Connect the parking brake cable at the right rear wheel cable connector and the cable equalizer.





6. Install both springs (2) and insulators (1) while carefully raising the axle assembly and positioning the axle assembly in order to install the lower shock absorber mount stud and nut (5).
7. Lower the shock absorber mount nuts (5).

Tighten
Tighten the shock absorber lower attaching nut to 47 Am (35 ft. lbs.).

8. Install the left and the right side brake line bracket mount bolts to the body.

Tighten
Tighten the screws to 11 Nm (97 inch lbs.).

9. Install the tire and wheel assembly. Refer to WHEEL INSTALLATION.
10. Lower the vehicle.
11. Fill and bleed the rear brake system. Refer to HYDRAULIC BRAKE SYSTEM BLEEDING.
12. Adjust the parking brake. Refer to PARK BRAKE CABLE SERVICE/ADJUSTMENT.