Operation CHARM: Car repair manuals for everyone.
Manuals through 2025 now available!

Our trusted friends have launched a new website named LEMON, which has newer manuals. It also contains all the CHARM manuals.

LEMON is the spiritual successor to CHARM, I recommend you try it!

Link: lemon-manuals.la or lemon-manuals.org.ua

(Some people have issue connecting. LEMON is investigating. For now, use Firefox or change your DNS server)

Or, hide this message: temporarily or permanently

4T40-E Automatic Transaxle





COMPONENT LOCATOR VIEW





ELECTRONIC COMPONENT LOCATIONS





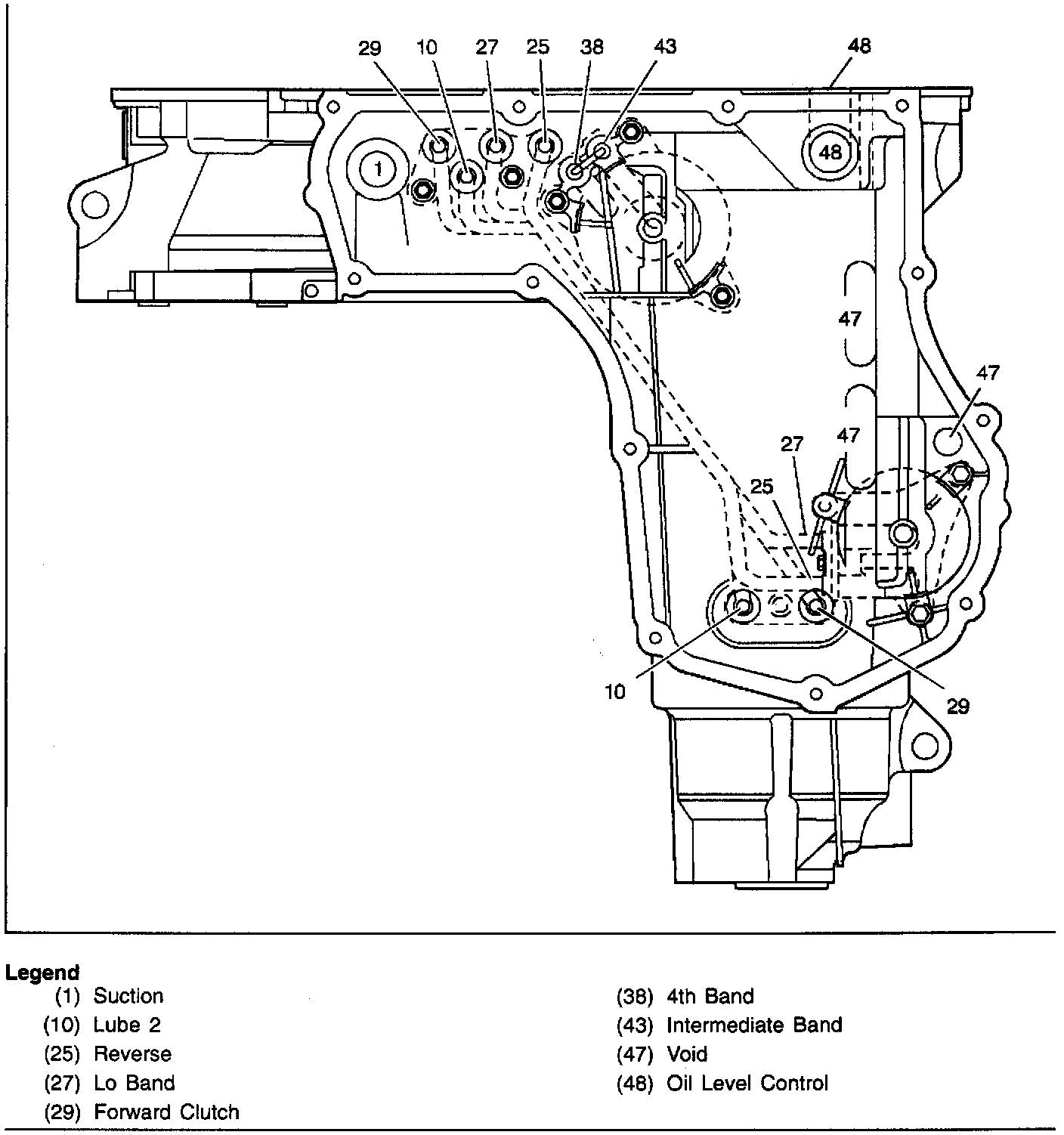
CASE AND ASSOCIATED PARTS 1 OF 3








CASE AND ASSOCIATED PARTS 2 OF 3








CASE AND ASSOCIATED PARTS 3 OF 3





OIL PUMP ASSEMBLY








CONTROL VALVE BODY ASSEMBLY





DRIVEN SPROCKET SUPPORT ASSEMBLY AND 2ND CLUTCH





REVERSE INPUT CLUTCH ASSEMBLY





DIRECT AND COAST CLUTCH ASSEMBLIES





REACTION CARRIER ASSEMBLY





INPUT CARRIER ASSEMBLY





INPUT INTERNAL GEAR AND FORWARD CLUTCH HUB





FORWARD CLUTCH ASSEMBLY





FORWARD CLUTCH SUPPORT ASSEMBLY





FINAL DRIVE AND DIFFERENTIAL ASSEMBLY





MANUAL SHAFT, PARKING PAWL AND ACTUATOR ASSEMBLY





BUSHING, BEARING AND WASHER LOCATIONS





SEAL LOCATIONS





LEAK INSPECTION POINTS





OIL PUMP BASE FLUID PASSAGES-CONTROL VALVE BODY SIDE





CONTROL VALVE BODY FLUID PASSAGES-OIL PUMP BASE SIDE








CONTROL VALVE BODY FLUID PASSAGES-CHANNEL PLATE SIDE








CONTROL VALVE BODY TO SPACER PLATE GASKET








SPACER PLATE








SPACER PLATE TO CHANNEL PLATE GASKET








CHANNEL PLATE FLUID PASSAGES-CONTROL VALVE BODY SIDE





CHANNEL PLATE FLUID PASSAGES-CASE SIDE





CHANNEL PLATE TO CASE GASKET





CASE AND DRIVEN SPROCKET SUPPORT FLUID PASSAGES-CHANNEL PLATE SIDE





CASE FLUID PASSAGES-BOTTOM