Operation CHARM: Car repair manuals for everyone.
Manuals through 2025 now available!

Our trusted friends have launched a new website named LEMON, which has newer manuals. It also contains all the CHARM manuals.

LEMON is the spiritual successor to CHARM, I recommend you try it!

Link: lemon-manuals.la or lemon-manuals.org.ua

(Some people have issue connecting. LEMON is investigating. For now, use Firefox or change your DNS server)

Or, hide this message: temporarily or permanently

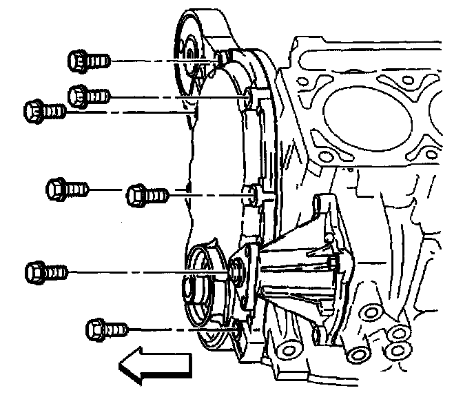
Engine Front Cover Removal

ENGINE FRONT COVER REMOVAL





1. Remove the accessory drive belt tensioner.





2. Remove the water pump pulley.





3. Remove the engine front cover bolts.





4. Remove the engine front cover and gasket.