Operation CHARM: Car repair manuals for everyone.
Manuals through 2025 now available!

Our trusted friends have launched a new website named LEMON, which has newer manuals. It also contains all the CHARM manuals.

LEMON is the spiritual successor to CHARM, I recommend you try it!

Link: lemon-manuals.la or lemon-manuals.org.ua

(Some people have issue connecting. LEMON is investigating. For now, use Firefox or change your DNS server)

Or, hide this message: temporarily or permanently

Timing Cover: Service and Repair

REMOVAL PROCEDURE

^ Tools Required
- J2846.7-360 Engine Support Fixture

CAUTION: Refer to Battery Disconnect Caution in Service Precautions.

1. Disconnect the negative battery cable.
2. Remove the drive belt.
3. Remove the drive belt tensioner.
4. Install the J28467-360 Engine Support Fixture.
5. Remove the engine mount assembly. Refer to Engine Mount Replacement.
6. Remove the generator rear brace.
7. Remove the generator.
8. Remove the power steering pump. Position the pump aside. Keep the lines attached.
9. Raise and support the vehicle.
10. Remove the oil pan.
11. Remove the crankshaft pulley and hub.
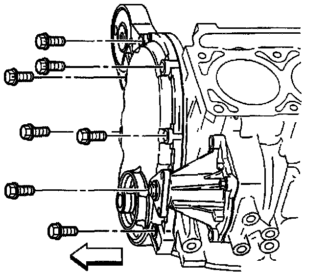
12. Remove the engine front cover bolts.





13. Remove the engine front cover. If necessary, carefully use a rubber mallet to loosen the cover.
14. Clean the sealing surface on the engine block.
15. Clean the sealing surface on the engine front cover.

INSTALLATION PROCEDURE
1. Install the engine front cover gasket.

NOTICE: Refer to Fastener Notice in Service Precautions.





2. Install the engine front cover and the bolts.
^ Tighten the bolts to 11 Nm (97 inch lbs.).

3. Install the crankshaft pulley and the crankshaft pulley hub.
4. Install the oil pan. Refer to Oil Pan Replacement.
5. Lower the vehicle.
6. Install the power steering pump.
7. Install the generator.
8. Install the generator rear brace.
9. Install the engine mount assembly.
10. Remove the J28467-360 Engine Support Fixture.
11. Install the drive belt tensioner.
12. Install the drive belt.
13. Connect the negative battery cable.
^ Tighten the bolt to 16 Nm (12 ft. lbs.).