Operation CHARM: Car repair manuals for everyone.
Manuals through 2025 now available!

Our trusted friends have launched a new website named LEMON, which has newer manuals. It also contains all the CHARM manuals.

LEMON is the spiritual successor to CHARM, I recommend you try it!

Link: lemon-manuals.la or lemon-manuals.org.ua

(Some people have issue connecting. LEMON is investigating. For now, use Firefox or change your DNS server)

Or, hide this message: temporarily or permanently

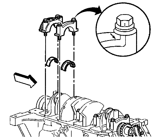
Fastener Tightening Specifications - Main Bearing







Install the crankshaft bearing caps to the engine block.

NOTICE: Refer to Fastener Notice in Service Precautions.

Install the crankshaft bearing cap bolts to the engine block.
^ Tighten the crankshaft bearing cap bolts first to 50 Nm (37 ft. lbs.).





Before installing the rear crankshaft bearing cap, coat the face of the block where it mates to the cap with sealer GM P/N 1052942.





Measure the crankshaft end play using the following procedure:
1. Firmly thrust the crankshaft rearward.
2. Firmly thrust the crankshaft forward.
3. This will align the crankshaft bearing and the crankshaft thrust surfaces.
^ Tighten the crankshaft bearing cap bolts to 95 Nm (70 ft. lbs.).