Operation CHARM: Car repair manuals for everyone.
Manuals through 2025 now available!

Our trusted friends have launched a new website named LEMON, which has newer manuals. It also contains all the CHARM manuals.

LEMON is the spiritual successor to CHARM, I recommend you try it!

Link: lemon-manuals.la or lemon-manuals.org.ua

(Some people have issue connecting. LEMON is investigating. For now, use Firefox or change your DNS server)

Or, hide this message: temporarily or permanently

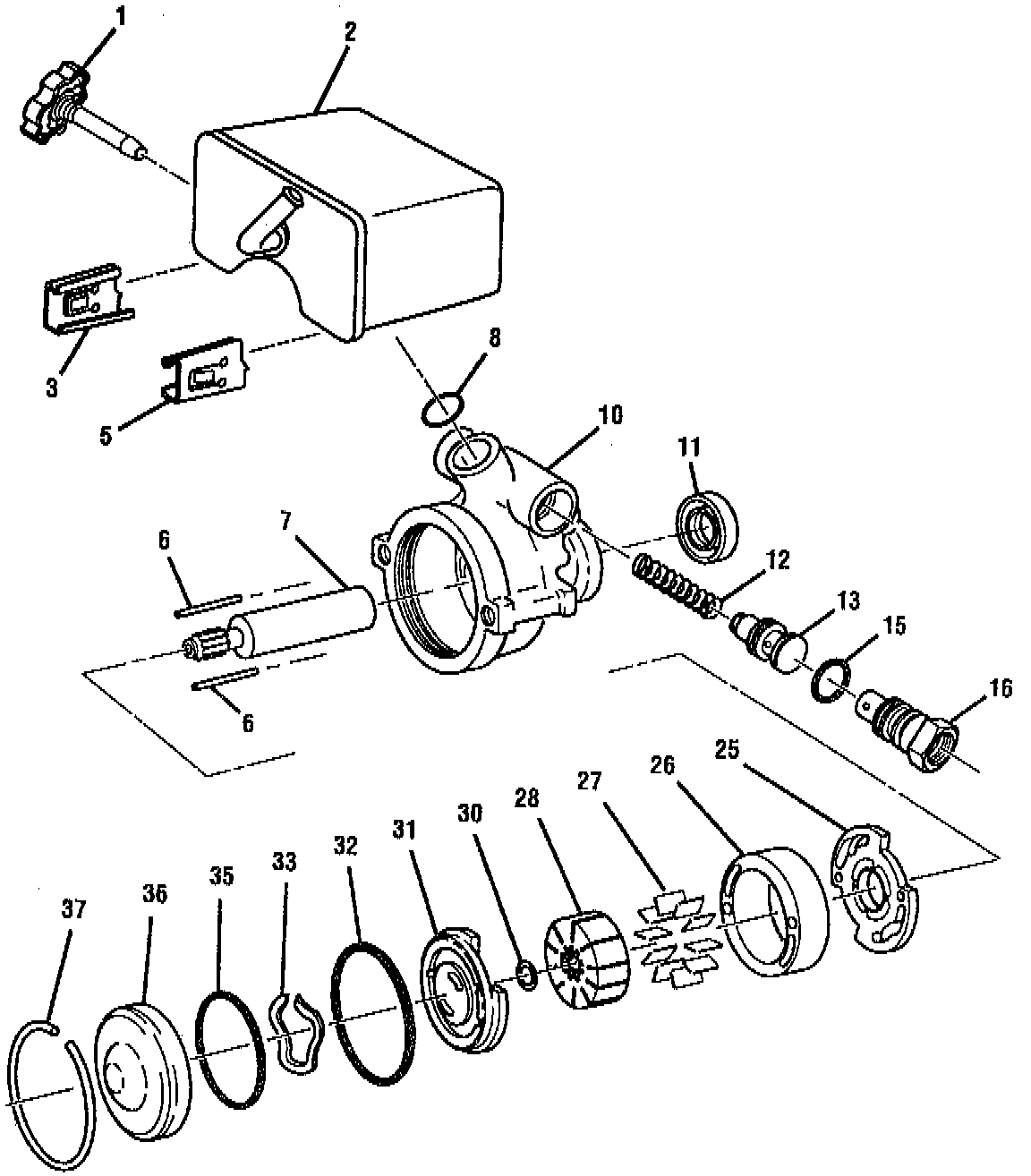
Power Steering Pump





Power Steering Pump Fitting 75 N.m (55 ft. lbs.)
Power Steering Pump Hose Fitting Nut 27 N.m (20 ft. lbs.)
Power Steering Pump Mounting Lower Center Bolt 30 N.m (22 ft. lbs.)
Power Steering Pump Mounting Upper Side Bolts 30 N.m (22 ft. lbs.)
O-Ring Union Fitting (16) 75 N.m (55 ft. lbs.)
End Plug (39) 75 N.m (55 ft. lbs.)